GM Service Manual Online
For 1990-2009 cars only
Makes
🢒
Cadillac
🢒
2003
🢒
CTS - RHD
🢒 Interior Lighting Schematics Power, Door Lamp, Hush Panel Lamp
Interior Lighting Schematics Power, Door Lamp, Hush Panel Lamp
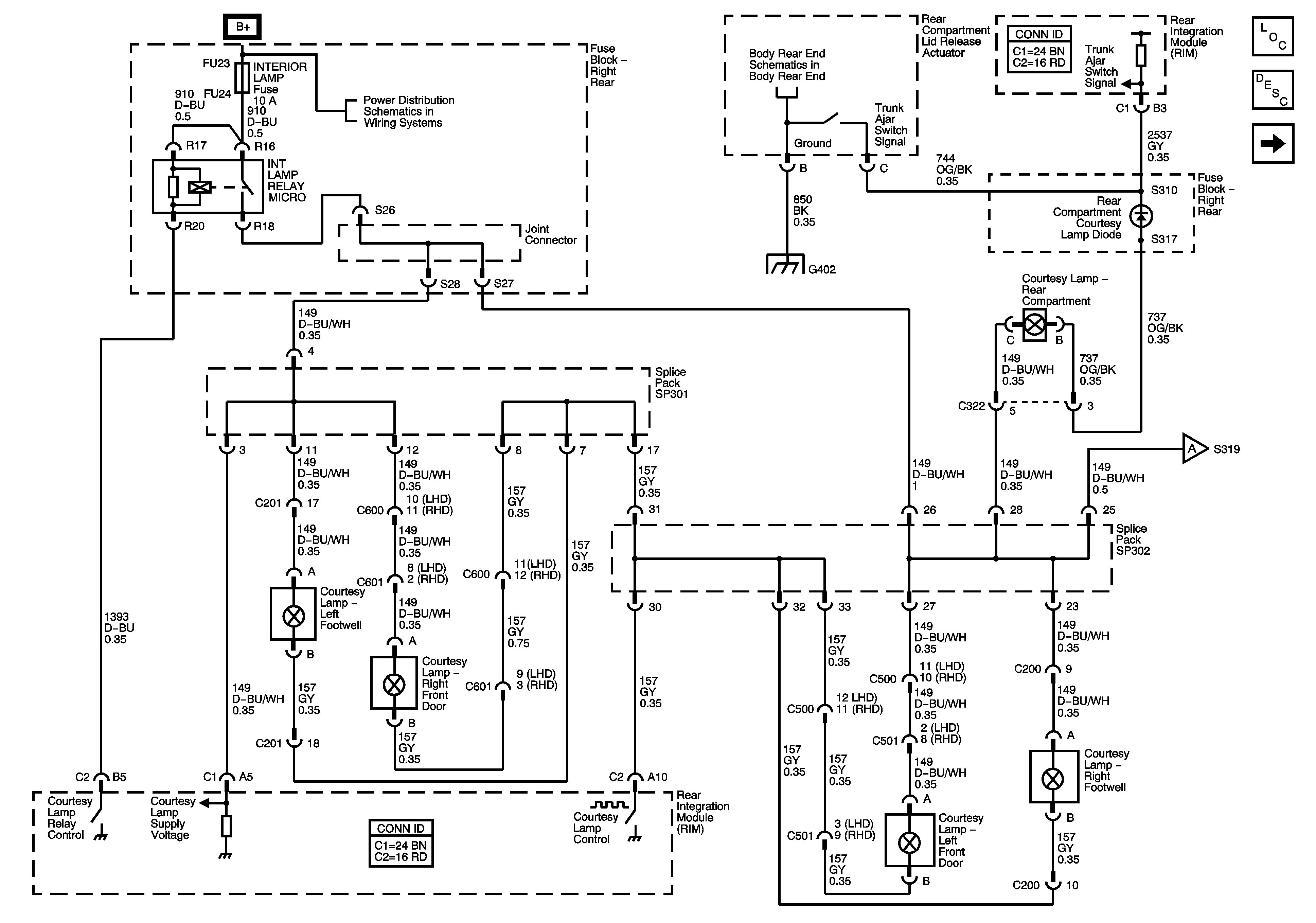
Courtesy Lamps
Interior Lighting Schematics Overhead Courtesy Lamp, Dome Lamp
Interior Lighting Schematics Overhead Courtesy Lamp, Dome Lamp
Interior Lighting Schematics Overhead Courtesy Lamp, Dome Lamp