GM Service Manual Online
For 1990-2009 cars only
Makes
🢒
Cadillac
🢒
2003
🢒
CTS - RHD
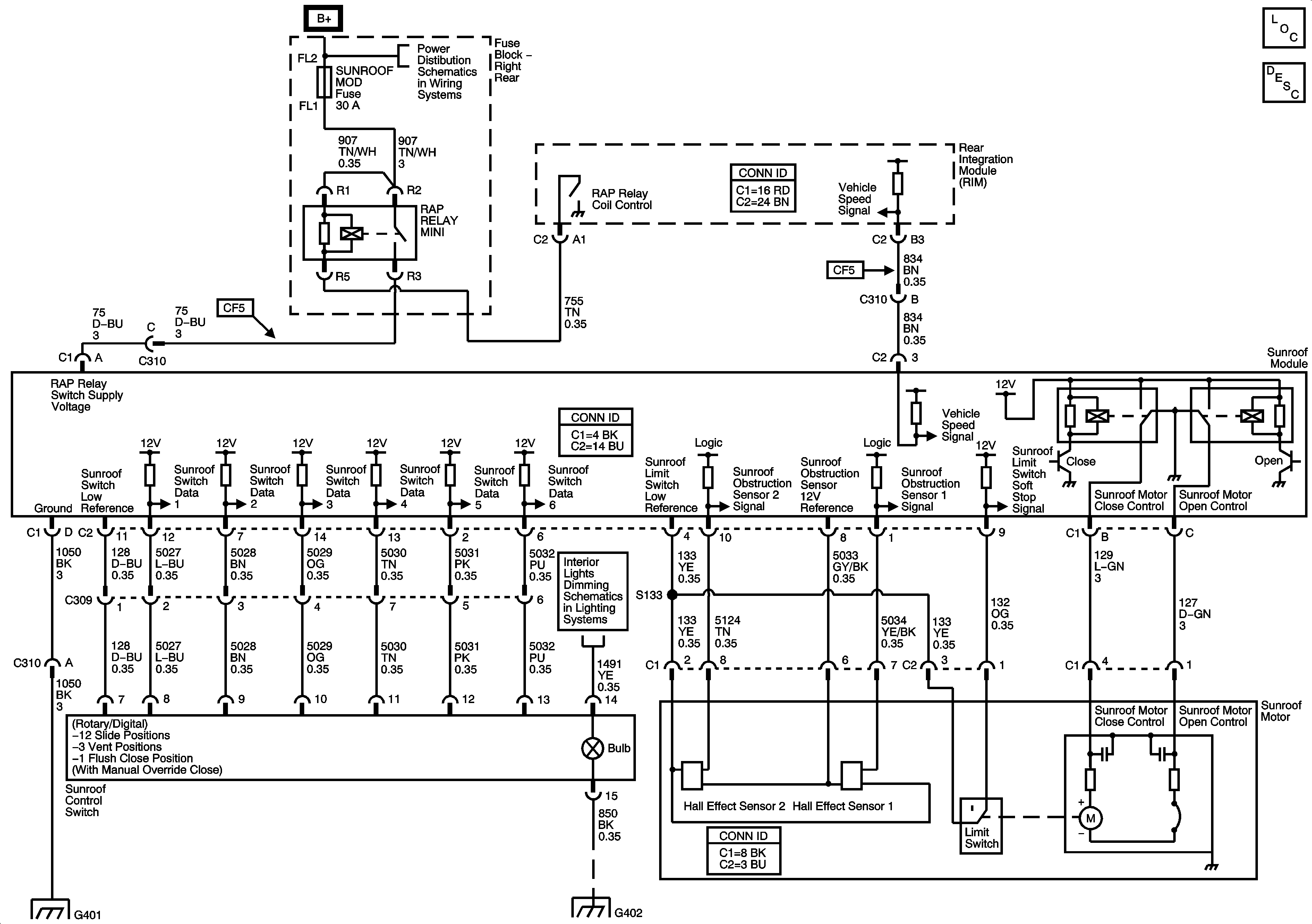
🢒 Power Sunroof Schematic
Power Sunroof Schematic
Interior Lighting Schematics Overhead Courtesy Lamp, Dome Lamp