GM Service Manual Online
For 1990-2009 cars only
Makes
🢒
Cadillac
🢒
2003
🢒
CTS - RHD
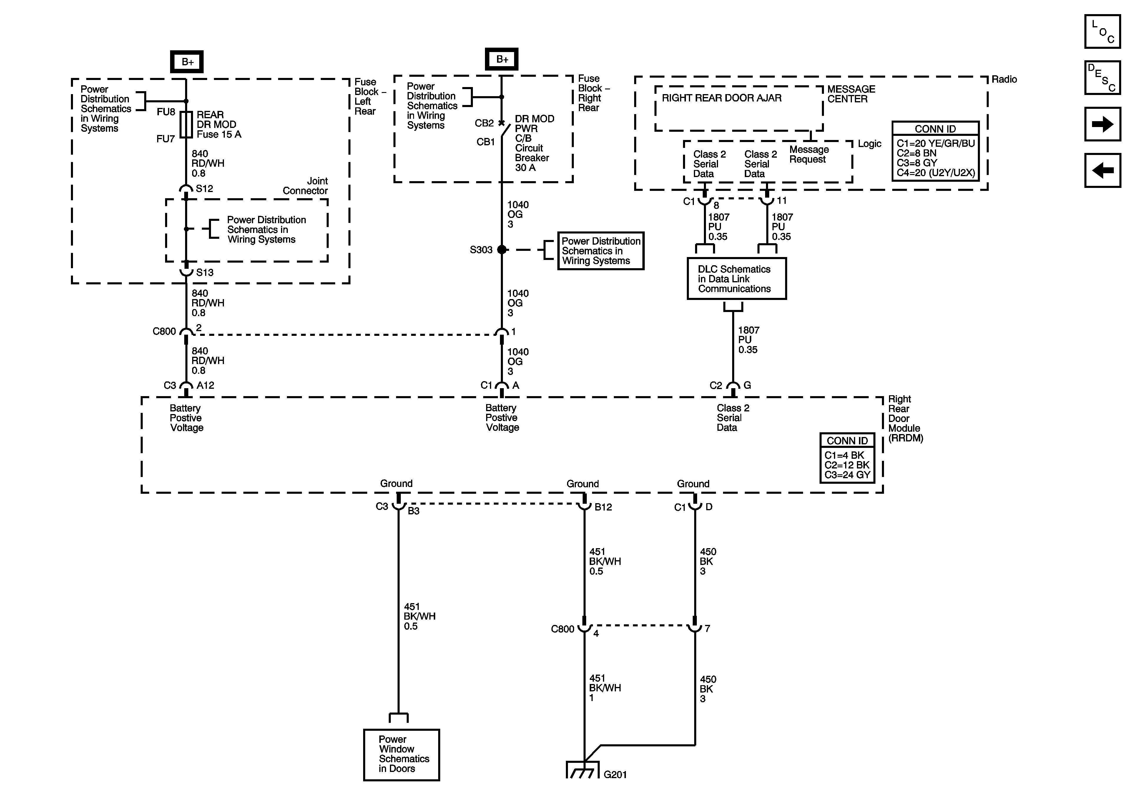
🢒 RRDM Power, Ground, and Serial Data
RRDM Power, Ground, and Serial Data
RRDM Power, Ground, and Serial Data
Master Electrical Component List
Door Ajar Indicator Description and Operation
RRDM Signals/Controls
LRDM Signals/Controls
Left Rear Fuse Block - SEATS Circuit Breaker, RADIO, and DDM Fuses
Left Rear Fuse Block - SEATS Circuit Breaker, RADIO, and DDM Fuses
Underhood Fuse Block - R REAR Fuses
Right Rear Fuse Block- RAP Relay/Fuse, FUEL PUMP Fuse/Relay, RR FOG LP Fuse/Relay, HTR PUMP Fuse, AFTER BOIL HEATER Relay, HTD SEAT Fuse, and PWR WINDOW Circuit Breaker
Class 2 (LHD) 1 of 2
Power Window Schematics Rear Window Switches and Motors
G200