GM Service Manual Online
For 1990-2009 cars only
Makes
🢒
Cadillac
🢒
1997
🢒
Catera
🢒
HVAC
🢒
HVAC Systems - Automatic
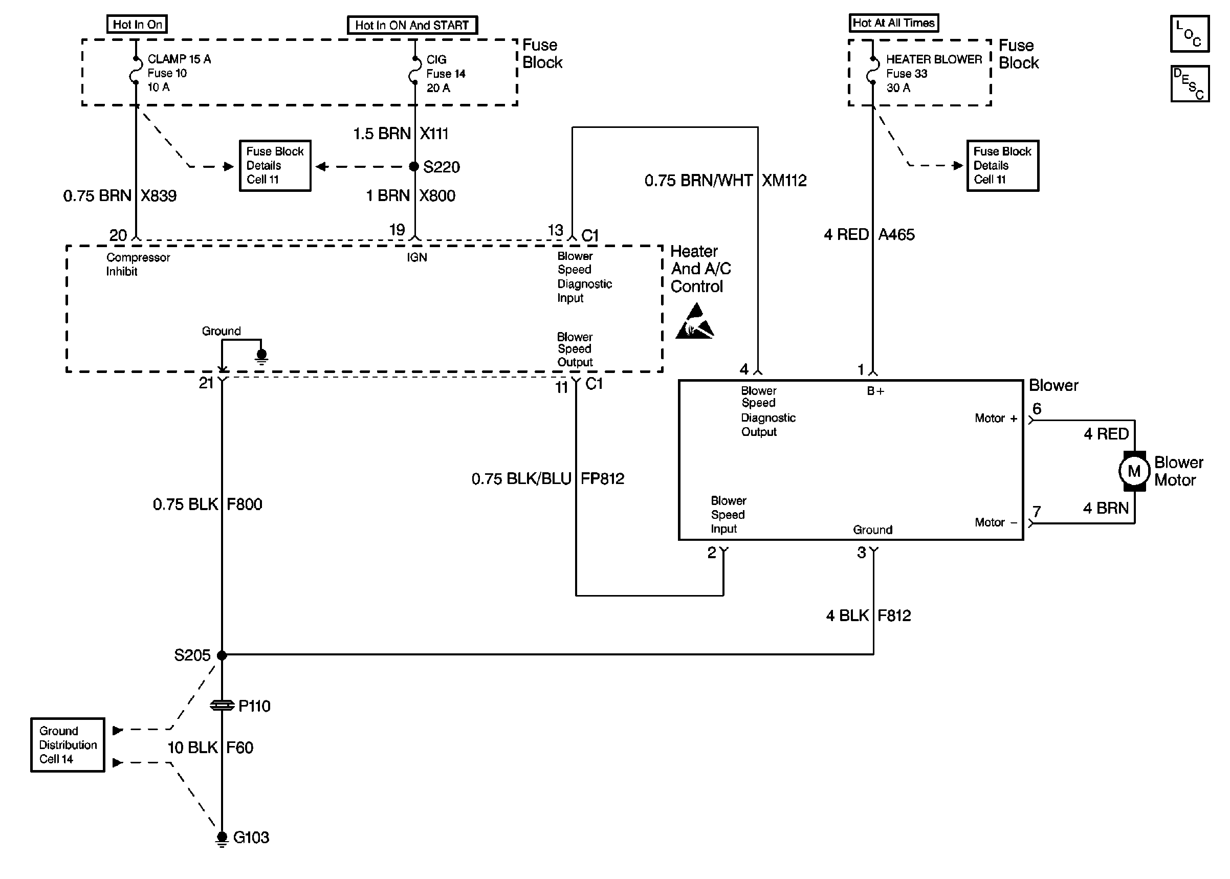
🢒 HVAC Blower Control Schematics
Cell 66