GM Service Manual Online
For 1990-2009 cars only
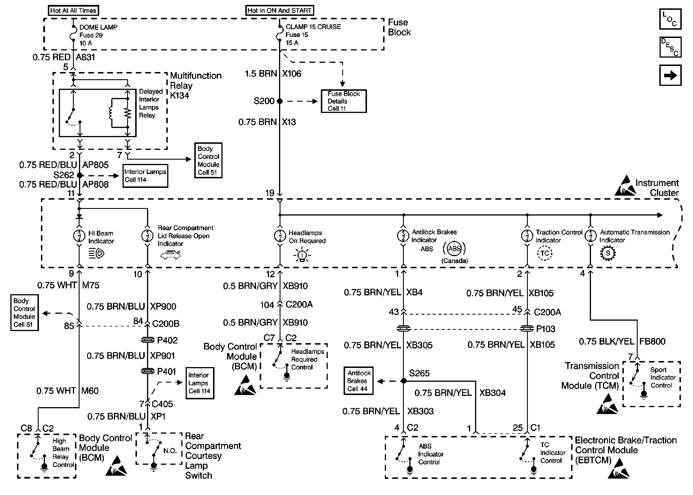
Figure 1:

Cell 81 - Hi Beam, Trk. Lid Open, Headlps On, ABS and Traction Control Indicators


Object Number: 294859  Size: FS
Figure 2:

Cell 81 -- Airbag, Automatic Transmission and Check Engine MIL Indicators


Object Number: 242350  Size: FS
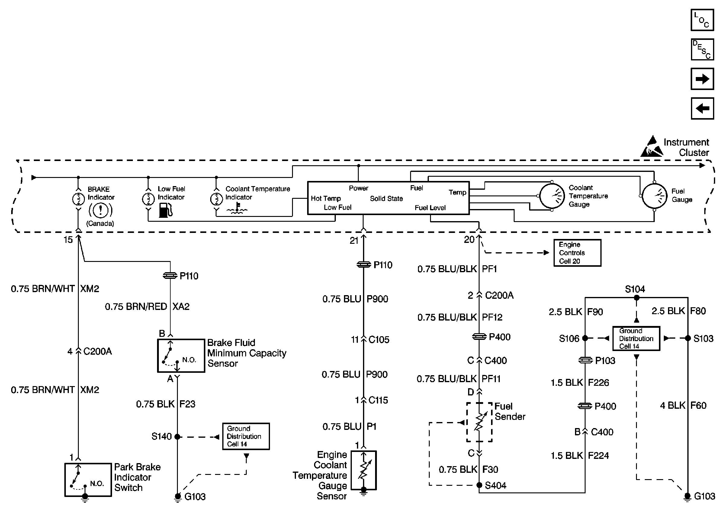
Figure 3:

Cell 81 -- Coolant Temp Indicator, Coolant Temp and Fuel Gauges


Object Number: 242354  Size: FS
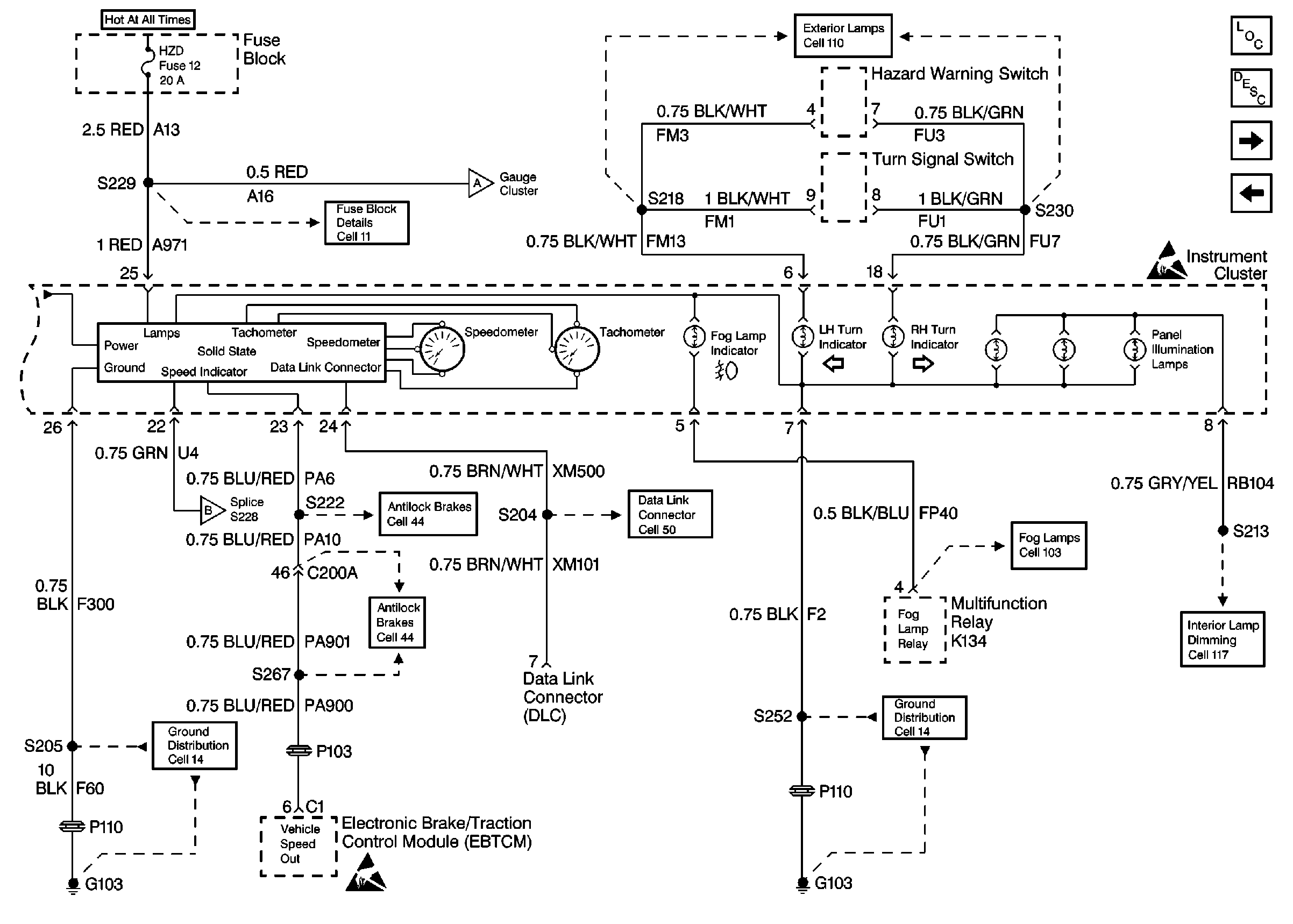
Figure 4:

Cell 81 - IPC Power, Ground, DLC, VSS Input and Hazard Warning Sw.


Object Number: 294861  Size: FS
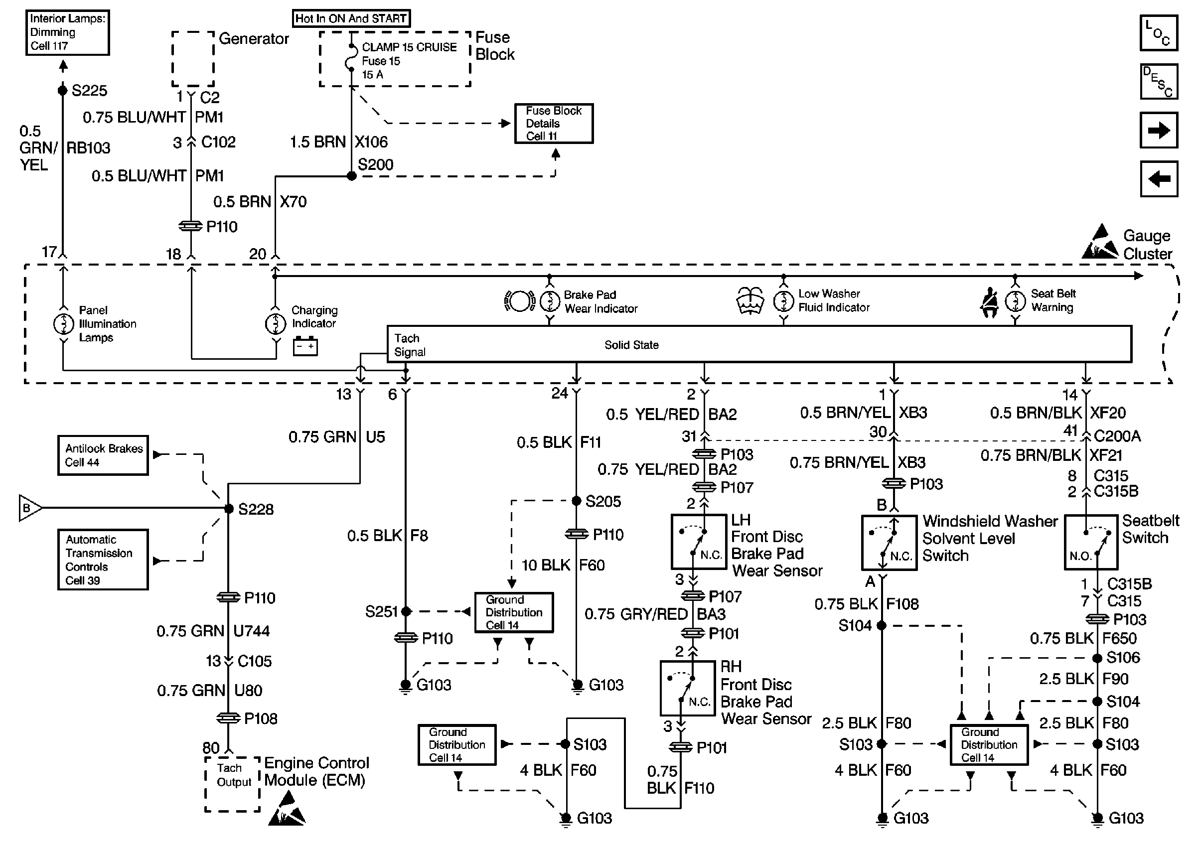
Figure 5:

Cell 81 -- Charging, Brake Pad Wear and Low Washer Fluid Indicators


Object Number: 242396  Size: FS
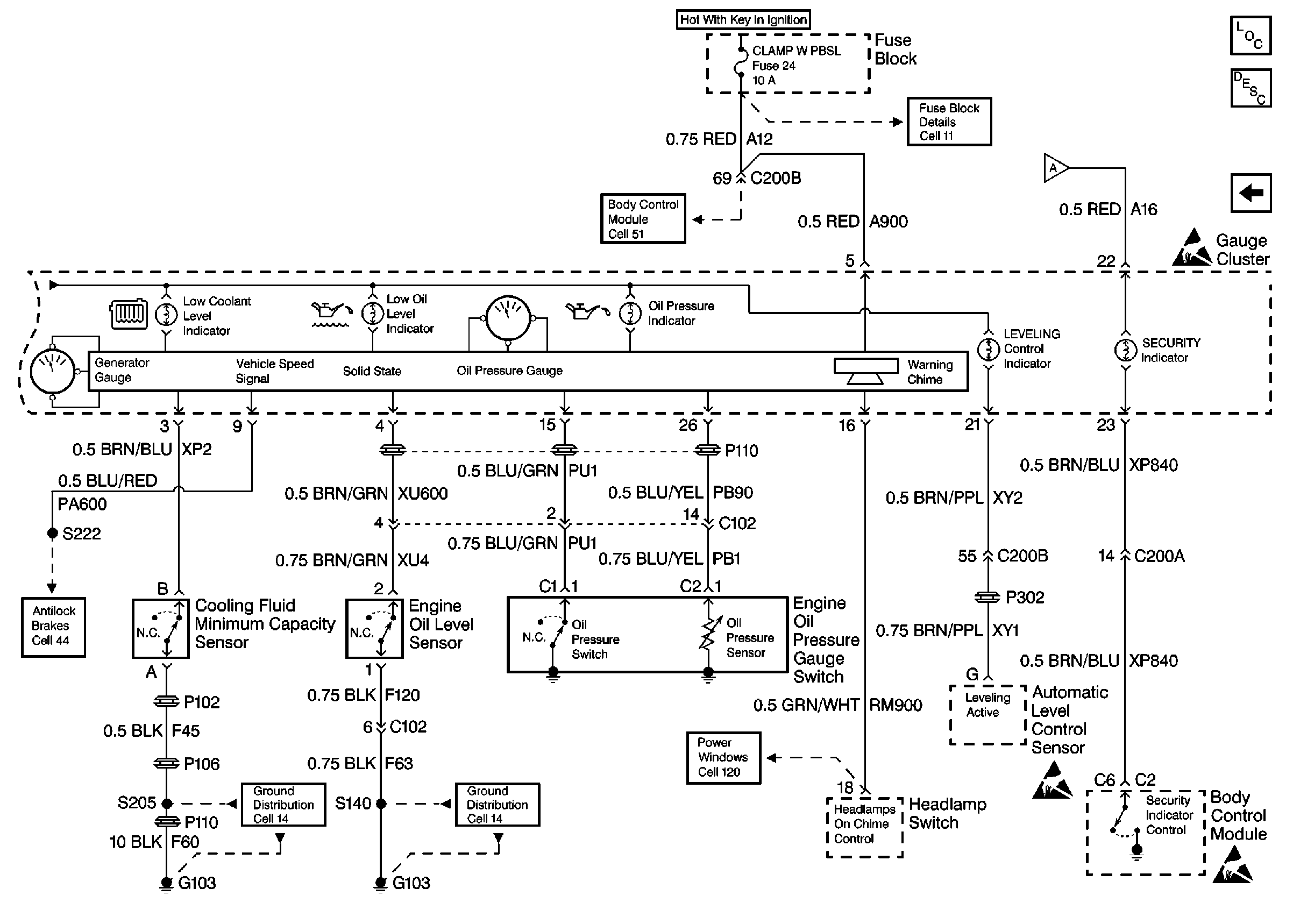
Figure 6:

Cell 81 -- Generator and Oil Pressure Gauges


Object Number: 242411  Size: FS