GM Service Manual Online
For 1990-2009 cars only
Makes
🢒
Cadillac
🢒
1997
🢒
Catera
🢒
Body and Accessories
🢒
Body Rear End
🢒 Release Systems Schematics
Figure
1:
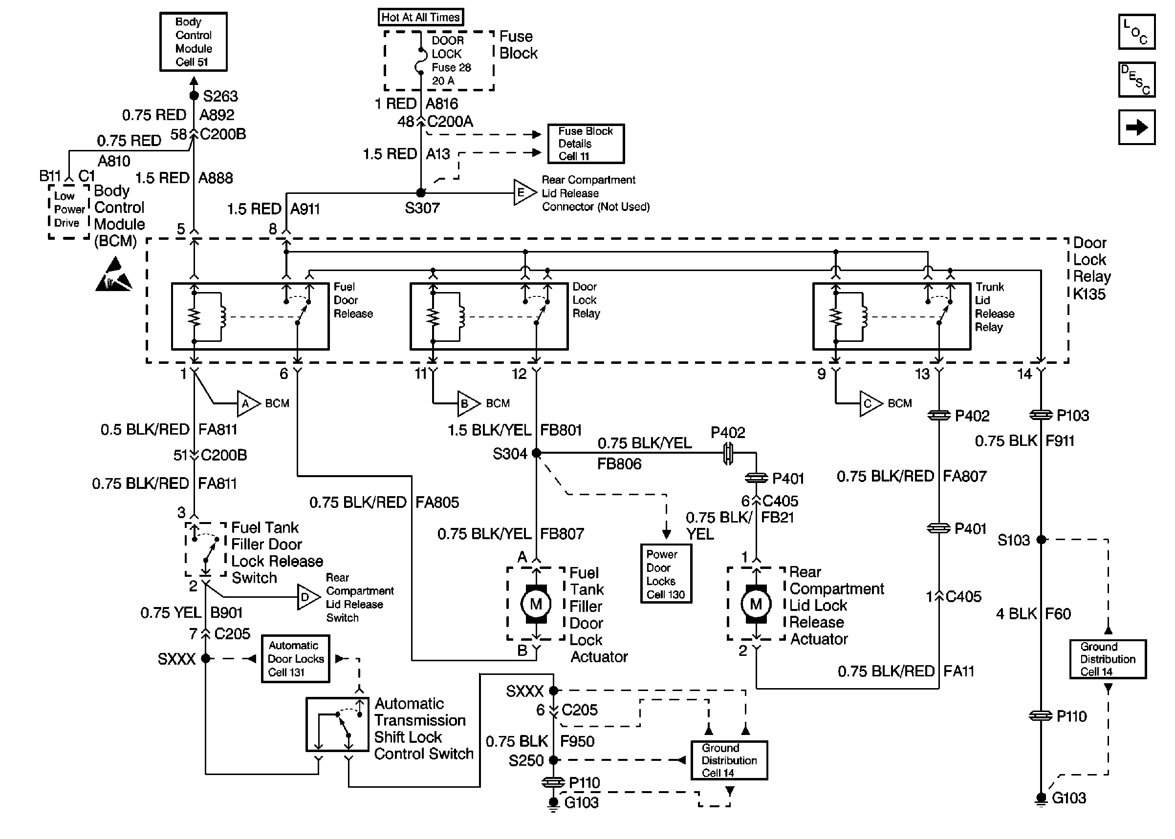
Cell 134 Door Lock Relay K135 and Actuators
Body Rear End Components
Fuel Filler Door Release Circuit Description
Cell 134 BCM and Rear Compartment Lid Release Switch
Body Control System Schematics
Fuse Block Schematics Schematics
Ground Distribution Schematics
Ground Distribution Schematics
Door Lock/Indicator Schematics Power Door Lock Schematics
Figure
2:
Cell 134 BCM and Rear Compartment Lid Release Switch
Body Rear End Components
Fuel Filler Door Release Circuit Description
Cell 134 Door Lock Relay K135 and Actuators