GM Service Manual Online
For 1990-2009 cars only
Figure 1:

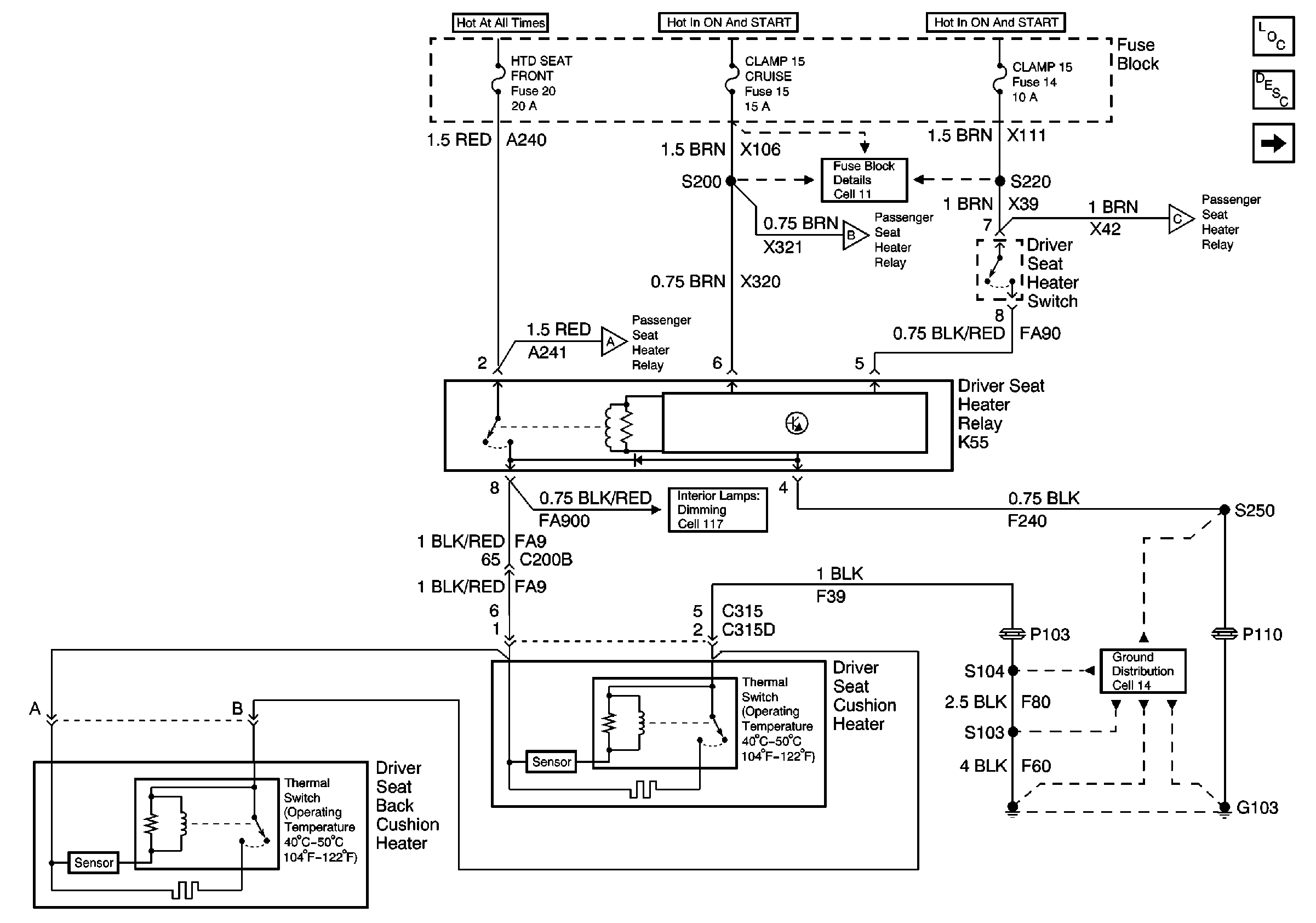
Cell 143 Driver Seat Heater Switch and Heater Relay K55


Object Number: 245967  Size: FS
Power Seat Systems Components
Heated Seats Circuit Description
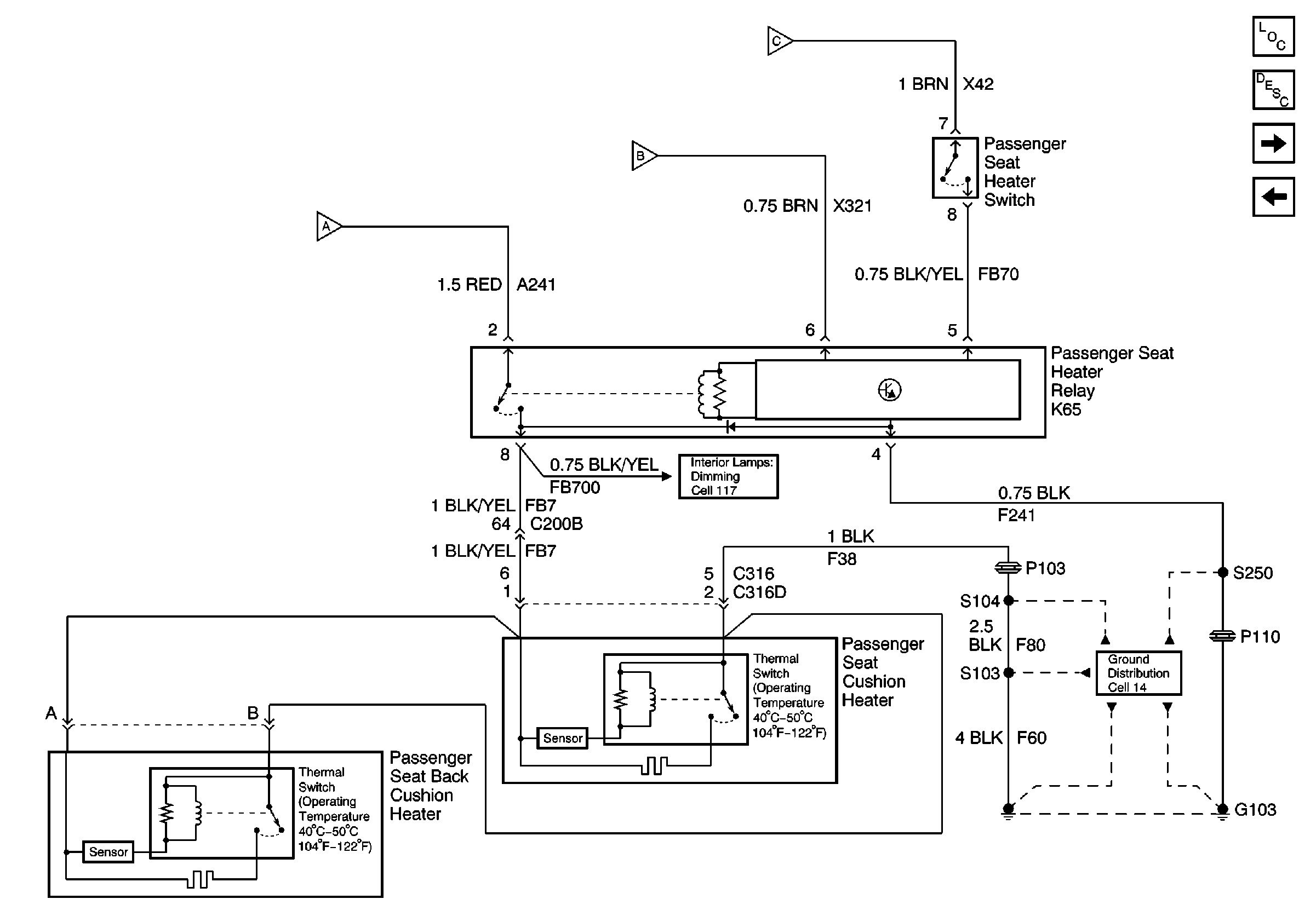
Cell 143 Passenger Seat Heater Switch and Heater Relay K56
Fuse Block Schematics Schematics
Interior Lights Dimming Schematics
Ground Distribution Schematics
Figure 2:

Cell 143 Passenger Seat Heater Switch and Heater Relay K56


Object Number: 245969  Size: FS
Power Seat Systems Components
Heated Seats Circuit Description
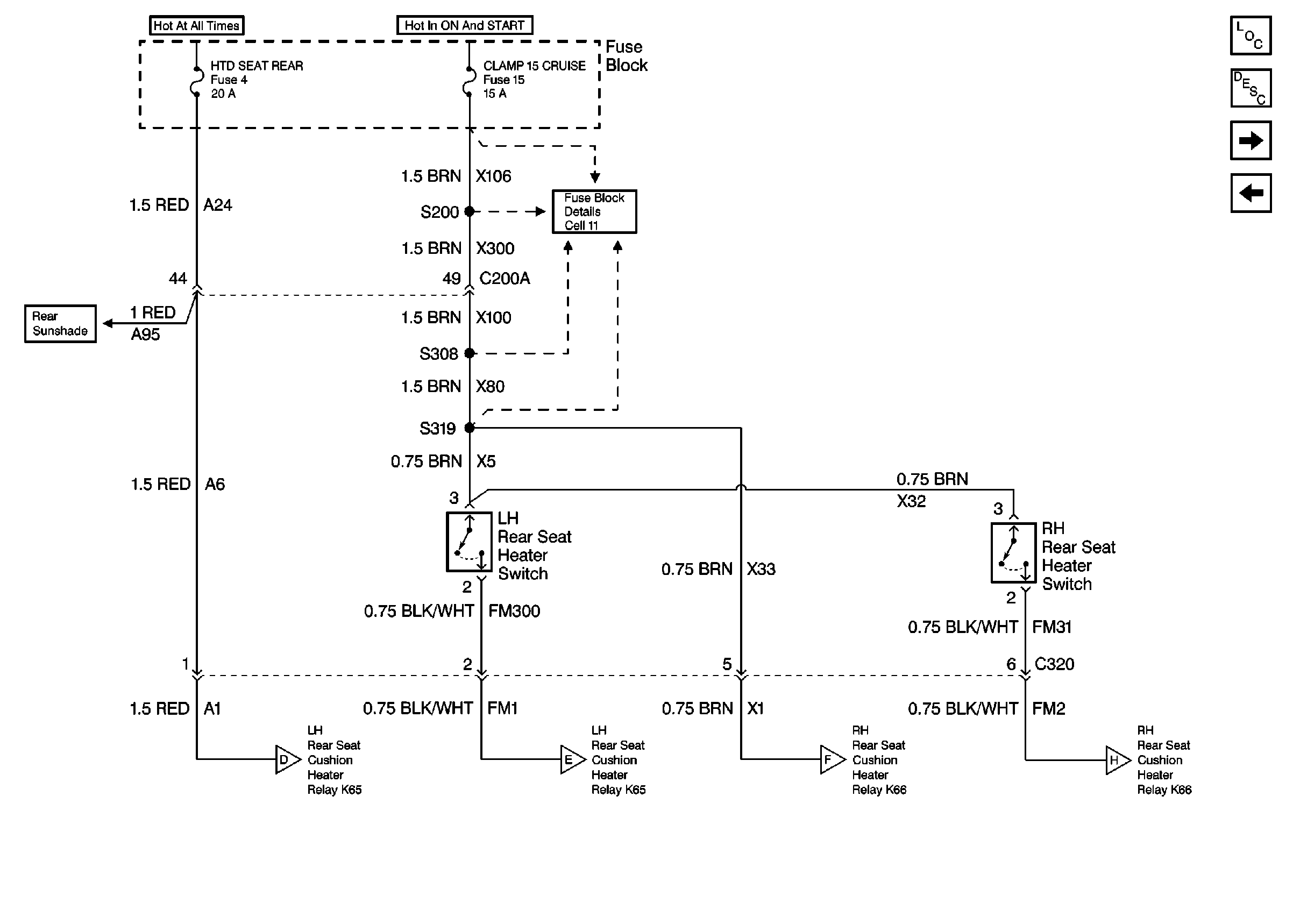
Cell 143 LH and RH Rear Seat Heater Switches
Cell 143 Driver Seat Heater Switch and Heater Relay K55
Interior Lights Dimming Schematics
Ground Distribution Schematics
Figure 3:

Cell 143 LH and RH Rear Seat Heater Switches


Object Number: 245972  Size: FS
Power Seat Systems Components
Heated Seats Circuit Description
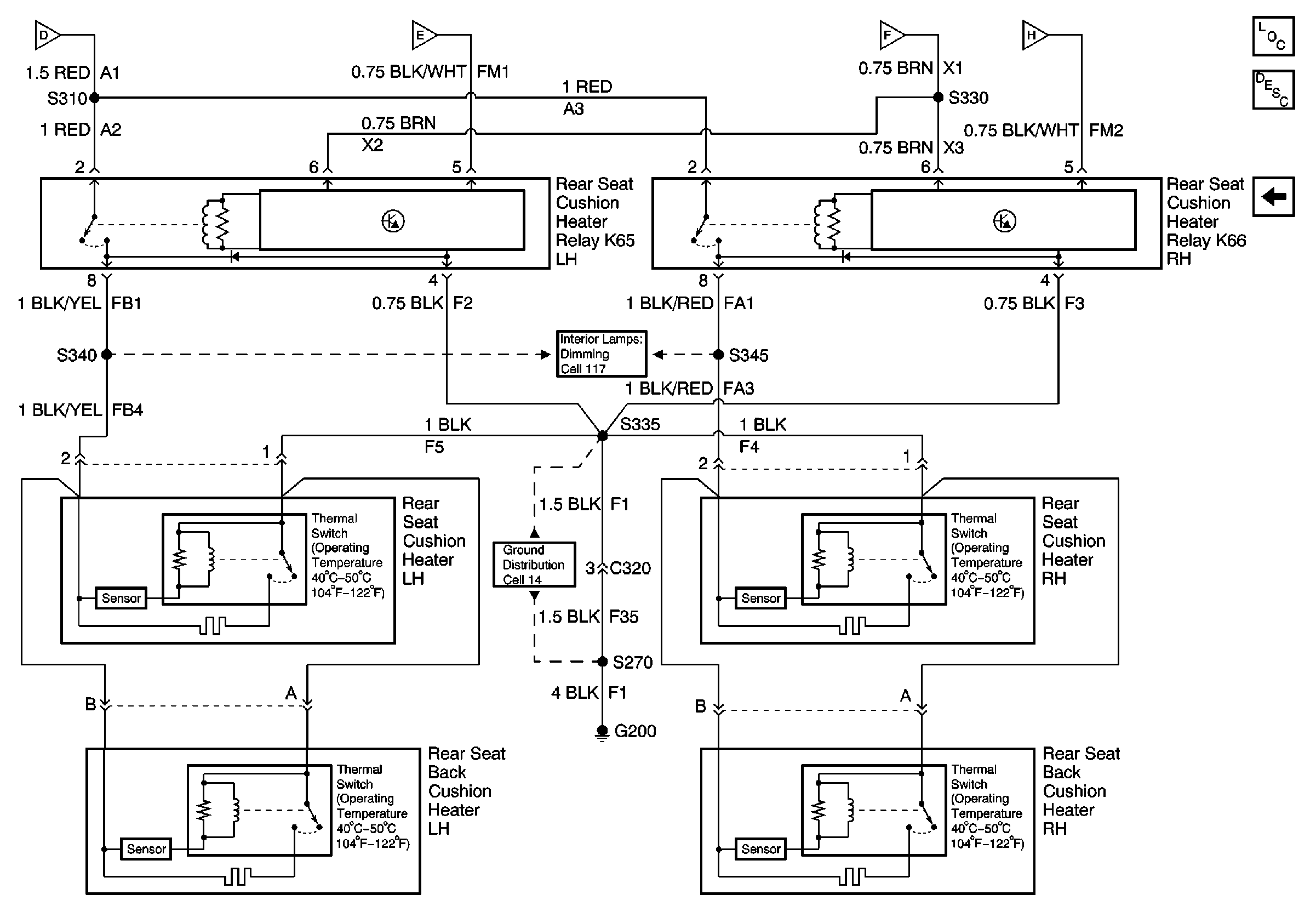
Cell 143 LH and RH Rear Seat Cushion Heater Relays
Cell 143 Passenger Seat Heater Switch and Heater Relay K56
Fuse Block Schematics Schematics
Figure 4:

Cell 143 LH and RH Rear Seat Cushion Heater Relays


Object Number: 245976  Size: FS
Power Seat Systems Components
Heated Seats Circuit Description
Cell 143 LH and RH Rear Seat Heater Switches
Interior Lights Dimming Schematics
Ground Distribution Schematics