GM Service Manual Online
For 1990-2009 cars only
Makes
🢒
Cadillac
🢒
1997
🢒
Catera
🢒
Body and Accessories
🢒
Seats
🢒 Memory Seats Schematics
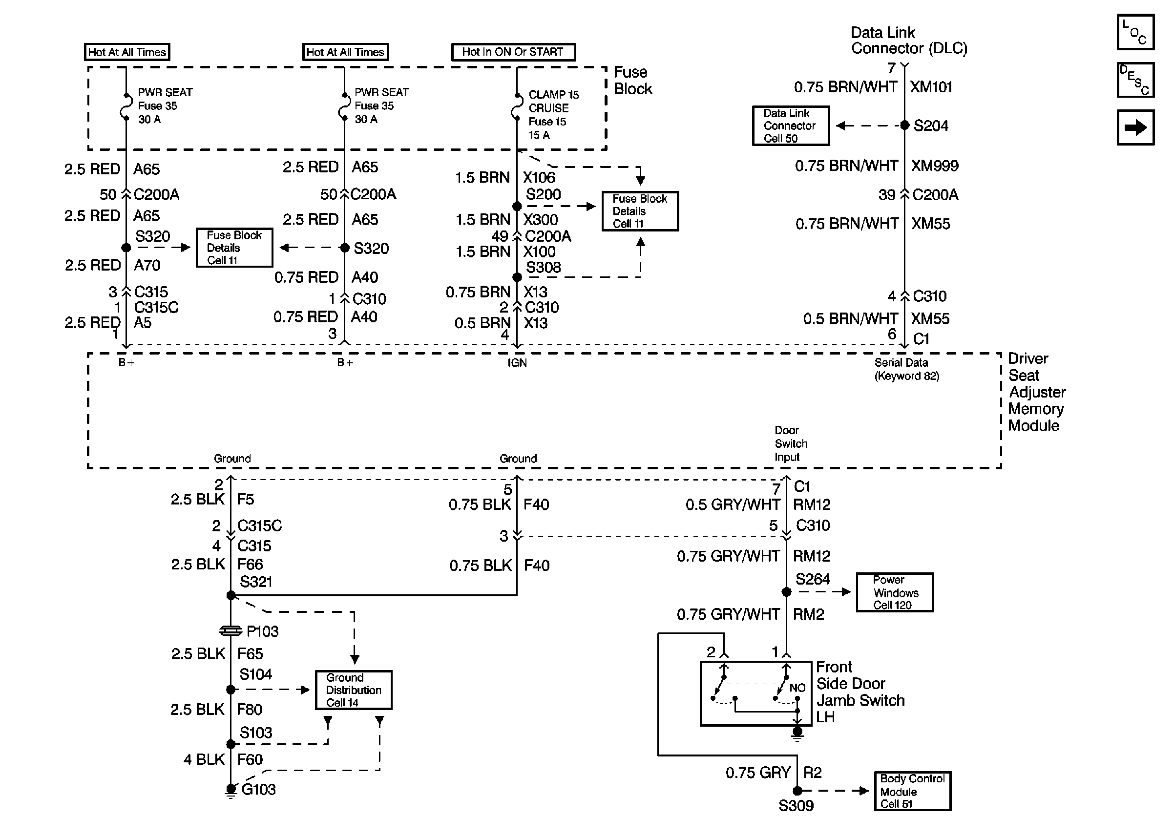
Figure
1:
Cell 141 Driver Seat Adjuster Memory Module Power and Ground
Power Seat Systems Components
Power Seats Circuit Description
Cell 141 Driver Seat Adjuster Switch and Actuator Motors With Memory
Fuse Block Schematics Schematics
Fuse Block Schematics Schematics
Data Link Connector Schematics
Ground Distribution Schematics
Power Window Schematics
Body Control System Schematics
Figure
2:
Cell 141 Driver Seat Adjuster Switch and Actuator Motors With Memory
Power Seat Systems Components
Power Seats Circuit Description
Cell 141 Driver Seat Adjuster Memory Module Power and Ground