GM Service Manual Online
For 1990-2009 cars only
Makes
🢒
Cadillac
🢒
1997
🢒
Catera
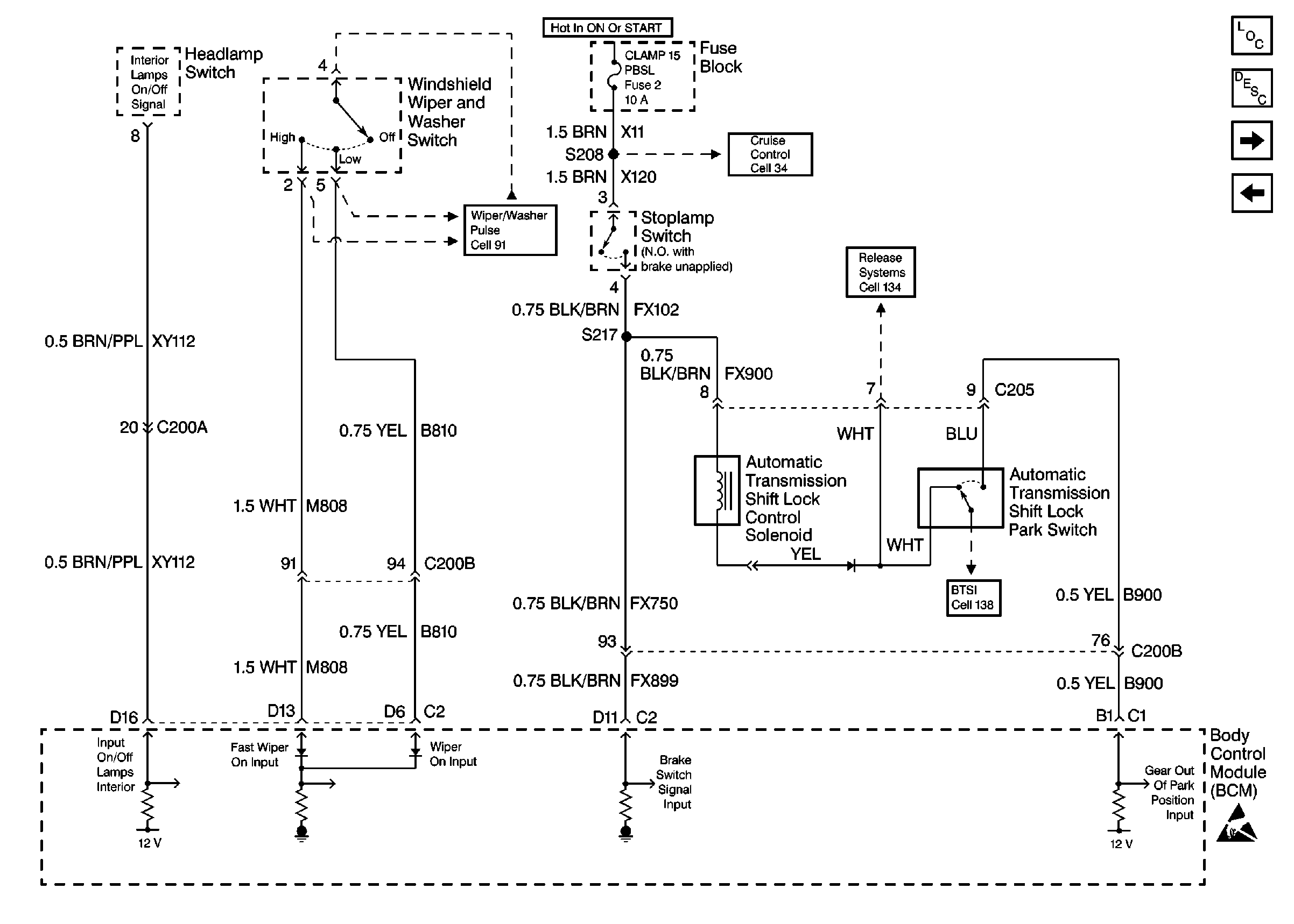
🢒 Cell 51: Fast Wiper Input, Interior and Stop Lamps Switch Input
Cell 51: Fast Wiper Input, Interior and Stop Lamps Switch Input
Cell 51: Fast Wiper Input, Interior and Stop Lamps Switch Input