GM Service Manual Online
For 1990-2009 cars only
Makes
🢒
Cadillac
🢒
1997
🢒
Catera
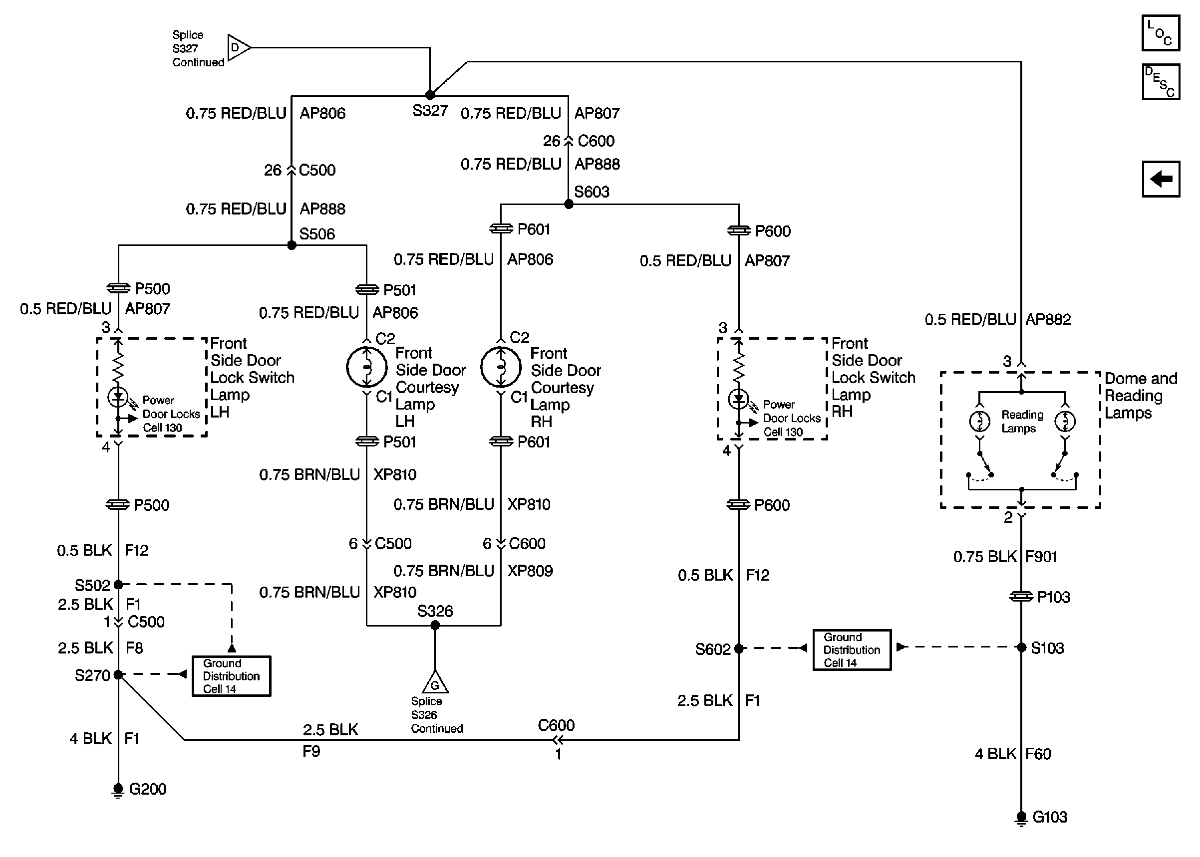
🢒 Cell 114 Courtesy Lamps and Front Door Lock Switch Lamps
Cell 114 Courtesy Lamps and Front Door Lock Switch Lamps
Cell 114 Courtesy Lamps and Front Door Lock Switch Lamps
Lighting Systems Components
Interior Lights Circuit Description
Cell 114 Roof Rail Courtesy Lamps and Rear Side Door Jamb Switches
Cell 114 Sunshade Mirror Lamps, Dome and Reading Lamps, and I/P Compartment Lamp
Cell 114 Sunshade Mirror Lamps, Dome and Reading Lamps, and I/P Compartment Lamp
Cell 114 BCM, Multifunction Relay K134, and Front Side Door Jamb Switch
Cell 114 Sunshade Mirror Lamps, Dome and Reading Lamps, and I/P Compartment Lamp
Cell 14 Door Lock Relay K135, ALC Sensor, and EBTCM