GM Service Manual Online
For 1990-2009 cars only
Makes
🢒
Cadillac
🢒
1997
🢒
Catera
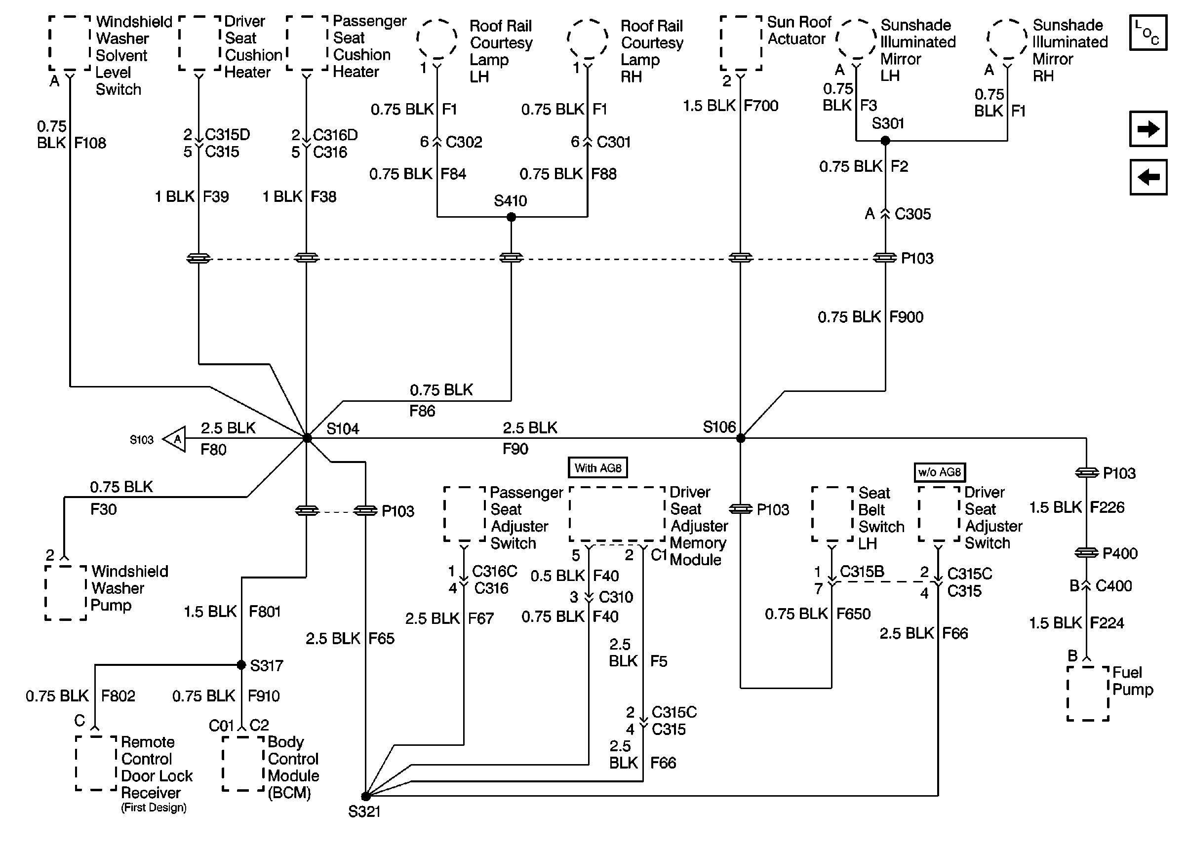
🢒 Cell 14 BCM, Sun Roof Actuator, Driver's Seat Adjuster Memory Module, and Courtesy Lamps
Cell 14 BCM, Sun Roof Actuator, Driver's Seat Adjuster Memory Module, and Courtesy Lamps
Cell 14 BCM, Sun Roof Actuator, Driver's Seat Adjuster Memory Module, and Courtesy Lamps
Power and Grounding Components
Cell 14 Headlamp Switch, Gauge Cluster, Horn Relay, and Instrument Clusters
Cell 14 Door Lock Relay K135, ALC Sensor, and EBTCM
Cell 14 Door Lock Relay K135, ALC Sensor, and EBTCM