GM Service Manual Online
For 1990-2009 cars only
Makes
🢒
Cadillac
🢒
1997
🢒
Catera
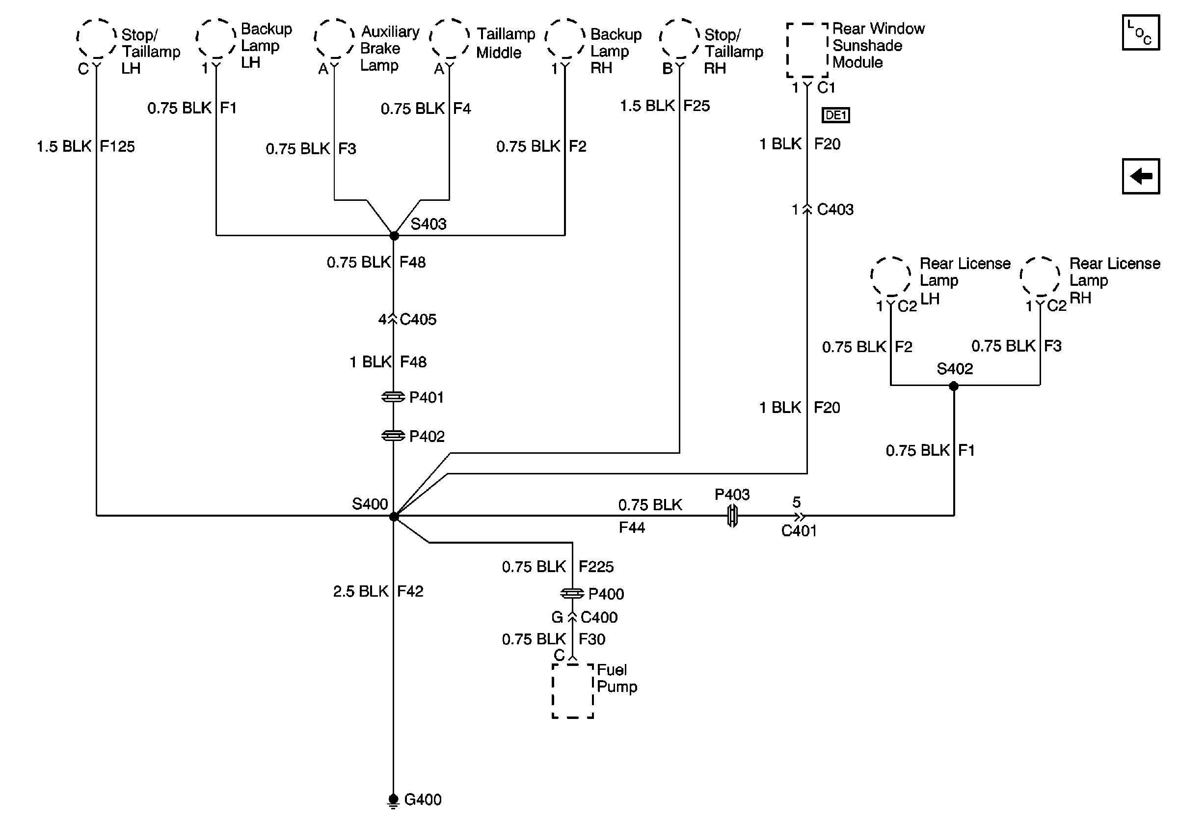
🢒 Cell 14 Fuel Pump, Sunshade Motor, and Rear Exterior Lamps
Cell 14 Fuel Pump, Sunshade Motor, and Rear Exterior Lamps
Cell 14 Fuel Pump, Sunshade Motor, and Rear Exterior Lamps
Power and Grounding Components
Cell 138: Park/Neutral Position Switch and Automatic Transmission Controller (Utility w/ Floor Shift)