GM Service Manual Online
For 1990-2009 cars only
Makes
🢒
Cadillac
🢒
1997
🢒
Catera
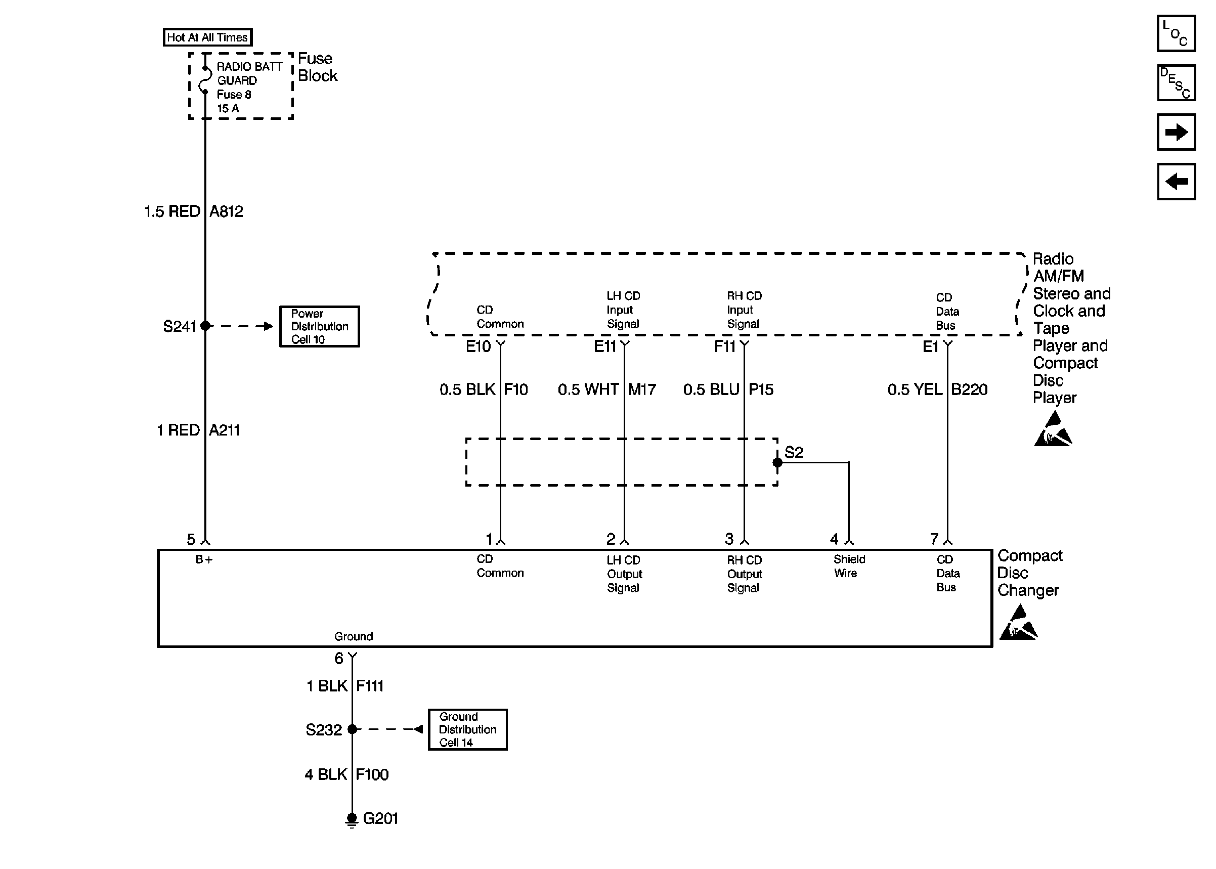
🢒 Cell 150 Radio and Compact Disk Changer (Base System)
Cell 150 Radio and Compact Disk Changer (Base System)
Cell 150 Radio and Compact Disk Changer (Base System)
Entertainment Components
Radio/Audio System Description
Cell 150 Radio and All Speakers (Base System)
Cell 150 Radio Antenna Amplifier and Steering Wheel Radio Controll Switch (Both Systems)
Cell 10 Fuse Block, WSWA System, and Multifunction Relay
Handling Electrostatic Discharge Sensitive Parts Notice
Handling Electrostatic Discharge Sensitive Parts Notice