GM Service Manual Online
For 1990-2009 cars only

DTC 13 LH Air Outlet Sensor Open Circuit Early Software Version


Object Number: 243021  Size: LF

Circuit Description

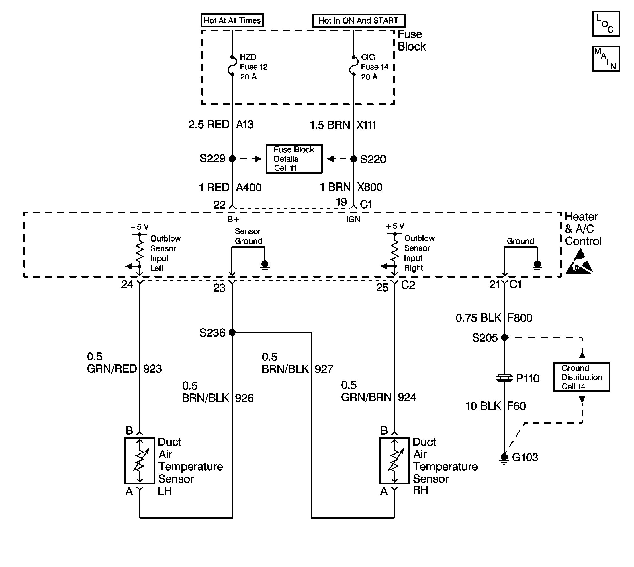
The air outlet temperature sensor is located in the left air duct attached to the air distribution module. In this position, it is exposed to airflow through the module before the air enters the passenger compartment. This provides a sample of the outlet air temperature.

The sensor is a thermistor used to control the signal voltage at the heater and A/C control. The heater and A/C control supplies a reference voltage (about 5 volts) on CKT 923 to the sensor and measures the voltage drop in the circuit to obtain a temperature signal. This signal is an input that tells the heater and A/C control how much cooling or heating will be required to deliver to the passenger compartment. After an initial start-up, the heater and A/C control uses the temperature input from the inside air temperature sensor for automatic control. Eventually the air outlet temperature sensor input overrides the input from the inside air temperature sensor and becomes the primary temperature input to the heater and A/C control.

When the air outlet temperature is cold, the thermistor resistance is high; therefore, the heater and A/C control will receive a high signal voltage input. If the air outlet temperature is hot, the thermistor resistance is low, the heater and A/C control will receive a low signal voltage input.

Conditions for Setting the DTC

    • With the ignition in the ON position, CKT 923 is checked continuously every 200 ms.
    • CKT 923 stays at 4.5 V or higher.

Action Taken When the DTC Sets

    • Stores a DTC 13 in the heater and A/C control memory.
    • The system will use 41°C (106°F) as a default value.

Conditions for Clearing the DTC

    • The conditions for the fault are no longer present.
    • Using a scan tool.
    • A history DTC will clear after 20 consecutive ignition cycles if the conditions for the fault is no longer present.

Diagnostic Aids

    • If the DTC is a history or an intermittent. Try performing the tests shown while "wiggling" wiring and connectors, this can often cause the malfunction to appear.
    • Visually inspect the sensor connector and harness for damage, corrosion or water intrusion.
    • Poor mating of the connector halves or a terminal not fully seated in the connector body (backed out)
    • Improperly formed or damaged terminals. All connector terminals in the related circuits should be carefully reformed or replaced to insure proper contact tension.
    • Poor terminal to wire connection. Inspect for poor crimps, crimping over wire insulation rather than the wire.
    • Dirt or corrosion on terminals. Inspect connector seals for being there and for being damaged.

Test Description

The numbers below refer to the step numbers on the diagnostic table.

  1. This step checks both sides of the circuit. The reference voltage circuit and the sensor ground circuit. If the voltage measured is approximately 4.5 - 5.5V, the circuit is complete?

  2. This step checks for a possible intermittent condition. When moving related harnesses and harness connectors, visually/physically inspect wiring and connectors.

  3. This step remeasures the voltage but with the DMM connected to another ground point.

  4. Disconnecting the heater and A/C control will allow using the DMM to check continuity of the circuit. This will aid in locating an open circuit.

  5. This step replaces the heater and A/C control. If the DTC continues to reset, after all circuits were checked and no faults found or repaired, usually indicates that an internal failure has occurred in the heater and A/C control.

Step

Action

Value(s)

Yes

No

1

Was the Air Delivery System Check performed?

--

Go to Step 2

Go to Air Delivery System Check

2

  1. Disconnect the electrical connector from the LH air outlet sensor.
  2. Connect the DMM in series between connector terminals A and B.
  3. Turn ON the ignition switch.

Is the voltage reading within the specified value?

4.5 - 5.5 V

Go to Step 3

Go to Step 4

3

  1. Problem may be intermittent at this time.
  2. While monitoring the DMM, move related harnesses and harness connectors at the component and the heater and A/C control.

Does the voltage reading change while a related harness or connector is being moved?

--

Go to Step 5

Go to Step 6

4

  1. Remove the DMM negative lead from the connector and connect it to a good ground.
  2. Remeasure the voltage.

Is the voltage reading within the specified value?

4.5 - 5.5 V

Go to Step 7

Go to Step 8

5

Locate and repair damaged connector or wiring harness.

Is the repair complete?

Go to Step 9

6

Replace the LH air outlet temperature sensor. Refer to A/C Temperature Sensor Replacement.

Is the replacement complete?

--

Go to Step 9

--

7

Locate and repair the open ground in CKT 926.

Is the circuit repair complete?

--

Go to Step 9

--

8

  1. Turn OFF the ignition switch.
  2. Remove the heater and A/C control and disconnect connector C2.
  3. Connect the DMM between terminals 24 and B and measure the resistance of CKT 923 (GRN/RED wire).

Is the resistance reading within the specified value?

0 - 5 ohms

Go to Step 9

Go to Step 11

9

  1. Reassemble any connectors/components removed.
  2. Install the scan tool and clear codes.
  3. Recheck for the DTC.

Does the DTC reset?

--

Go to Step 10

Go to Air Delivery System Check

10

Replace and program the heater and A/C control. Refer to Heater and A/C Control Replacement for the programming procedure.

Is the replacement complete?

--

Go to Air Delivery System Check

--

11

Locate and repair the open sensor signal wire in CKT 923.

Is the circuit repair complete?

--

Go to Step 9

--

DTC 13 LH Air Outlet Sensor Open Circuit Latest Software Version

Test Description

The numbers below refer to the step numbers on the diagnostic table.

  1. Determines if the malfunction is present.

  2. If the LH air outlet temperature voltage is at or near zero volts, indicates the heater and A/C control and the sensor wiring are OK.

  3. When moving related harnesses and harness connectors, visually/physically inspect wiring and connectors for the following:

  4. • Wire insulation that is rubbed through, causing an intermittent short.
    • Wiring broken inside the insulation.
    • Poor mating of the connector halves or a terminal not fully seated in the connector body (backed out).
    • Improperly formed or damaged terminals. All connector terminals in the related circuits should be carefully reformed or replaced to insure proper contact tension.
    • Poor terminal to wire connection. Inspect for poor crimps, crimping over wire insulation rather than the wire.
    • Dirt or corrosion on terminals. Inspect connector seals for being there and for being damaged.
  5. If the LH air outlet temperature sensor voltage is at or near zero volts, indicates the signal circuit is OK.

  6. Disconnecting the heater and A/C control will allow using the DMM to check continuity of the circuits. This will aid in locating a shorted circuit.

  7. Disconnecting the heater and A/C control will allow using the DMM to check continuity of the circuits. This will aid in locating an open circuit.

Step

Action

Value(s)

Yes

No

1

Was the Air Delivery System Check performed?

--

Go to Step 2

Go to HVAC Air Delivery System Check

2

  1. Install the scan tool.
  2. Select LEFT AIR OUTLET SENSOR TEMPERATURE and display the voltage.

Does the scan tool display the specified value?

More than 4.5 V

Go to Step 3

Go to Step 4

3

  1. Disconnect the electrical connector from the sensor.
  2. Jumper the harness terminals together.

Does the scan tool display the specified value?

Less than 0.2 V

Go to Step 5

Go to Step 6

4

While monitoring the scan tool, move related harnesses and harness connectors at the component and the heater and A/C control.

Does the sensor value change while a related harness or connector is being moved?

--

Go to Step 7

Go to Diagnostic Aids

5

Replace the LH air outlet temperature sensor. Refer to Air Conditioning (A/C) Temperature Sensor Replacement .

Is the replacement complete?

--

Go to Step 10

--

6

Jumper sensor signal CKT 923 to ground.

Is the air outlet temperature sensor voltage within the specified value?

Less than 0.2 V

Go to Step 8

Go to Step 9

7

Locate and repair damaged connector or wiring harness.

Is the repair complete?

--

Go to Step 10

--

8

  1. Turn OFF the ignition switch.
  2. Disconnect the heater and A/C control connector C2.
  3. Check the LH air outlet temperature sensor ground circuit for an open.

Is the ground circuit open?

--

Go to Step 11

Go to Step 12

9

  1. Turn OFF the ignition switch.
  2. Disconnect the heater and A/C control connector C2.
  3. Check the LH air outlet temperature sensor signal circuit for an open.

Is the signal circuit open?

--

Go to Step 13

Go to Step 12

10

  1. Reassemble any connectors/components removed.
  2. Install the scan tool and clear codes.
  3. Recheck for the DTC.

Does the DTC reset?

--

Go to Step 2

Go to HVAC Air Delivery System Check

11

Repair open ground circuit.

Is the repair complete?

--

Go to Step 10

--

12

Replace and program the heater and A/C control. Refer to Control Assembly Replacement .

Is the replacement complete?

--

Go to Step 10

--

13

Repair open sensor signal wire.

Is the repair complete?

--

Go to Step 10

--