GM Service Manual Online
For 1990-2009 cars only

Object Number: 242534  Size: LF

Circuit Description

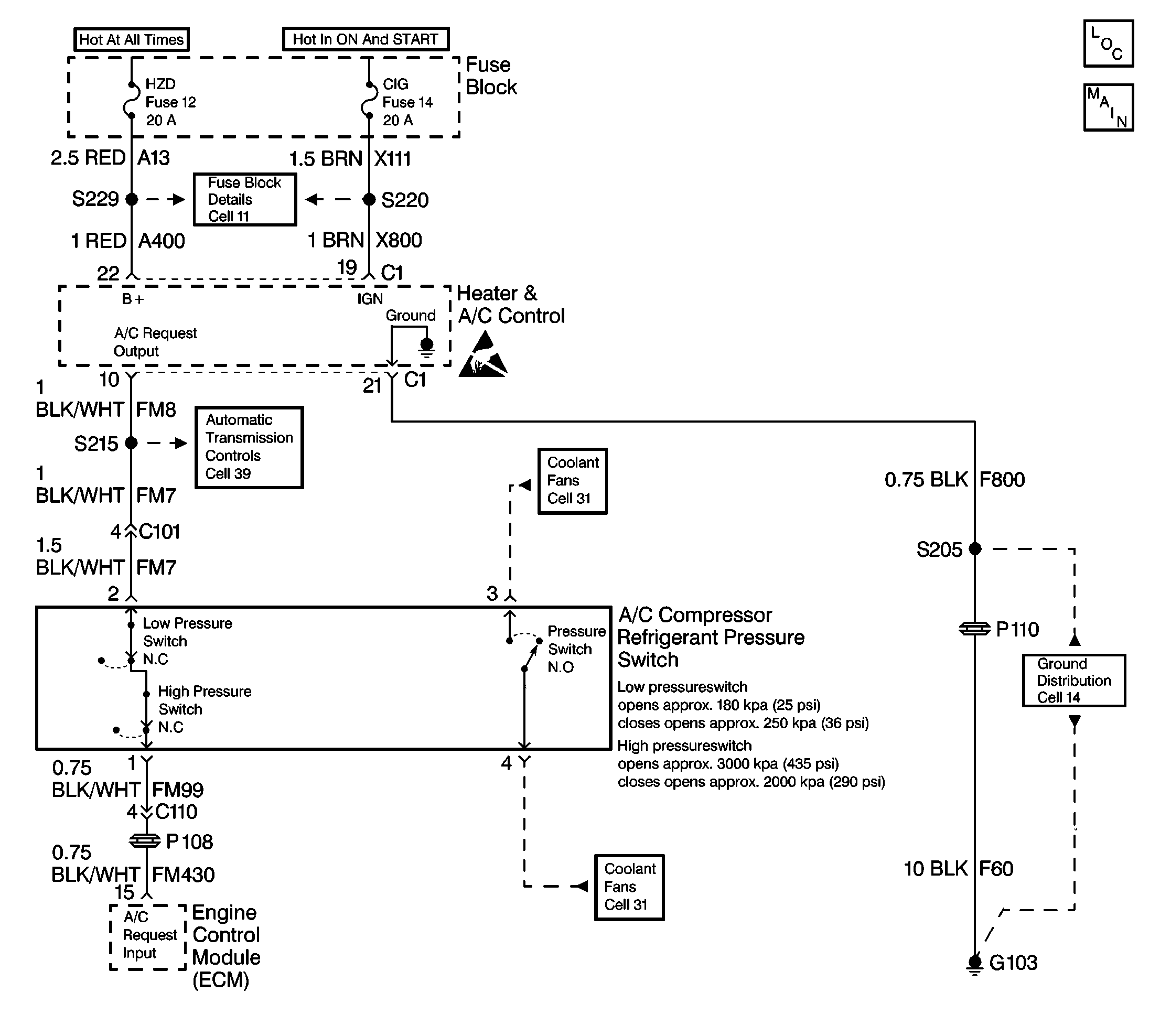
The A/C switch is a momentary switch that returns to the rest position after it is pressed to the ON or OFF position. When it is pressed to the ON position, it supplies voltage to the A/C compressor refrigerant pressure switch. The pressure switch is a normally closed switch when the pressure in the refrigerant line is approximately 180 KPa (36 psi). With the pressure switch closed, voltage is supplied to the Engine Control Module (ECM) at terminal 15. When the ECM receives this signal, it grounds the A/C compressor relay coil which energizes the relay closing the relay contacts. Voltage is now supplied to the A/C compressor clutch coil which energizes allowing the compressor to engage.

The heater and A/C control monitors the ECM when it energizes or de-energizes the A/C compressor relay coil. The heater and A/C control monitors the circuit at terminal 9 connector C1. This circuit is in parallel with the control side of the relay coil.

Conditions for Setting the DTC

    • The heater and A/C control monitors the request circuit for a short to voltage every 200 ms on a continuous basis.
    • The heater and A/C control detects a short to voltage in the request circuit. This DTC will only set when the A/C request is in the Inactive mode (A/C Off).

Action Taken When the DTC Sets

    • Stores a DTC 36 in the heater and A/C control memory.
    • The heater and A/C control does not disable the output.

Conditions for Clearing the DTC

    • The condition for the fault is no longer present.
    • Using a scan tool.
    • A history DTC will clear after 20 consecutive ignition cycles if the condition for the fault is no longer present.

Diagnostic Aids

    • If the DTC is a history or an intermittent. Try to perform the test shown while "wiggling" wiring harnesses and connectors, this often can cause the malfunction to appear.
    • When moving related harnesses and harness connectors, visually/physically inspect wiring and connectors for the following:
       - Dirt or corrosion on the terminals. The terminals must be clean and free of any foreign material which could impede proper terminal contact.
       - Damaged connector body, exposing the terminals to moisture and dirt, as well as not maintaining proper terminal orientation with the component or mating connector.
       - Wire insulation which is rubbed through, causing an intermittent short as the bare area touches other wiring or parts of the vehicle.
    • Check the power and ground circuits before replacing the heater and A/C control.

Test Description

The number(s) below refer to the step number(s) on the diagnostic table.

  1. This step tests for a short to voltage. Make sure that the heater and A/C control selections are in the Off position.

  2. This step isolates the circuit where the short to voltage exists.

Step

Action

Value(s)

Yes

No

1

Was the Compressor Controls System Check performed?

 

Go to Step 2

Go to HVAC Compressor Controls System Check

2

  1. Disconnect ECM connector C2.
  2. Make sure that all selections on the heater and A/C control are OFF.
  3. Measure the voltage at connector C2 terminal 58.

Does the voltage measure less than the specified value?

0.1 V

Go to Step 3

Go to Step 4

3

Problem may be intermittent at this time. Move related harnesses and harness connectors while monitoring the DMM.

Was a problem found and repaired?

--

--

Go to Step 5

4

  1. Disconnect the connector from the A/C compressor refrigerant pressure switch.
  2. Measure the voltage at harness connector terminal 2.

Does the voltage measure less than the specified value?

0.1 V

Go to Step 6

Go to Step 7

5

  1. Reassemble components/connectors removed.
  2. Install a scan tool and clear codes.
  3. Recheck for DTC 35.

Is a current DTC 35 set?

--

Go to Step 8

Go to HVAC Compressor Controls System Check

6

Locate and repair the short to voltage in CKTs FM 99 or FM430.

Is the circuit repair complete?

--

Go to Step 5

--

7

    • Remove the heater and A/C control. For the removal procedure refer to Control Assembly Replacement .
    • Disconnect connector C1.
    • Measure the voltage at terminal 10 connector C1.

Does the voltage measure less than the specified value?

0.1 V

Go to Step 5

Go to Step 9

8

Replace and program the heater and A/C control. For the programming procedure, refer to Control Assembly Replacement .

Is the replacement and programming complete?

--

Go to HVAC Compressor Controls System Check

--

9

Locate and repair the short to voltage in CKTs FM7 or FM8.

Is the circuit repair complete?

--

Go to Step 5

--