GM Service Manual Online
For 1990-2009 cars only

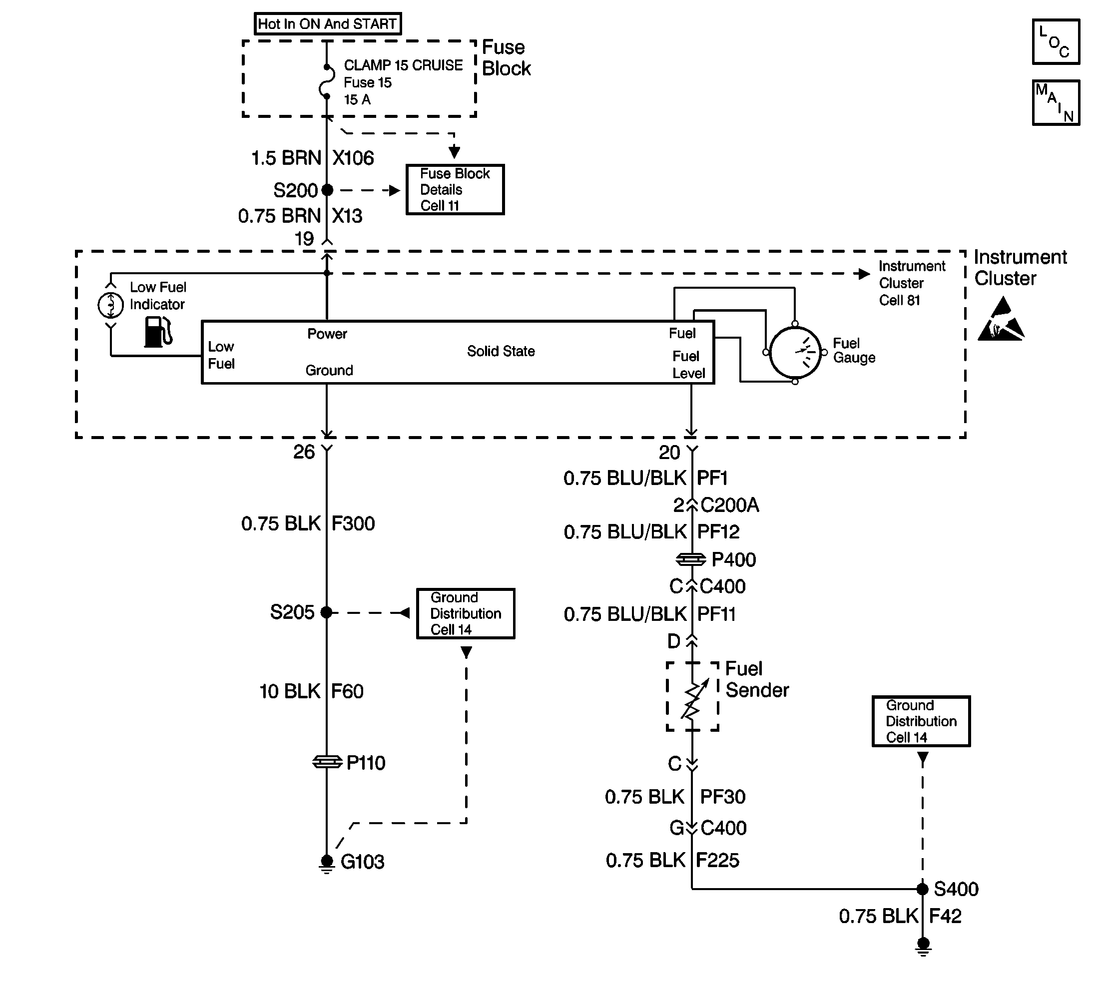
Object Number: 242451  Size: LF

Circuit Description

A microprocessor in the instrument cluster sends voltage to the fuel tank sensor contained inside the fuel tank. A float arm attached to the sensor changes position with the fuel level in the tank. The fuel sensor is a variable resistor, as the fuel level changes the resistance of the fuel sensor changes. The instrument cluster monitors changes in the voltage caused by the changes in the resistance of the sensor to determine fuel level.

Conditions for Setting the DTC

The fuel gauge circuit is tested every 100 ms. DTC 167 will set in the following ways:

    • When the circuit is shorted to ground.
    • The resistance of the fuel sensor is out of range (less than 30 ohms) for more than 8 seconds.

Action Taken When the DTC Sets

    • Stores a DTC 167 in memory.
    • The fuel gauge pointer will return to the zero position.

Conditions for Clearing the MIL/DTC

    • The resistance must be greater than 30 ohms for 4 seconds to clear the fault in the next monitoring cycle.
    • Conditions for the fault are no longer present.
    • Using a scan tool.

Diagnostic Aids

    • If the DTC is a history or intermittent DTC try performing the tests shown while WIGGLING wiring and connectors. This can often cause the malfunction to appear.
    • Visually inspect the harness and the harness connectors for the following conditions:
      • Damage
      • Corrosion
      • Water intrusion
      • Adequate terminal tension
      • Mis-routed harness
      • Rubbed through wire insulation
      • Broken wire inside the insulation
    • Before replacing the instrument cluster check all power and ground circuits to the cluster.

Test Description

The number(s) below refer to the step number(s) on the diagnostic table.

  1. This test determines if the fuel tank sensor is shorted.

  2. This test determines if system voltage is present. No voltage may indicate that a short to ground exists in the circuit.

  3. All the components need to be removed from the circuit to obtain an accurate reading.

  4. After a circuit repair is made. The instrument cluster is checked again to see if the DTC resets indicating an internal failure.

Step

Action

Value(s)

Yes

No

1

Was the Instrument Cluster System Check performed?

--

Go to Step 2

Go to Instrument Cluster System Check

2

  1. Disconnect connector C400.
  2. Use a DMM to measure the resistance from terminal C (sensor side) and a good ground.

Is the resistance reading 30 ohms or less?

--

Go to Step 3

Go to Step 4

3

Replace the fuel tank sensor. Refer to Fuel Controls.

Is the replacement complete?

--

Go to Step 7

--

4

  1. Turn ON the ignition switch.
  2. Measure for voltage from the instrument cluster at harness connector C400 terminal C.

Is the voltage within the specified range?

B+

Go to Step 5

Go to Step 6

5

Move related harnesses and harness connectors while monitoring the DMM.

Was a circuit problem found and repaired?

--

Go to Step 7

Go to Instrument Cluster System Check

6

  1. Disconnect connector C200A.
  2. Measure for voltage from the instrument cluster at C200A terminal 2.

Is the voltage reading within the specified range?

B+

Go to Step 8

Go to Step 9

7

  1. Reinstall connectors and components removed.
  2. Install the scan tool and clear codes.
  3. Recheck for a current DTC 167.

Is a current DTC 167 set?

--

Go to Step 10

Go to Instrument Cluster System Check

8

Repair the short to ground between C200A terminal 2 and C400 terminal C (CKT PF12).

Is the repair complete?

--

Go to Step 7

--

9

  1. Remove the instrument cluster and disconnect the connector. For the removal procedure refer to Instrument Panel, Gauges and Console.
  2. Disconnect the Engine Control Module (ECM) connector.
  3. Measure the resistance from the instrument cluster connector terminal 20 to ground.

Is the resistance within the specified range?

OL

Go to Step 5

Go to Step 11

10

Replace and program the instrument cluster.

Is the replacement complete?

--

Go to Instrument Cluster System Check

--

11

Locate and repair the short to ground in CKT PF1 or the circuit that leads to terminal 73 of the ECM. Refer to Engine Controls in Cell 20 for further details on the ECM circuit.

Is the repair complete?

--

Go to Step 7

--