GM Service Manual Online
For 1990-2009 cars only

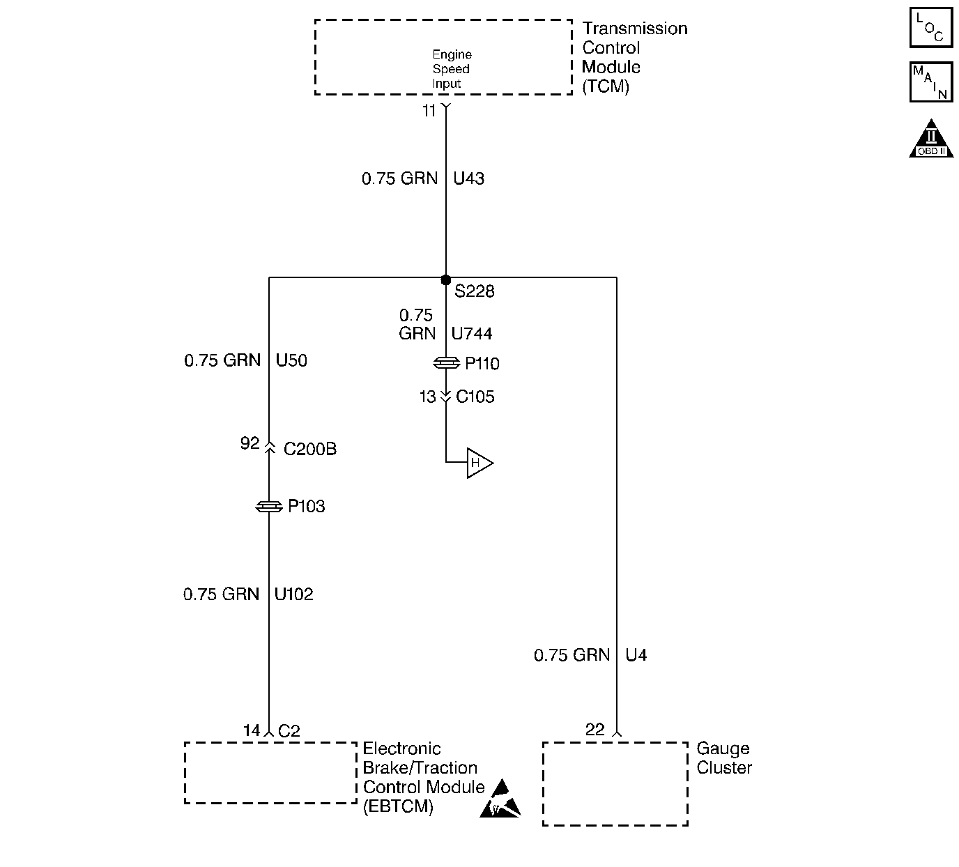
Object Number: 296537  Size: LF
Automatic Transmission Components
Automatic Transmission Controls Schematics
OBD II Symbol Description Notice
Handling ESD Sensitive Parts Notice

Circuit Description

A processed CKP sensor signal is sent to the TCM from the ECM. The TCM calculates the engine speed from this signal. The Engine Speed circuit is pulled up to B+ within the ECM.

Conditions for Running the DTC

    • The Selector Position is not equal to P, R, N.
    • The Transmission Output speed is greater than 1000 RPM.
    • The Throttle position is greater than 12 percent.

Conditions for Setting the DTC

The engine speed indicates less than 96 RPM.

Action Taken When the DTC Sets

    • The TCM illuminates the Service Transmission Lamp (STL) and sends a MIL Request to the ECM on the second consecutive drive trip that the diagnostic runs and fails. The ECM then illuminates the MIL.
    • The ECM records the operating conditions in the Freeze Frame at the time of the MIL Request from the TCM.
    • The transmission operates in the Default Mode.

Conditions for Clearing the MIL/DTC

    • The TCM turns off the STL as soon as the fault is no longer present.
    • The ECM turns off the MIL after three consecutive drive trips during which the TCM sends no MIL Request.
    • A History DTC clears after forty consecutive warm-up cycles, if no failures are present by this diagnostic or any other emission related diagnostic.
    • The scan tool clears the MIL/DTC.

Diagnostic Aids

Use the Connector Test Adapter Kit J 35616-A for any test that requires probing the TCM harness connector or a component harness connector. Using this kit will prevent damage to the harness connector terminals.

Check for the following conditions:

    • Poor connections at the TCM or at the component. Inspect the harness connectors for any backed out terminals, improper mating, broken locks, improperly formed or damaged terminals, and poor terminal to wire connection. Refer to Engine Electrical, Troubleshooting Procedures, Checking Terminal Contact for proper procedure.
    • Damaged harness. Inspect the wiring harness for damage. If the harness appears to be OK, observe the scan tool while moving any related connectors and any wiring harnesses. A change in the display may help to locate the fault.

DTC P0725 - Engine Speed Circuit

Step

Action

Value(s)

Yes

No

1

Was the Powertrain On-Board Diagnostic (OBD) System Check performed?

--

Go to Step 2

Go to Powertrain On Board Diagnostic (OBD) System Check

2

  1. Start the engine.
  2. Use the scan tool in order to monitor the Engine Speed in the Transmission data list.

Is the scan tool indicating the Engine Speed?

--

Refer to Diagnostic Aids

Go to Step 3

3

  1. Turn off the ignition.
  2. Disconnect the ECM.
  3. Connect the Signal Generator Tester J 33431-B to the Engine Speed signal circuit in the ECM harness connector (one terminal connected to the signal circuit and the other to ground).
  4. Turn the ignition on.
  5. Turn the tester on.
  6. Set the Signal Generator Tester J 33431-B in order to generate a VSS signal.

Is the scan tool indicating the Engine Speed?

--

Go to Step 10

Go to Step 4

4

  1. Turn off the ignition.
  2. Disconnect the TCM.
  3. Use the test light J 35616-200 connected to ground in order to probe the Engine Speed signal circuit.

Does the test light illuminate?

--

Go to Step 7

Go to Step 5

5

Use the DVM J 39200 in order to check the harness for continuity of the signal circuit from the TCM harness connector to the ECM harness connector.

Is the continuity indicated?

--

Go to Step 6

Go to Step 8

6

Use the DVM J 39200 in order to check the harness for continuity between the signal circuit and ground.

Is the continuity indicated?

--

Go to Step 9

Go to Step 12

7

Repair the circuit shorted to B+.

Is the action complete?

--

Go to Step 14

--

8

Repair the open/high resistance circuit.

Is the action complete?

--

Go to Step 14

--

9

Repair the circuit shorted to ground.

Is the action complete?

--

Go to Step 14

--

10

Check the ECM harness connector for a poor connection or a poor terminal tension. Refer to Engine Electrical, Troubleshooting Procedures, Checking Terminal Contact for proper procedure.

Was a problem found and corrected?

--

Go to Step 14

Go to Step 11

11

Important: This vehicle is equipped with a Theft Deterrent System which interfaces with the Engine Control Module (ECM). Program the new ECM with the frequency code of the theft deterrent module currently on the vehicle.

Replace the ECM. Refer to Engine Control Module Replacement/Programming .

Is the action complete?

--

Go to Step 14

--

12

Check the TCM harness connector for a poor connection and poor terminal tension. Refer to Engine Electrical, Troubleshooting Procedures, Checking Terminal Contact for proper procedure.

Was a problem found and corrected?

--

Go to Step 14

Go to Step 13

13

Replace the TCM. Refer to Automatic Transmission, On Vehicle Service, TCM .

Is the action complete?

--

Go to Step 14

--

14

  1. Clear the DTCs with the scan tool.
  2. Turn off the ignition for 15 seconds.
  3. Start the engine.
  4. Operate the vehicle within the conditions required for this diagnostic to run. Refer to Conditions for Running the DTC.
  5. Check for any DTCs.

Is DTC P0725 set?

--

Go to Step 2

Go to Step 15

15

Were there any additional DTCs noted during the Powertrain or Transmission OBD System Check that have not been diagnosed?

--

Go to the applicable DTC table

Go to Step 16

16

Does the Transmission now function properly?

--

System OK

Go to Functional Test