GM Service Manual Online
For 1990-2009 cars only

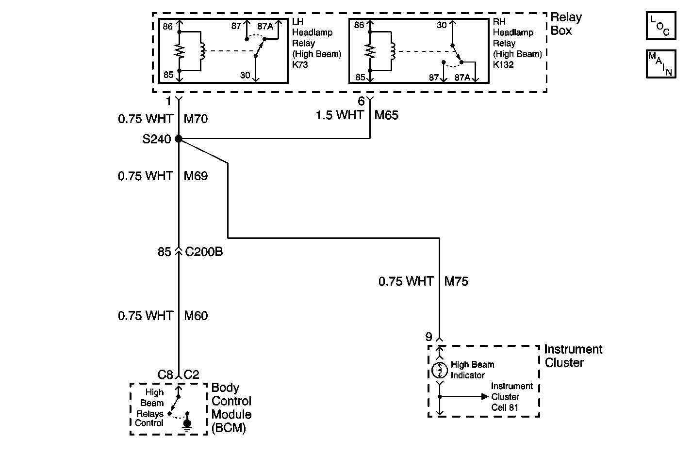
Object Number: 389077  Size: MF

Circuit Description

The body control module (BCM) grounds both high beam headlamp relay coils at terminal C8, energizing the relays, when the BCM receives an input to turn the high beam lamps ON. This places both high beam headlamps, that were in a series circuit, in a parallel circuit by providing a separate ground path for each headlamp. This configuration allows the high beam headlamps to illuminate at full intensity.

Conditions for Setting the DTC

The BCM monitors output to the high beam relays every second at terminal C8. The fault code is set when the commanded state doesn't match the feedback for 2 seconds (open circuit, short to ground or B+).

Action Taken When the DTC Sets

    • The BCM continues to command the state requested until the state is achieved or until the state changes.
    • The BCM stores a DTC B2473 in the BCM memory.

Conditions for Clearing the DTC

    • The conditions for the fault are no longer present.
    • Use of a scan tool.
    • A history DTC will clear after 50 ignition cycles if the condition for the fault is no longer present.

Diagnostic Aids

Refer to Power and Grounding Component Views in Wiring Systems for an end view and for terminal assignments of the relay box when the diagnostics direct you to take electrical measurements at the relay box.

Test for the following conditions if a history or intermittent DTC is indicated:

    • A damaged wiring harness. Inspect the wiring harness for damage. If the wiring harness appears to be in good condition, observe the display on the DMM while moving the connectors and wiring harnesses related to the circuits. A change in the DMM display during this test will indicate the location of the fault.
    • For additional information, refer to Intermittents and Poor Connections Diagnosis .
    • A short to ground in the circuit may cause the high beam indicator bulb, located in the instrument cluster, along with one or both high beam headlamps to illuminate at all times.

Test Description

The following numbers refer to the step numbers on the diagnostic table:

  1. This step uses a scan tool to test the high beam operation and to verify if the fault is present.

  2. This step tests for an intermittent condition in the circuits that can cause a DTC B2473 to set.

  3. After verifying that no circuit problems exist, the BCM is most likely at fault. The BCM needs to be programmed after installation.

Step

Action

Value(s)

Yes

No

1

Did you perform the BCM System Check?

--

Go to Step 2

Go to Diagnostic System Check - Body Control System

2

  1. Connect the scan tool to the data link connector (DLC).
  2. Select HIGH BEAMS from the Light Test Menu in Special Functions.
  3. Press the ON button then press the OFF button and monitor DRL operation.

Did the high beam lamps light when commanded ON?

--

Go to Step 3

Go to Step 4

3

Did the high beam lamps go OFF when commanded with the scan tool?

--

Go to Step 6

Go to Step 7

4

  1. Remove the LH and RH headlamp relays.
  2. Disconnect BCM connector C2.
  3. Measure the resistance from the LH headlamp relay terminal 1 on the relay box to the BCM connector C2 terminal C8.

Was an open circuit found?

--

Go to Step 8

Go to Step 5

5

Measure the voltage at terminal C8.

Is the measured voltage at the specified value?

B+

Go to Step 6

Go to Step 10

6

  1. Problem is not current at this time. Test terminal C8 connector C2 of the BCM for a poor connection.
  2. Test the high beam relay control circuit for an intermittent open, short to ground or voltage.

Is the repair complete?

--

Go to Step 12

--

7

Measure the resistance from BCM connector C2 terminal C8 to a good ground.

Is the measured resistance at the specified value?

OL

Go to Step 12

Go to Step 9

8

Locate and repair the open circuit in CKT M60.

Is the repair complete?

--

Go to Step 12

--

9

Locate and repair the short to ground in the high beam relay control circuit.

Is the repair complete?

--

Go to Step 12

--

10

Locate and repair the short to B+ in the high beam relay control circuit.

Is the repair complete?

--

Go to Step 12

--

11

Important:  Perform the set up procedure for the BCM.

Replace the BCM. Refer to Body Control Module Replacement .

Is the replacement complete?

--

Go to Step 12

--

12

  1. Install the scan tool in order to clear any BCM DTCs.
  2. Verify proper high beam operation.
  3. Retest for DTC B2473.

Did a current DTC B2473 set?

--

Go to Step 2

System OK