GM Service Manual Online
For 1990-2009 cars only
Makes
🢒
Cadillac
🢒
1998
🢒
Catera
🢒
Steering
🢒
Variable Effort Steering
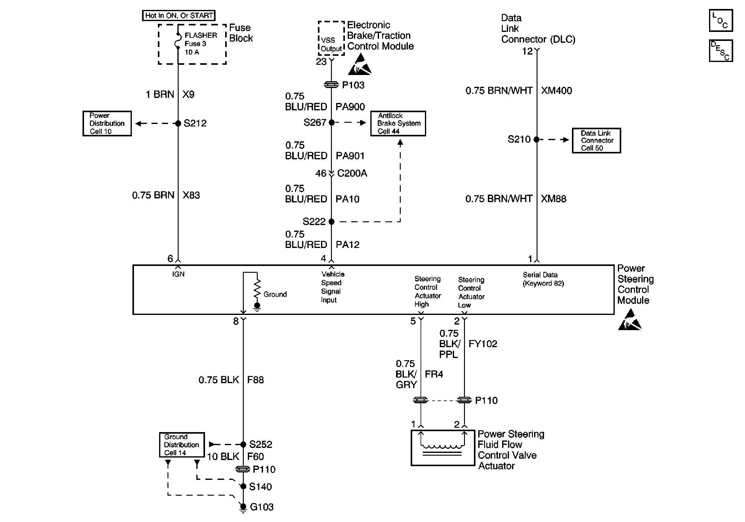
🢒 Steering Assist Schematics
Cell 45
Steering Controls Components
Variable Effort Steering Circuit Operation
Fuse Block Schematics Schematics
ABS/TCS Schematics
Data Link Connector Schematics
Ground Distribution Schematics