GM Service Manual Online
For 1990-2009 cars only
Makes
🢒
Cadillac
🢒
1998
🢒
Catera
🢒 Cell 20 - Power, Ground, MIL and DLC
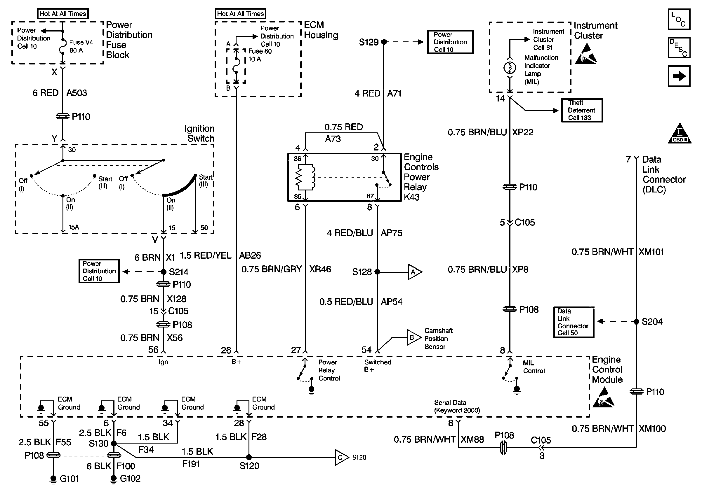
Cell 20 - Power, Ground, MIL and DLC
Cell 20 -- Power, Ground, MIL and DLC
Engine Controls Components
Serial Data Communications
Cell 20: Ignition System
Power Distribution Schematics
Power Distribution Schematics
Theft Deterrent System Schematics
Data Link Connector Schematics