GM Service Manual Online
For 1990-2009 cars only
Makes
🢒
Cadillac
🢒
1998
🢒
Catera
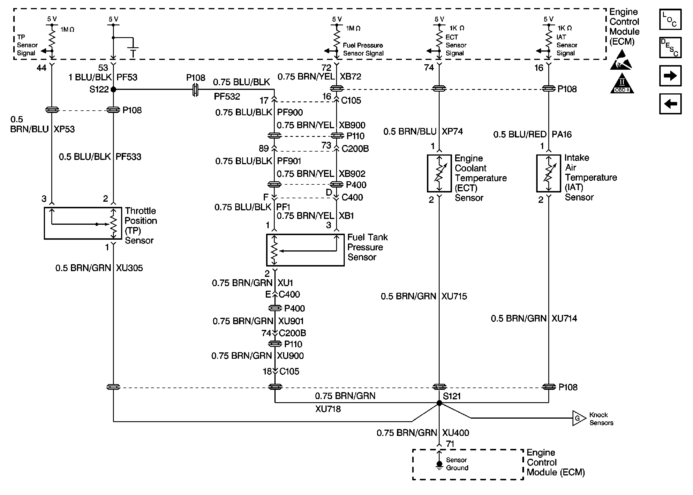
🢒 Cell 20: Engine Data Sensors - TP, ECT, IAT and Fuel Tank
Cell 20: Engine Data Sensors - TP, ECT, IAT and Fuel Tank
Cell 20: Engine Data Sensors - TP, ECT, IAT and Fuel Tank
Engine Controls Components
Information Sensors
Cell 20: Heated Oxygen Sensors
Cell 20: Fuel Injectors