GM Service Manual Online
For 1990-2009 cars only
Makes
🢒
Cadillac
🢒
1998
🢒
Catera
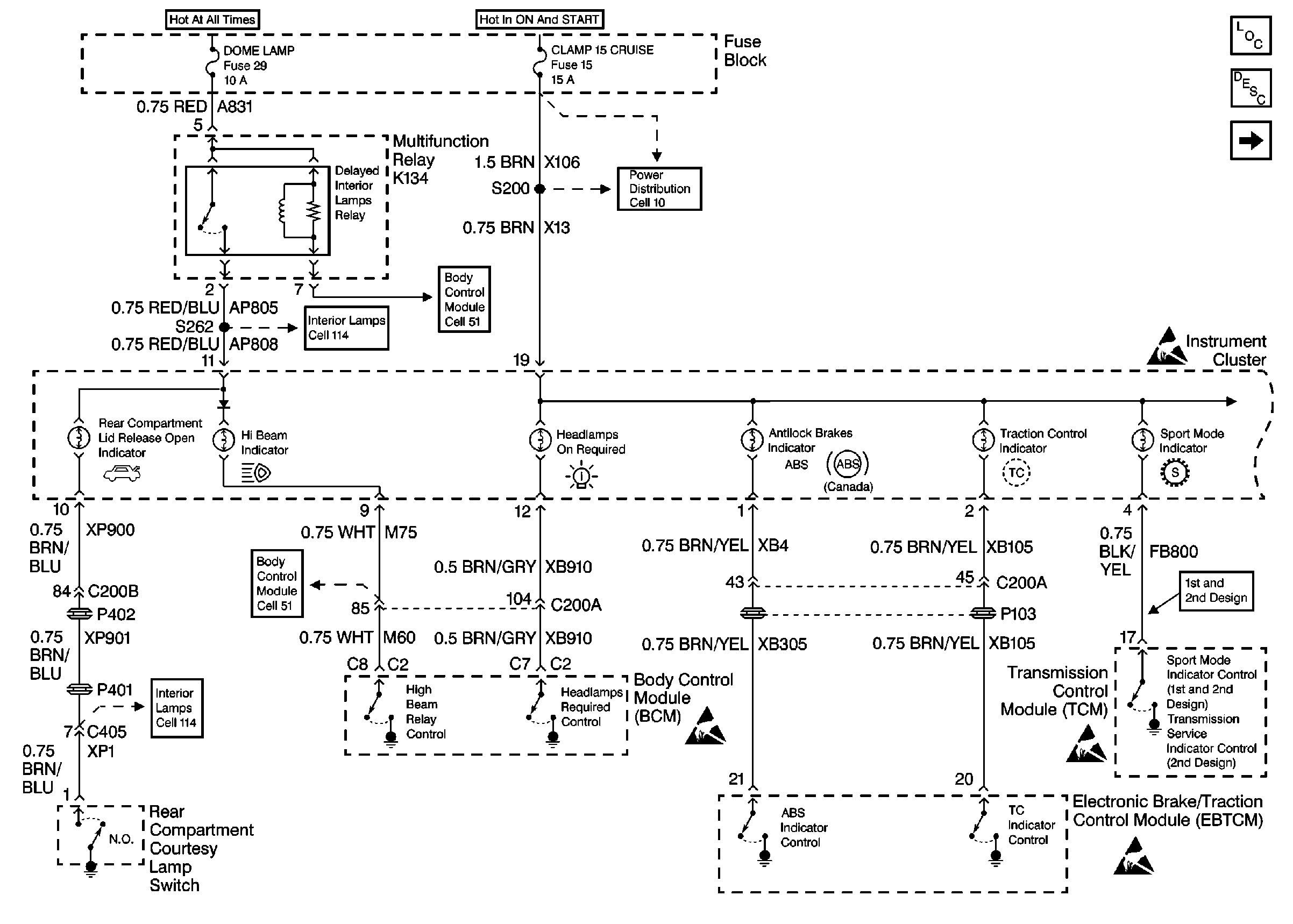
🢒 Cell 81: Instrument Cluster Power, High Beam, ABS and TC Indicators
Cell 81: Instrument Cluster Power, High Beam, ABS and TC Indicators
Cell 81: Instrument Cluster Power, High Beam, ABS and TC Indicators