GM Service Manual Online
For 1990-2009 cars only
Makes
🢒
Cadillac
🢒
1998
🢒
Catera
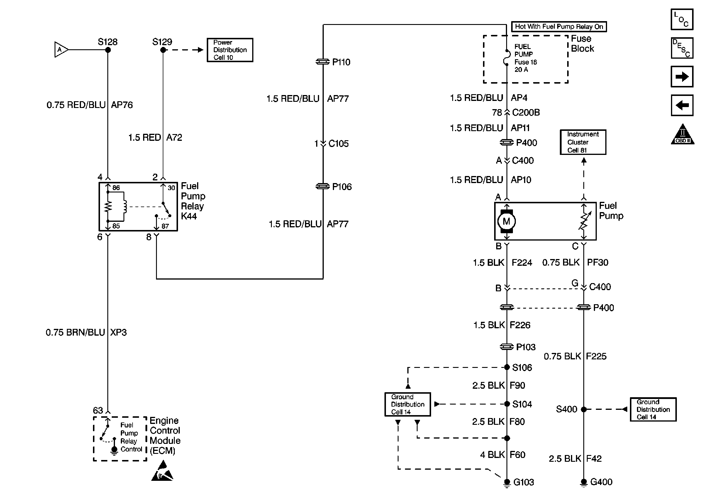
🢒 Cell 20: Fuel Controls
Cell 20: Fuel Controls
Cell 20: Fuel Controls
Engine Controls Components
Fuel Supply Component Description
Cell 20: Fuel Injectors
Cell 20: Ignition System
Power Distribution Schematics
Instrument Cluster: Analog Schematics
Ground Distribution Schematics