GM Service Manual Online
For 1990-2009 cars only

DTC C0040 RF Wheel Speed Circuit Malfunction High or Low


Object Number: 262142  Size: SF
ABS Components
ABS/TCS Schematics

Circuit Description

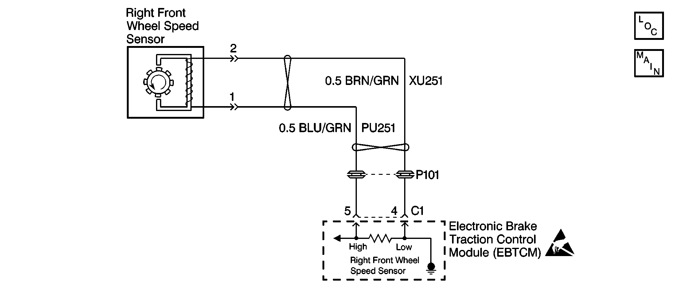
The speed sensor used on this vehicle is a single point magnetic pickup. This sensor produces an AC signal that the EBTCM uses the frequency from to calculate the wheel speed.

Conditions for Setting the DTC

The DTC can be set any time the ignition is in the RUN position and the EBTCM detects an open or a short to voltage.

Action Taken When the DTC Sets

    • A malfunction DTC stores.
    • The ABS/TCS disables.
    • The amber ABS/TC indicator(s) turn on.

Conditions for Clearing the DTC

    • The condition responsible for setting the DTC no longer exists and the scan tool Clear DTCs function is used.
    • 100 ignition cycles pass with no DTC(s) detected.

Diagnostic Aids

    • It is very important that a thorough inspection of the wiring and connectors be performed. Failure to carefully and fully inspect wiring and connectors may result in misdiagnosis, causing part replacement with reappearance of the malfunction.
    • Thoroughly inspect any circuitry that may be causing the complaint for the following conditions:
       - Backed out terminals
       - Improper mating
       - Broken locks
       - Improperly formed or damaged terminals
       - Poor terminal-to-wiring connections
       - Physical damage to the wiring harness
    • The following conditions may cause an intermittent malfunction:
       - A poor connection
       - Rubbed-through wire insulation
       - A broken wire inside the insulation
    • If the customer's comments reflect that the amber ABS/TCS indicator is on only during moist environmental conditions (rain, snow, vehicle wash), inspect all the wheel speed sensor circuitry for signs of water intrusion. If the DTC is not current, clear all DTCs and simulate the effects of water intrusion by using the following procedure:
        1. Spray the suspected area with a five percent saltwater solution.

Add two teaspoons of salt to twelve ounces of water to make a five percent saltwater solution.

        2. Test drive the vehicle over various road surfaces (bumps, turns, etc.) above 40 km/h (25 mph) for at least 30 seconds.
        3. If the DTC returns, replace the suspected harness.
    • If an intermittent malfunction exists refer to General Electrical Diagnostic Procedures in Wiring Systems for further diagnosis.

Test Description

The numbers below refer to step numbers on the diagnostic table.

  1. This step checks for an open in the WSS or WSS CKT.

  2. Checks for a short to voltage in the WSS CKT.

  3. Checks for a short to voltage in the WSS CKT.

DTC C0040 RF Wheel Speed Circuit Malfunction (High or Low)

Step

Action

Value(s)

Yes

No

1

Was the Diagnostic System Check performed?

--

Go to Step 2

Go to Diagnostic System Check - ABS

2

Inspect the WSS for physical damage.

Is physical damage of the WSS evident?

--

Go to Step 3

Go to Step 4

3

Replace the WSS. Refer to Wheel Speed Sensor Replacement .

Is the replacement complete?

--

Go to Step 16

--

4

  1. Turn the ignition switch to the OFF position.
  2. Disconnect the EBTCM.
  3. Install the J 39700 Universal Pinout Box using the J 39700-280 cable adapter to the EBTCM harness connector only.
  4. Using J 39200 DMM, measure the resistance between terminals 5 and 4 of J 39700 .

Is the resistance within the range specified in the value(s) column?

800-1700ohms

Go to Step 11

Go to Step 5

5

  1. Disconnect the Wheel Speed Sensor.
  2. Using J 39200 DMM, measure the resistance between terminals 1 and 2 of the Wheel Speed Sensor Connector.

Is the resistance within the range specified in the value(s) column?

800-1700ohms

Go to Step 6

Go to Step 3

6

Using J 39200 DMM, measure the resistance between terminal 5 of J 39700 and terminal 1 of the WSS harness connector.

Is the resistance within the range specified in the value(s) column?

0-5ohms

Go to Step 8

Go to Step 7

7

Repair CKT PU251 for an open or high resistance. Refer to Wiring Repairs in Wiring Systems.

Is the repair complete?

--

Go to Step 16

--

8

Using J 39200 DMM, measure the resistance between terminal 4 of J 39700 and terminal 2 of the WSS harness connector.

Is the resistance within the range specified in the value(s) column?

0-5ohms

Go to Step 10

Go to Step 9

9

Repair CKT XU251 for an open or high resistance. Refer to Wiring Repairs in Wiring Systems.

Is the repair complete?

--

Go to Step 16

--

10

Malfunction is intermittent. Inspect all connectors and harnesses for damage that may result in an open or high resistance when connected. Refer to Wiring Repairs in Wiring Systems.

Is the repair complete?

--

Go to Step 16

--

11

  1. Disconnect the Wheel Speed Sensor.
  2. Turn the ignition switch to the RUN position, engine off.
  3. Using J 39200 DMM, measure the voltage at terminal 5 of J 39700 .

Is the voltage within the range specified in the value(s) column?

Above 1V

Go to Step 12

Go to Step 13

12

Repair CKT PU251 for a short to voltage. Refer to Wiring Repairs in Wiring Systems.

Is the repair complete?

--

Go to Step 16

--

13

Using J 39200 DMM, measure the voltage at terminal 4 of J 39700 .

Is the voltage within the range specified in the value(s) column?

Above 1V

Go to Step 14

Go to Step 15

14

Repair CKT XU251 for a short to voltage. Refer to Wiring Repairs in Wiring Systems.

Is the repair complete?

--

Go to Step 16

--

15

Replace the EBTCM. Refer to Electronic Brake and Traction Control Module Replacement .

Is the replacement complete?

--

Go to Diagnostic System Check - ABS

--

16

  1. Reconnect all previously disconnected components.
  2. Using a scan tool clear the DTC.
  3. Remove the scan tool from the DLC.
  4. Carefully drive the vehicle above 12 Km/h (8 mph) for several minutes.

Does the DTC reset as a current DTC?

--

Go to Step 2

Go to Diagnostic System Check - ABS

DTC C0040 RF Wheel Speed Circuit Malfunction No Signal


Object Number: 262142  Size: SF
ABS Components
ABS/TCS Schematics

Circuit Description

The speed sensor used on this vehicle is a single point magnetic pickup. This sensor produces an AC signal that the EBTCM uses the frequency from to calculate the wheel speed.

Conditions for Setting the DTC

    • The DTC will set if one wheel speed = 0 and the other WSS are greater than 40 Km/h (25 mph) for 10 ms.
    • The DTC will set if during drive off, one wheel speed = 0, and the other WSS are greater than 12 Km/h (7.5 mph).
    • The EBTCM detects a short to ground.

Action Taken When the DTC Sets

    • A malfunction DTC stores.
    • The ABS/TCS disables.
    • The amber ABS/TCS indicator(s) turn on.

Conditions for Clearing the DTC

    • The condition responsible for setting the DTC no longer exists and the scan tool Clear DTCs function is used.
    • 100 ignition cycles pass with no DTC(s) detected.

Diagnostic Aids

    • Inspect the wheel speed sensor and wheel speed sensor ring for improper mounting or physical damage.
    • It is very important that a thorough inspection of the wiring and connectors be performed. Failure to carefully and fully inspect wiring and connectors may result in misdiagnosis, causing part replacement with reappearance of the malfunction.
    • Thoroughly inspect any circuitry that may be causing the complaint for the following conditions:
       - Backed out terminals
       - Improper mating
       - Broken locks
       - Improperly formed or damaged terminals
       - Poor terminal-to-wiring connections
       - Physical damage to the wiring harness
    • The following conditions may cause an intermittent malfunction:
       - A poor connection
       - Rubbed-through wire insulation
       - A broken wire inside the insulation
    • If the customer's comments reflect that the amber ABS/TCS indicator is on only during moist environmental conditions (rain, snow, vehicle wash), inspect all the wheel speed sensor circuitry for signs of water intrusion. If the DTC is not current, clear all DTCs and simulate the effects of water intrusion by using the following procedure:
        1. Spray the suspected area with a five percent saltwater solution.

Add two teaspoons of salt to twelve ounces of water to make a five percent saltwater solution.

        2. Test drive the vehicle over various road surfaces (bumps, turns, etc.) above 40 km/h (25 mph) for at least 30 seconds.
        3. If the DTC returns, replace the suspected harness.
    • If an intermittent malfunction exists refer to General Electrical Diagnostic Procedures in Wiring Systems for further diagnosis.

Test Description

The number(s) below refer to the step number(s) on the diagnostic table.

  1. This step checks for the proper resistance in the WSS.

  2. This step checks for the proper WSS output.

DTC C0040 RF Wheel Speed Circuit Malfunction (No Signal)

Step

Action

Value(s)

Yes

No

1

Was the Diagnostic System Check performed?

--

Go to Step 2

Go to Diagnostic System Check - ABS

2

Inspect the WSS for physical damage.

Is physical damage of the WSS evident?

--

Go to Step 3

Go to Step 4

3

Replace the WSS. Refer to Wheel Speed Sensor Replacement .

Is the replacement complete?

--

Go to Step 14

--

4

  1. Disconnect the WSS connector directly at the WSS.
  2. Using J 39200 DMM, measure the resistance between terminals 1 and 2 of the WSS.

Is the resistance within the range specified in the value(s) column?

800-1700 ohms

Go to Step 5

Go to Step 3

5

  1. With the J 39200 DMM still connected to the WSS select the mV AC scale.
  2. Spin the wheel at approximately 1 revolution per second by hand while monitoring the AC output.

Is the AC voltage within the range specified in the value(s) column?

Above 30 mV

Go to Step 6

Go to Step 3

6

Using J 39200 DMM, measure the resistance between the WSS terminal 1 and ground.

Is the resistance within the range specified in the value(s) column?

OL (infinite)

Go to Step 7

Go to Step 3

7

  1. Disconnect the EBTCM harness connector.
  2. Install the J 39700 Universal Pinout Box using the J 39700-280 cable adapter to the EBTCM harness connector only.
  3. Using J 39200 DMM, measure the resistance between terminals 5 and 4 of J 39700 .

Is the resistance within the range specified in the values column?

OL (infinite)

Go to Step 9

Go to Step 8

8

Repair short between CKT(s) PU251 and XU251. Refer to Wiring Repairs in Wiring Systems.

Is the repair complete?

--

Go to Step 14

--

9

Using J 39200 DMM, measure the resistance between terminals 5 and 19 of J 39700 .

Is the resistance within the range specified in the values column?

OL (infinite)

Go to Step 11

Go to Step 10

10

Repair CKT PU251 for a short to ground. Refer to Wiring Repairs in Wiring Systems.

Is the repair complete?

--

Go to Step 14

--

11

Using J 39200 DMM, measure the resistance between terminals 4 and 19 of J 39700 .

Is the resistance within the range specified in the values column?

OL (infinite)

Go to Step 13

Go to Step 12

12

Repair CKT XU251 for a short to ground. Refer to Wiring Repairs in Wiring Systems.

Is the repair complete?

--

Go to Step 14

--

13

Replace the EBTCM. Refer to Electronic Brake and Traction Control Module Replacement .

Is the replacement complete?

--

Go to Diagnostic System Check - ABS

--

14

  1. Reconnect all previously disconnected components.
  2. Using a scan tool clear the DTC.
  3. Remove the scan tool from the DLC.
  4. Carefully drive vehicle above 12 Km/h (8 mph) for several minutes.

Does the DTC reset as a current DTC?

--

Go to Step 2

Go to Diagnostic System Check - ABS