GM Service Manual Online
For 1990-2009 cars only

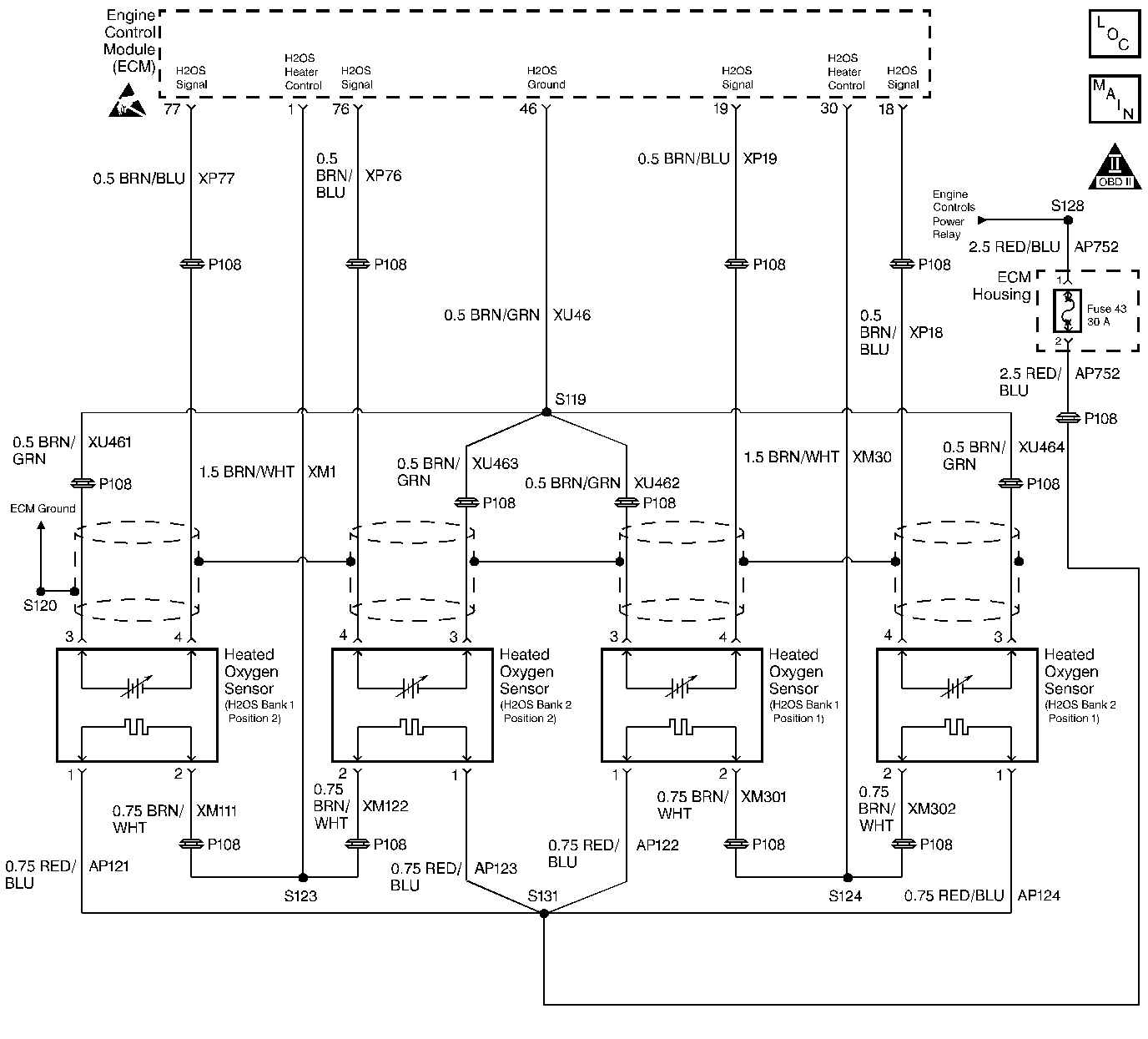
Object Number: 70478  Size: LF
Engine Controls Components
Cell 20: Heated Oxygen Sensors
OBD II Symbol Description Notice
Handling ESD Sensitive Parts Notice

Circuit Description

The heated oxygen sensor (HO2S) produces a voltage that varies between -100 mV and 900 mV under normal operating conditions. On the Catera, the full operating range of the HO2S circuit is approximately from -406 mV to 1124 mV. The Engine Control Module (ECM) monitors this voltage and determines if the exhaust is lean or rich. The oxygen sensor voltage is high when the exhaust is rich, and low when the exhaust is lean. The ECM constantly monitors the HO2S signal during the closed loop operation and compensates for a rich or lean condition by decreasing or increasing the injector pulse width as necessary. If the HO2S voltage remains low for an extended period of time, this DTC will set.

Conditions for Running the DTC

    • None of the following DTCs are set: P0201, P0202, P0203, P0204, P0205, P0206, P0410, P0411, P0412, P0440, P0441, P0442, P0443, P0450, or P0455.
    • The HO2S heater is on for longer than 200 seconds.
    • The secondary AIR diagnostic is not running.

Conditions for Setting the DTC

    • The HO2S voltage is between 62 mV and 399 mV.
    • The above conditions met for longer than 20 seconds.

Action Taken When the DTC Sets

The ECM illuminates the malfunction indicator lamp (MIL) and records the operating conditions in the Freeze Frame on the second consecutive drive trip that the diagnostic runs and fails.

Conditions for Clearing the MIL/DTC

    • The ECM turns OFF the MIL after three consecutive drive trips that the diagnostic runs and passes.
    • A History DTC clears after forty consecutive warm-up cycles in which no failures are reported by this diagnostic or any other emission related diagnostic.
    • The ECM battery voltage is interrupted.
    • The scan tool clears the MIL/DTC.

Diagnostic Aids

Use the Connector Test Adapter Kit J 35616 for any test that requires probing the ECM harness connector or a component harness connector. Using this kit will prevent damage to the harness connector terminals.

Check for the following conditions:

    • Heated oxygen sensor wiring. Check for the following conditions:
       - The sensor pigtail or the harness may be mis-positioned and contacting the exhaust system.
       - Inspect the harness connectors for the following conditions:
   • Backed out terminals
   • Improper mating
   • Broken locks
   • Improperly formed or damaged terminals
   • Poor terminal to wire connection
   • Corrosion and water intrusion.
   • Refer to Electrical Diagnosis in Engine Electrical, Checking Terminal Contact for the proper procedure. An oxygen supply inside the HO2S is necessary for proper operation. This supply of oxygen is provided through the HO2S wires. All HO2S wires and connections should be inspected for any breaks or any contamination. If any wiring repairs need to be made, refer to Electrical Diagnosis in Engine Electrical-5, Electrical Diagnosis, Repair Procedures.
    • Fuel pressure. If the fuel pressure is too low, this DTC may be set. Refer to Fuel System Diagnosis .
    • Lean injector(s)
    • Vacuum leaks. Check for any disconnected or damaged vacuum hoses and for vacuum leaks at the intake manifold, the throttle body, and the crankcase ventilation system.
    • Exhaust leaks. An exhaust leak may cause the outside air to be pulled into the exhaust gas stream past the HO2S, causing this DTC to set. Check for any exhaust leaks near the HO2S.
    • Fuel contamination. Water, even in small amounts, can be delivered to the fuel injectors. The water can cause a lean exhaust to be indicated. Excessive alcohol in the fuel can also cause this condition. Refer to Fuel System Diagnosis for the procedure in order to check for fuel contamination.
    • If the above are OK, the HO2S may be at fault.

Test Description

The number(s) below refer to the step numbers on the diagnostic table.

  1. The engine must be at the normal operating temperature before performing this test.

  2. Using the Freeze Frame data may aid in locating an intermittent condition. If the DTC cannot be duplicated, review the information in the Freeze Frame. Try to operate the vehicle within the same freeze frame conditions (the RPM, the MAF, the vehicle speed, the temperature etc.) that were noted. This process may help in order to recreate the malfunction.

DTC P0150 - Heated Oxygen Sensor (HO2S) Circuit Bank 2 Sensor 1

Step

Action

Value(s)

Yes

No

1

Did you perform the Powertrain On-Board Diagnostic (OBD) System check?

--

Go to Step 2

Go to Powertrain On Board Diagnostic (OBD) System Check

2

  1. Install the scan tool.
  2. Allow the engine to run at the normal operating temperature.
  3. Operate the vehicle within the conditions that are required for this diagnostic to run. Refer to Conditions for Running the DTC.
  4. Monitor the HO2S voltage for this sensor with a scan tool.

Does the HO2S voltage remain below the specified value?

399 mV

Go to Step 4

Go to Step 3

3

  1. Turn on the ignition with the engine off.
  2. Review the Freeze Frame data for this DTC and note the parameters.
  3. Clear the DTCs.
  4. Turn off the ignition for 15 seconds.
  5. Start the engine.
  6. Operate the vehicle within the conditions that are required for this diagnostic to run, and as close to the conditions that are recorded in the Freeze Frame as possible. Refer to Conditions for Running the DTC.
  7. Check for any DTCs.

Is this DTC set?

--

Go to Step 4

Refer to Diagnostic Aids

4

  1. Turn on the ignition with the engine off.
  2. Important: With the HO2S connector disconnected, check the HO2S connector for water intrusion or corrosion. If necessary, refer to Step 21.

  3. Disconnect the HO2S.

Does the scan tool indicate the HO2S voltage within the specified range?

375-525 mV

Go to Step 14

Go to Step 5

5

Measure the voltage from the HO2S signal circuit in the HO2S harness connector to ground with the DVM J 39200 .

Is the voltage within the specified range?

900-1200 mV

Go to Step 6

Go to Step 11

6

Measure the voltage from the HO2S Low circuit in the HO2S harness connector to ground with the DVM J 39200 .

Is the voltage within the specified range?

700-800 mV

Go to Step 22

Go to Step 7

7

  1. Continue to monitor the voltage from the HO2S Low circuit in the HO2S harness connector to ground.
  2. Disconnect the other three HO2S. As each sensor is disconnected, recheck the voltage on the DVM.

Does disconnecting one of the other sensors restore the voltage to the specified range?

700-800 mV

Go to Step 14

Go to Step 8

8

  1. Leave all of the HO2S disconnected.
  2. Disconnect the ECM
  3. Turn on the ignition.
  4. Measure the voltage from the HO2S Low circuit in the ECM harness connector to battery ground with the DVM J 39200 .

Is there any voltage present?

--

Go to Step 15

Go to Step 9

9

Check the harness for continuity of the HO2S Low circuit with the DVM J 39200 .

Is continuity indicated?

--

Go to Step 10

Go to Step 16

10

Check the harness for continuity between the HO2S Low circuit and battery ground with the DVM J 39200 .

Is continuity indicated?

--

Go to Step 17

Go to Step 21

11

  1. Leave the HO2S disconnected.
  2. Turn off the ignition.
  3. Disconnect the ECM.
  4. Turn on the ignition.
  5. Measure the voltage from the HO2S Signal circuit in the ECM harness connector to battery ground with the DVM J 39200 .

Is there any voltage present?

--

Go to Step 18

Go to Step 12

12

Check the harness for continuity of the HO2S Signal circuit with the DVM J 39200 .

Is continuity indicated?

--

Go to Step 13

Go to Step 19

13

Check the harness for continuity between the HO2S Signal circuit and battery ground with the DVM J 39200 .

Is continuity indicated?

--

Go to Step 20

Go to Step 21

14

Replace the shorted HO2S.

Is the action complete?

--

Go to Step 23

--

15

Check the harness for continuity between the HO2S Signal circuit Repair the HO2S Low circuit shorted to voltage.

Is the action complete?

--

Go to Step 23

--

16

Repair the open/high resistance in the HO2S Low circuit.

Is the action complete?

--

Go to Step 23

--

17

Repair the short to ground in the HO2S Low circuit.

Is the action complete?

--

Go to Step 23

--

18

Repair the signal circuit that is shorted to voltage.

Is the action complete?

--

Go to Step 23

--

19

Repair the open/high resistance in the signal circuit.

Is the action complete?

--

Go to Step 23

--

20

Repair the short to ground in the signal circuit.

Is the action complete?

--

Go to Step 23

--

21

Check for a poor connection or poor terminal tension at the ECM harness connector. Refer to Electrical Diagnosis in Engine Electrical, and Troubleshooting Procedures for the proper procedure. Also refer to Checking Terminal Contact in Engine Control Module Diagnosis .

Was a problem found and corrected?

--

Go to Step 23

Go to Step 22

22

Important: This vehicle is equipped with a Theft Deterrent System which interfaces with the Engine Control Module (ECM). Program the new ECM with the frequency code of the theft deterrent module that is currently on the vehicle.

Replace the ECM. Refer to Engine Control Module Replacement/Programming .

Is the action complete?

--

Go to Step 23

--

23

  1. Clear the DTCs with the scan tool.
  2. Turn off the ignition for 15 seconds.
  3. Operate the vehicle within the conditions that are required for this diagnostic to run. Refer to Conditions for Running the DTC.
  4. Check for any DTCs.

Is this DTC set?

--

Go to Step 2

Go to Step 24

24

Were there any additional DTCs noted during the Powertrain OBD System Check that have not been diagnosed?

--

Go to the applicable DTC table

The System is OK