GM Service Manual Online
For 1990-2009 cars only

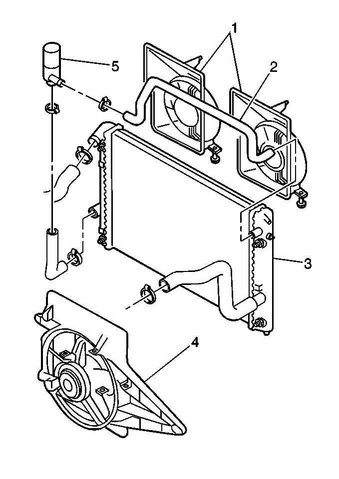
Object Number: 389846  Size: MH

The electrical auxiliary water pump (5) is mounted on the LH of the radiator (3), which provides the additional flow of coolant across the radiator. This pump is energized when the coolant temperatures reach 90°C (194°F)