GM Service Manual Online
For 1990-2009 cars only

Object Number: 143197  Size: SH

CAUTION: When you are carrying an undeployed seat belt pretensioner:

   • Do not carry the seat belt pretensioner by the wires or connector on the pretensioner.
   • Do not touch the seat belt pretensioner in the area of the cable (1).
   • Do not cover the tube opening with your hand.
   • Keep the open end of the tube pointed away from you. Do not point the open end of the tube at another person.
   • When the pretensioner deploys the cable retracts. This shortens the pretensioner between the buckle and the mounting bolt. Grasp the pretensioner by the piston tube (2).
Disregarding these precautions may result in personal injury or unnecessary SIR system repairs.

Live (Undeployed) Seat Belt Pretensioner

Take special care when handling or storing a live (undeployed) seat belt pretensioner. A seat belt pretensioner deployment produces rapid gas generation. This may cause the seat belt pretensioner, or an object in front of the seat belt pretensioner, to jettison through the air in the event of an unlikely deployment.

Shipping Procedure

Refer to the latest service bulletins for proper shipping procedures.

Scrapping Procedure

During the course of a vehicle's useful life, certain situations may arise which will necessitate the disposal of a live (undeployed) pretensioner. The following information covers the proper procedures for the disposing of a live pretensioner. Deploy the pretensioner before disposal. Do not dispose of a live pretensioner through normal disposal channels.

CAUTION: In order to prevent accidental deployment of the pretensioner which could cause personal injury, do not dispose of an undeployed pretensioner as normal shop waste. The undeployed pretensioner contains substances that could cause severe illness or personal injury if the sealed container is damaged during disposal. Use the following deployment procedures to safely dispose of an undeployed pretensioner. Failure to dispose of a pretensioner as instructed may be a violation of federal, state, or local laws.

Do not deploy a pretensioner in the following situations:

    • After replacement of a seat belt pretensioner under warranty. The seat belt pretensioner may need to be returned undeployed to the original manufacturer. Refer to the latest service bulletin regarding seat belt pretensioner shipping procedures.
    • If the vehicle is the subject of a Product Liability report related to the SIR system and is subject to a Preliminary Investigation (GM-1241), do not alter the SIR system in any manner. Refer to the latest service bulletin on SIR shipping procedures.
    • If the vehicle is involved in a campaign affecting the seat belt pretensioners, follow the instructions in the Campaign Service Bulletin for proper SIR handling and shipping procedures.

Deployment Procedures

The seat belt pretensioner can be deployed inside or outside of the vehicle. The method used depends upon the final disposition of the vehicle. Review the following procedures in order to determine which will work best in a given situation:

Deployment Outside Vehicle - Seat Belt Pretensioners

Tools Required

    • J 38826 J 38826 SIR Deployment Harness
    • An appropriate pigtail adapter

CAUTION: In order to prevent accidental deployment of the pretensioner which could cause personal injury, do not dispose of an undeployed pretensioner as normal shop waste. The undeployed pretensioner contains substances that could cause severe illness or personal injury if the sealed container is damaged during disposal. Use the following deployment procedures to safely dispose of an undeployed pretensioner. Failure to dispose of a pretensioner as instructed may be a violation of federal, state, or local laws.

CAUTION: When you are deploying a pretensioner for disposal, perform the deployment procedures in the order listed. Failure to follow the procedures in the order listed may result in personal injury.

Deploy the seat belt pretensioners outside of the vehicle when the vehicle will be returned to service. Situations that require deployment outside of the vehicle include:

    • Using the SIR diagnostics, you determine that the seat belt pretensioner does not function properly.
    • The seat belt pretensioner is scratched or damaged.
    • The seat belt pretensioner pigtail harness is damaged.
    • The seat belt pretensioner connector is damaged.
    • A seat belt pretensioner connector terminal is damaged.

Deployment and disposal of a malfunctioning seat belt pretensioner is subject to any required retention period.


    Object Number: 68645  Size: SH
  1. Turn the ignition to the OFF position.
  2. Remove the ignition key.
  3. Put on safety glasses.
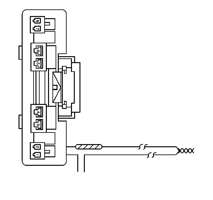
  4. Inspect the J 38826 J 38826 and the appropriate pigtail adapter for damage. Replace as needed.
  5. Short the two SIR deployment harness (1) leads together using one banana plug seated into the other.
  6. Connect the appropriate pigtail adapter (2) to the SIR deployment harness (1).

  7. Object Number: 143197  Size: SH

    CAUTION: When you are carrying an undeployed seat belt pretensioner:

       • Do not carry the seat belt pretensioner by the wires or connector on the pretensioner.
       • Do not touch the seat belt pretensioner in the area of the cable (1).
       • Do not cover the tube opening with your hand.
       • Keep the open end of the tube pointed away from you. Do not point the open end of the tube at another person.
       • When the pretensioner deploys the cable retracts. This shortens the pretensioner between the buckle and the mounting bolt. Grasp the pretensioner by the piston tube (2).
    Disregarding these precautions may result in personal injury or unnecessary SIR system repairs.

  8. Remove the seat belt pretensioner from the vehicle. Refer to Seat Belt Buckle Pretensioner Replacement - LH or Seat Belt Buckle Pretensioner Replacement - Right Side .

  9. Object Number: 143185  Size: SH
  10. Clear a space around a bench vice about 1.85 M (6 ft) in diameter for deployment of the seat belt pretensioner. Use a space free of activity. Make sure you have sufficient ventilation.
  11. Make sure no loose or flammable objects are in the area.

  12. Object Number: 143183  Size: SH
  13. Clamp the seat belt pretensioner, near the attachment bolt hole, in the vice.

  14. Object Number: 143190  Size: SH
  15. Extend the SIR deployment harness and adapter to full length from the seat belt pretensioner.
  16. Place a 12 V minimum/2 A minimum power source (i.e., vehicle battery) near the shorted end of the harness.

  17. Object Number: 143193  Size: SH
  18. Connect the seat belt pretensioner (1) to the adapter (2) on the SIR deployment harness (3).
  19. Firmly seat the adapter into the seat belt pretensioner connector.
  20. Clear the area of people.

  21. Object Number: 39382  Size: SH

    CAUTION: When you are deploying a pretensioner for disposal, perform the deployment procedures in the order listed. Failure to follow the procedures in the order listed may result in personal injury.

  22. Separate the two banana plugs on the SIR deployment harness.

  23. Object Number: 143196  Size: SH

    Important: The rapid gas expansion involved with deploying a pretensioner is very loud. Notify all the people in the immediate area that you intend to deploy the seat belt pretensioner.

  24. Connect the SIR deployment harness wires to the power source.

  25. Object Number: 9581  Size: SH
  26. Disconnect the SIR deployment harness from the power source after the pretensioner deploys.
  27. Seat one banana plug into the other in order to short the deployment harness leads.
  28. If the pretensioner did not deploy, disconnect the adapter and discontinue the procedure. Contact the Technical Assistance Group. Otherwise, proceed to the following steps.
  29. Put on a pair of shop gloves.
  30. Disconnect the pigtail adapter from the seat belt pretensioner as soon as possible.
  31. Inspect the pigtail adapter and the SIR deployment harness. Replace as needed.
  32. Dispose of the deployed seat belt pretensioner through normal refuse channels.
  33. Wash hands with a mild soap.

Deployment Inside Vehicle - Seat Belt Pretensioners (Vehicle Scrapping Procedure)

Tools Required

    • J 38826 J 38826 SIR Deployment Harness
    • An appropriate pigtail adapter

CAUTION: When you are deploying a pretensioner for disposal, perform the deployment procedures in the order listed. Failure to follow the procedures in the order listed may result in personal injury.

Deploy the seat belt pretensioners inside of the vehicle when destroying the vehicle or when salvaging the vehicle for parts. This includes but is not limited to the following situations:

    • The vehicle has completed its useful life.
    • Irreparable damage occurs to the vehicle in a non-deployment type accident.
    • Irreparable damage occurs to the vehicle during a theft.
    • The vehicle is being salvaged for parts to be used on a vehicle with a different VIN as opposed to rebuilding as the same VIN.

    Object Number: 187096  Size: SH
  1. Turn the ignition switch to the OFF position.
  2. Remove the ignition key.
  3. Put on safety glasses.
  4. Remove all loose objects from the front seats.
  5. Disconnect the driver seat belt pretensioner 2-way connector located at the lower LH side of the driver's seat.
  6. Cut the two pretensioner wires leading to the 2-way harness connector, leaving at least 16 cm (6 in) of wire at the connector.

  7. Object Number: 187097  Size: SH
  8. Strip 13 mm (0.5 in) of insulation from each of the pretensioner connector wire leads.

  9. Object Number: 68651  Size: SH
  10. Cut two 6.1 M (20 ft) deployment wires from a 0.8 mm (18 gage) or thicker multi-strand wire. These wires will be used for the driver seat belt deployment harness.
  11. Strip 13 mm (0.5 in) of insulation from both ends of the wires cut in the previous step.
  12. Twist together one end from each of the wires in order to short the wires. Deployment wires shall remain shorted, and not connected to a power source until you are ready to deploy the driver seat belt pretensioner.

  13. Object Number: 187098  Size: SH
  14. Twist together one connector wire lead to one deployment wire.

  15. Object Number: 187099  Size: SH
  16. Bend flat the twisted connection.
  17. Secure and insulate the connection using electrical tape.

  18. Object Number: 187101  Size: SH
  19. Twist together, bend, and tape the remaining connector wire lead to the remaining deployment wire.
  20. Connect the deployment harness to the driver seat belt pretensioner yellow 2-way connector.

  21. Object Number: 165545  Size: SH
  22. Route the deployment harness out of the driver side of the vehicle.

  23. Object Number: 187096  Size: SH
  24. Disconnect the passenger seat belt pretensioner yellow 2-way connector located at the lower RH side of the passenger's seat.
  25. Cut the two pretensioner wires leading to the 2-way harness connector, leaving at least 16 cm (6 in) of wire at the connector.

  26. Object Number: 187097  Size: SH
  27. Strip 13 mm (0.5 in) of insulation from each of the pretensioner connector wire leads.

  28. Object Number: 68651  Size: SH
  29. Cut two 6.1 M (20 ft) deployment wires from a 0.8 mm (18 gage) or thicker multi-strand wire. Use these wires to fabricate the deployment harness.
  30. Strip 13 mm (0.5 in) of insulation from both ends of the wires cut in the previous step.
  31. Twist together one end from each of the wires in order to short the wires.

  32. Object Number: 187098  Size: SH
  33. Twist together one connector wire lead to one deployment wire.

  34. Object Number: 187099  Size: SH
  35. Bend flat the twisted connection.
  36. Secure and insulate the connection using electrical tape.

  37. Object Number: 187100  Size: SH
  38. Twist together, bend, and tape the remaining connector wire lead to the remaining deployment wire.

  39. Object Number: 187101  Size: SH
  40. Connect the deployment harness to the passenger seat belt pretensioner 2-way connector.

  41. Object Number: 165546  Size: SH
  42. Route the deployment harness out of the passenger's side of the vehicle.
  43. Clear the inside and outside of the vehicle of any people or loose and flammable objects.

  44. Object Number: 165547  Size: SH
  45. Stretch the driver seat belt pretensioner harness to full length.
  46. Completely cover the windshield and the front door openings with a drop cloth.
  47. Place a power source, 12 V minimum/2 A minimum (i.e., a vehicle battery) near the shorted end of the harnesses.
  48. Separate the two ends of the driver seat belt pretensioner deployment harness wires.
  49. Connect the driver seat belt pretensioner deployment harness wires to the power source in order to deploy the driver seat belt pretensioner.
  50. Disconnect the driver seat belt pretensioner deployment harness wires from the power source.

  51. Object Number: 165548  Size: SH
  52. Stretch the passenger seat belt pretensioner harness to full length.
  53. Place a power source, 12 V minimum/2 A minimum (i.e., a vehicle battery) near the shorted end of the harnesses.
  54. Separate the two ends of the passenger seat belt pretensioner deployment harness wires.
  55. Connect the passenger seat belt pretensioner deployment harness wires to the power source in order to deploy the passenger seat belt pretensioner.
  56. Disconnect the passenger seat belt pretensioner deployment harness wires from the power source.

  57. Object Number: 165545  Size: SH
  58. Twist together one end of each wire on the driver seat belt pretensioner deployment harness in order to short the wires.

  59. Object Number: 165546  Size: SH
  60. Twist together one end of each wire on the passenger seat belt pretensioner deployment harness in order to short the wires.
  61. Remove the drop cloth from the vehicle.
  62. Disconnect the harnesses from the vehicle.
  63. Discard the harnesses.
  64. Scrap the vehicle in the same manner as a non-SIR equipped vehicle.
  65. If one or both of the pretensioners did not deploy, perform the following steps:
  66. 47.1. Remove the undeployed pretensioners from the vehicle. Refer to Seat Belt Buckle Pretensioner Replacement - LH or Seat Belt Buckle Pretensioner Replacement - Right Side .
    47.2. Temporarily store the pretensioner(s).
    47.3. Call the Technical Assistance Group for further assistance.

Handling a Deployed Pretensioner

Some gas will be visible after deployment of a seat belt pretensioner. Exposure to this gas is not a health concern. The seat belt pretensioner can be handled immediately after deployment.