GM Service Manual Online
For 1990-2009 cars only
Makes
🢒
Cadillac
🢒
1999
🢒
Catera
🢒
Body and Accessories
🢒
Entertainment
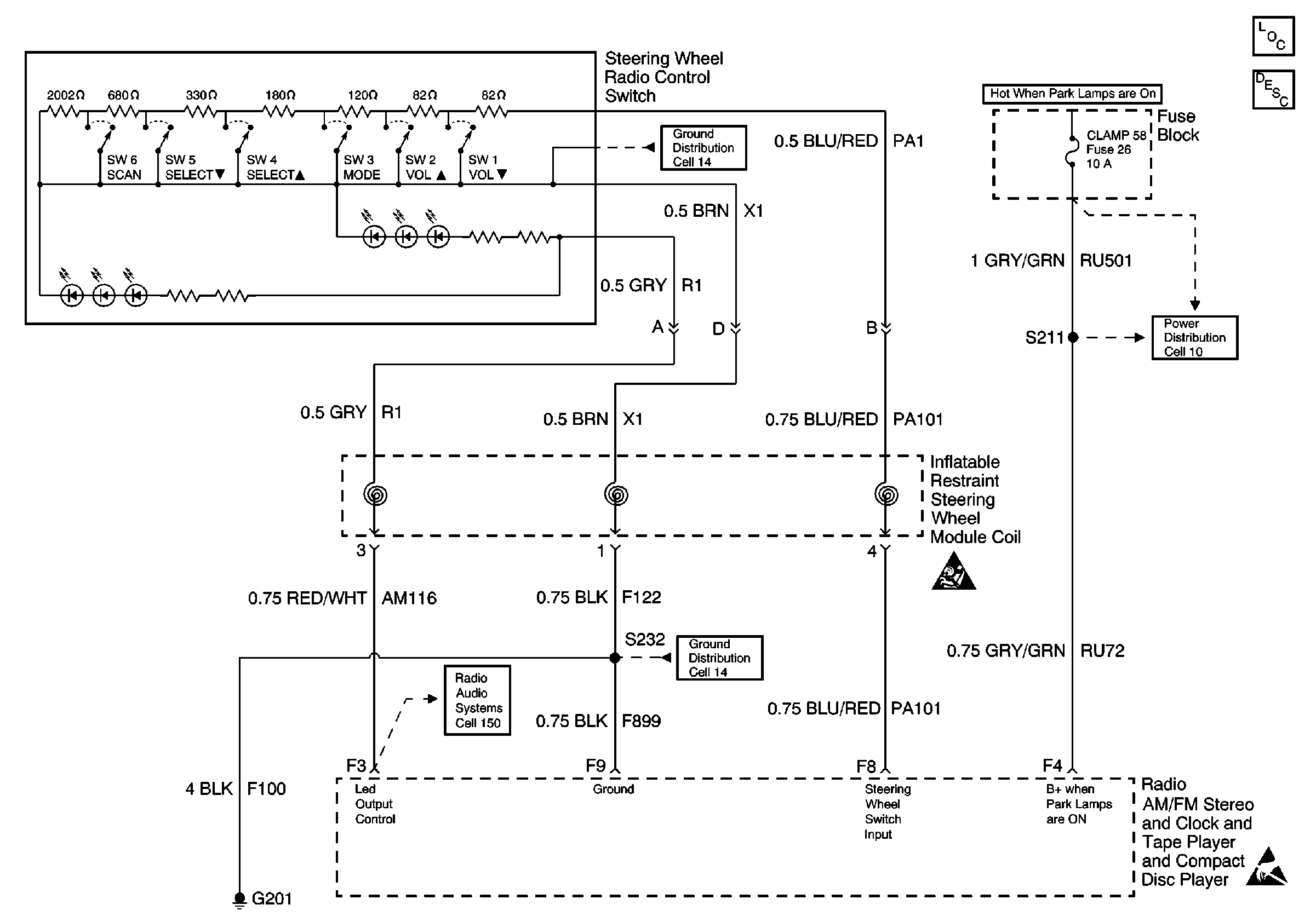
🢒 Steering Wheel Controls Schematics
Cell 152
Entertainment Components
Steering Wheel Controls System Circuit Description
Cell 14 Radio, Cell Phone, CD Changer, and Radio Speaker Amplifier
Cell 10 Fuse Block, Radio, Rear License Lamps, and Headlamp Switch
SIR Caution
Cell 14 Radio, Cell Phone, CD Changer, and Radio Speaker Amplifier
Cell 150 Radio Antenna Amplifier and Steering Wheel Radio Controll Switch (Both Systems)
Handling Electrostatic Discharge Sensitive Parts Notice