GM Service Manual Online
For 1990-2009 cars only
Figure 1:

Cell 133: Immobilizer


Object Number: 408410  Size: FS
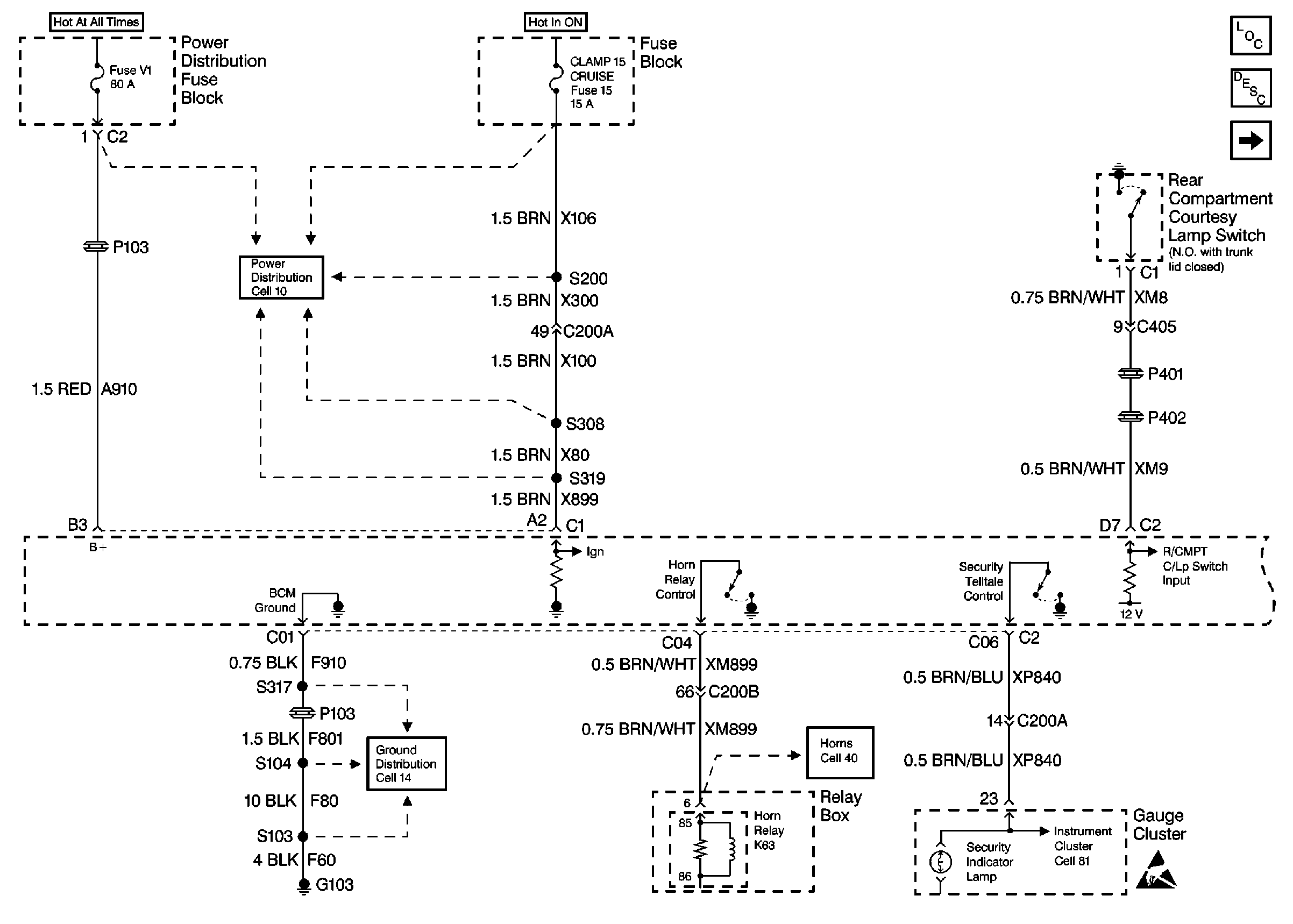
Figure 2:

Cell 133: CTDS Power, Ground and Security Indicator


Object Number: 408414  Size: FS
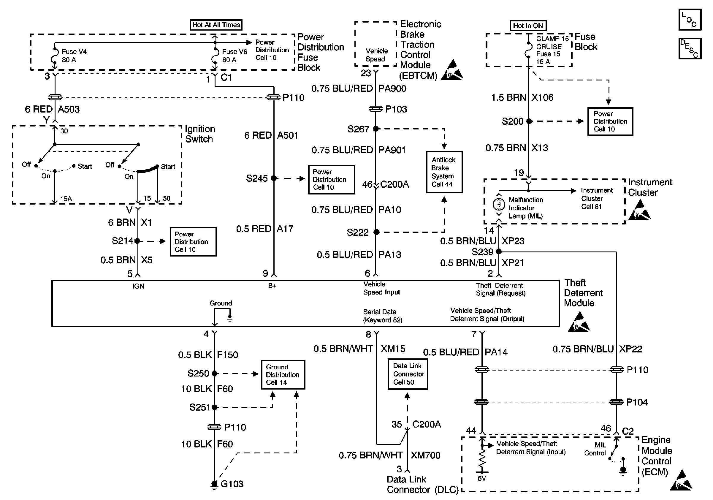
Figure 3:

Theft Deterrent (CTDS Door Jamb and Lock Switch Inputs)


Object Number: 243490  Size: FS
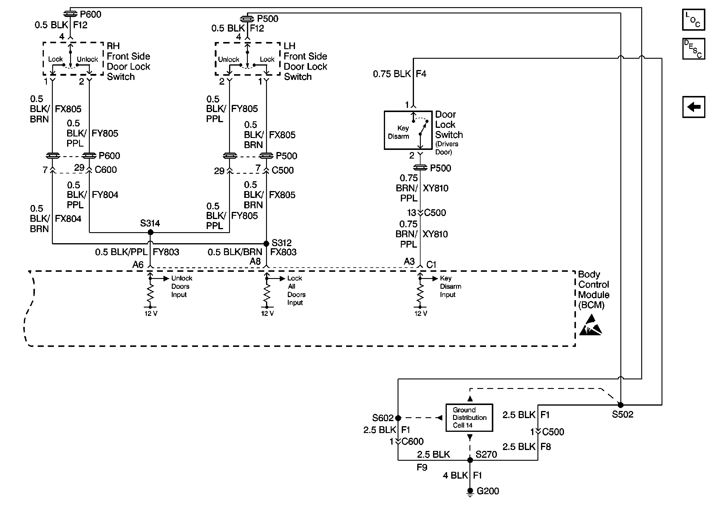
Figure 4:

CTDS Door Lock Switch Input


Object Number: 243912  Size: FS