GM Service Manual Online
For 1990-2009 cars only

Removal Procedure

    Important: Use this procedure for servicing the passenger front seat which has a power height adjuster and a manual horizontal adjuster. For servicing the drivers seat, refer to Power Seat Adjuster Mechanism Replacement .

  1. Remove the front seat. Refer to Seat Replacement .
  2. Remove the outer finish panel from the front seat cushion. Refer to Seat Cushion Outer Trim Panel Replacement .
  3. Disconnect the electrical connector from the front seat height adjuster.
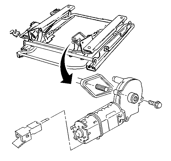
  4. Remove the seat adjuster bolts (3).
  5. Remove the seat adjuster (2).

  6. Object Number: 246358  Size: SH
  7. Remove the nuts from the actuator motor to the front seat height adjuster.
  8. Remove the adjuster nut (4).


    Object Number: 246362  Size: SH
  9. Remove the bolts from the actuator motor to the front seat height adjuster.
  10. Remove the adjuster actuator motor.

  11. Remove the front seat height adjuster.

Installation Procedure


    Object Number: 246362  Size: SH
  1. Install the front seat height adjuster.
  2. Install the actuator motor to the front seat height adjuster.
  3. Secure the motor with the bolts.

    Align the actuator motor to the seat height adjuster shaft when setting in place.


    Object Number: 246358  Size: SH

    Notice: Use the correct fastener in the correct location. Replacement fasteners must be the correct part number for that application. Fasteners requiring replacement or fasteners requiring the use of thread locking compound or sealant are identified in the service procedure. Do not use paints, lubricants, or corrosion inhibitors on fasteners or fastener joint surfaces unless specified. These coatings affect fastener torque and joint clamping force and may damage the fastener. Use the correct tightening sequence and specifications when installing fasteners in order to avoid damage to parts and systems.

  4. Install the nuts (4) to the actuator motor of the front seat height adjuster.
  5. Install the adjuster nut.

    Tighten
    Tighten the actuator motor nuts until fully seated and not stripped.

  6. Install the seat adjuster (2).
  7. Install the seat adjuster bolts (3).
  8. Tighten
    Tighten the bolts to 25 N·m (19 lb ft).

  9. Connect the electrical connectors to the front seat height adjuster.
  10. Install the outer finish panel to the front seat cushion. Refer to Seat Cushion Outer Trim Panel Replacement .
  11. Install the front seat. Refer to Seat Replacement .
  12. If the vehicle is equipped with memory seats, calibrate the seat. Refer to Memory Seat Calibration .