GM Service Manual Online
For 1990-2009 cars only
Makes
🢒
Cadillac
🢒
1999
🢒
Catera
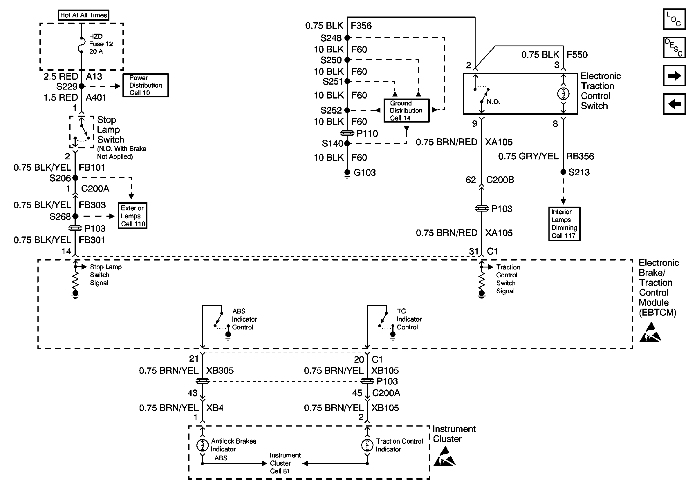
🢒 Cell 44 Electronic Traction Control Switch and Instrument Cluster
Cell 44 Electronic Traction Control Switch and Instrument Cluster
Cell 44 Electronic Traction Control Switch and Instrument Cluster
ABS Components
ABS Description
Cell 44 EBTCM, Can Buss, ECM, and Vehicle Speed Signal
Cell 44 EBTCM Power and Ground, BPMV, and DLC
Cell 10 Fuse Block, LH and RH Outside Rear View Mirro, DLC, and Gauge Cluster
Ground Distribution Schematics
Cell 110 Cornering Lamps, Stop/Tailamps, Auxiliary Brake Lamp
Cell 117 Headlamp Switch, Rear Seat Heater Switches, and Radio
Handling Electrostatic Discharge Sensitive Parts Notice
Handling Electrostatic Discharge Sensitive Parts Notice