GM Service Manual Online
For 1990-2009 cars only
Makes
🢒
Cadillac
🢒
1999
🢒
Catera
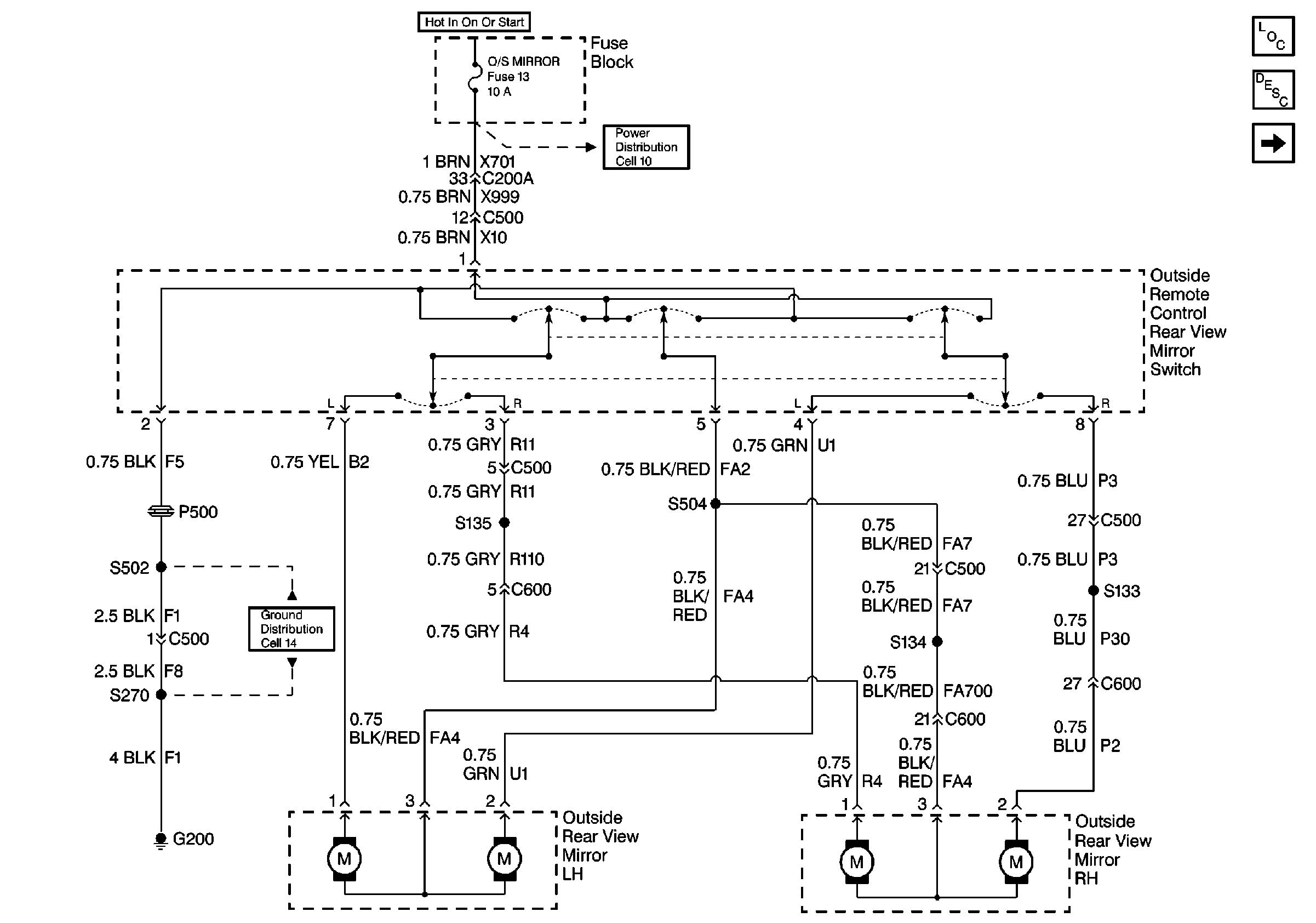
🢒 Cell 147 Outside Remote Control Rear View Mirror Switch Without Memory
Cell 147 Outside Remote Control Rear View Mirror Switch Without Memory
Cell 147 Outside Remote Control Rear View Mirror Switch Without Memory
Power Door Systems Components
Outside Mirrors Circuit Description
Cell 147 Driver Seat Memory Module and Outside Remote Control Rear View Mirror Switch
Cell 10 Fuse Block, Fan Control Relays, BCM, Heater and AC controls, and AC Load Switch,
Cell 14 Rear Seat Cushion Heaters, Rear Heater Switches, and Rear Window Regulator Motors