GM Service Manual Online
For 1990-2009 cars only
Makes
🢒
Cadillac
🢒
1999
🢒
Catera
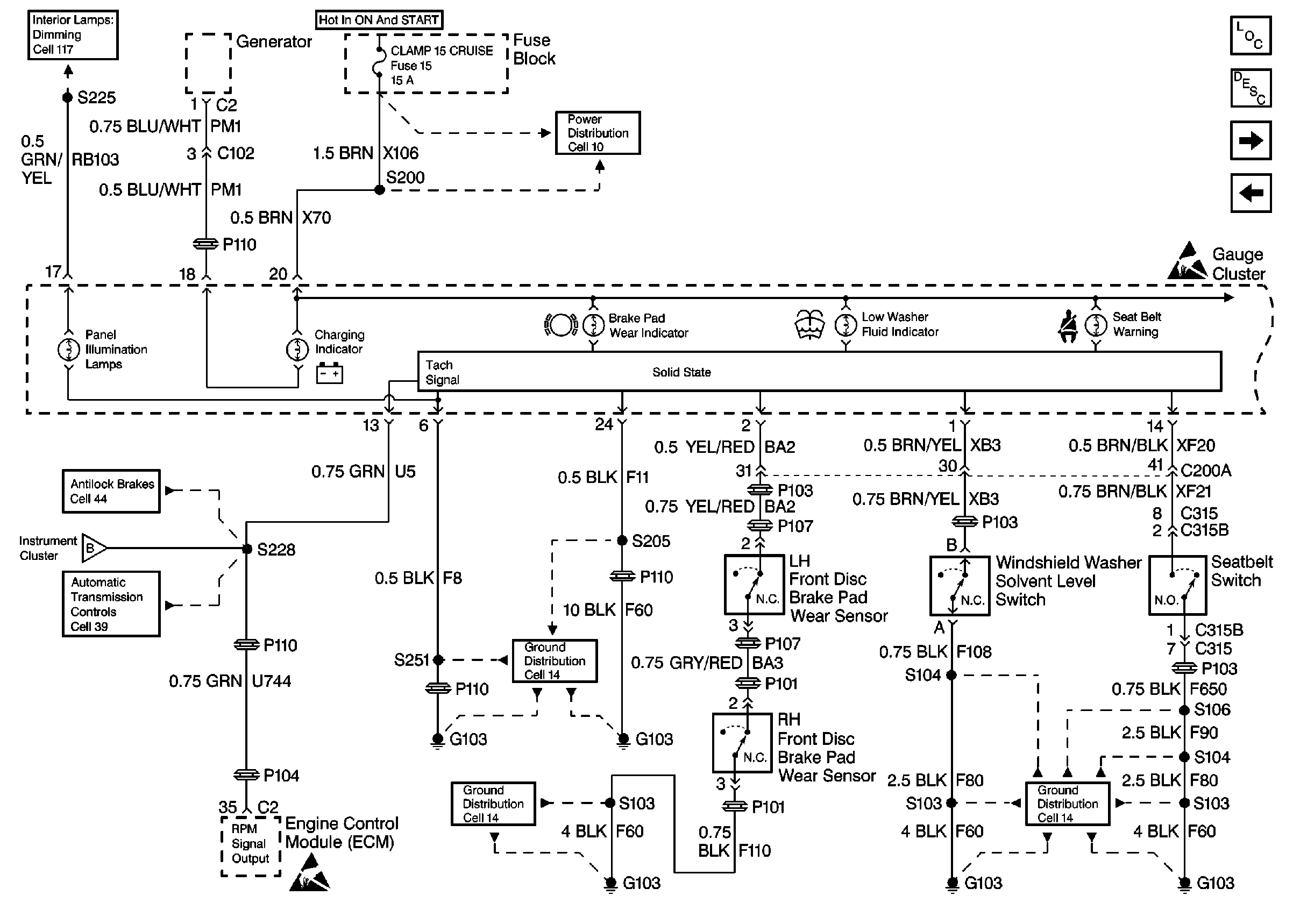
🢒 Cell 81: Gauge Cluster Brake Pad Wear and Seat Belt Warning Indicators
Cell 81: Gauge Cluster Brake Pad Wear and Seat Belt Warning Indicators
Cell 81: Gauge Cluster Brake Pad Wear and Seat Belt Warning Indicators