GM Service Manual Online
For 1990-2009 cars only

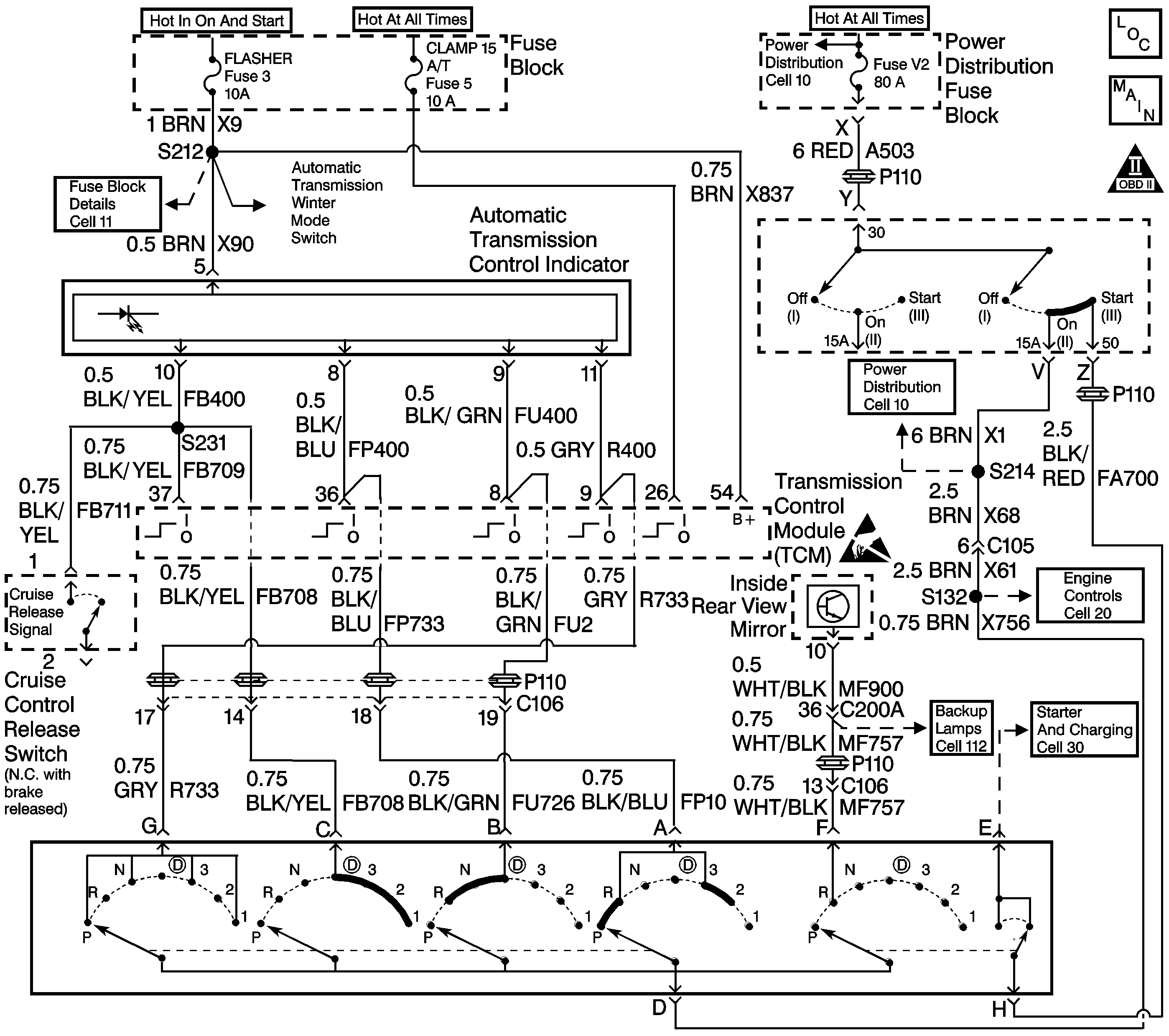
Object Number: 398649  Size: LF
Automatic Transmission Components
Automatic Transmission Controls Schematics
OBD II Symbol Description Notice
Handling ESD Sensitive Parts Notice

Circuit Description

The Transmission Range Switch is attached externally to the left side of the 4L30-E transmission on the gear selector shaft. The Transmission Range Switch informs the TCM and the console gear position indicator which gear the driver selects.

The ignition voltage is supplied to the switch on terminal D. Depending on the selector lever position, this ignition voltage connects to the various combinations of terminals A, B, C, and G of the Transmission Range Switch. The TCM decodes these combinations in order to determine gear position. When the TCM detects an electrical fault or an invalid state, then DTC P0705 will set. DTC P0705 is a type B DTC.

Condition for Running the DTC

The ignition switch is in the RUN position.

Condition for Setting the DTC

The switch indicates an undefined or illegal gear position for longer than 20 seconds.

Action Taken When the DTC Sets

    • Early production - The TCM illuminates the service transmission lamp (STL) and sends a MIL request to the ECM on the second consecutive drive trip that the diagnostic runs and fails. The ECM then illuminates the MIL.
    • Late production - The TCM flashes the Sport Mode Lamp and sends a MIL request on the second consecutive drive trip that the diagnostic runs and fails. The TCM then illuminates the MIL.
    • The ECM records the operating conditions in the Freeze Frame at the time of the MIL request from the TCM.
    • The transmission operates in the default mode (maximum line pressure, command 4th gear, inhibit TCC, freeze shift adapts).

Conditions for Clearing the MIL/DTC

    • Early production - The TCM turns off the STL as soon as the fault is no longer present.
    • Late production - The TCM stops flashing the sport mode lamp as soon as the fault is no longer present.
    • The ECM turns off the MIL after three consecutive drive trips during which the TCM sends no MIL request.
    • A History DTC clears after forty consecutive warm-up cycles, if no failures are present by this diagnostic or any other emission related diagnostic.
    • The scan tool clears the MIL/DTC.
    • The TCM cancels the DTC default mode actions when the fault no longer exists and the ignition switch is Off long enough in order to power down the TCM.

Diagnostic Aids

Vehicles equipped with Fuel Cap Lamps utilize the Sport Mode lamp to indicate a transmission malfunction. In these vehicles, the Sport Mode Lamp flashes at 200 millisecond intervals when the TCM commands the lamp ON.

Vehicles not equipped with Fuel Cap Lamps are equipped with a dedicated Service Transmission Lamp (STL) on the Instrument Panel Cluster (IPC). The STL illuminates steadily when the TCM commands the lamp ON.

Use the J 35616-A connector test adapter kit for any test that requires probing the TCM harness connector or the trans range switch harness connector. Using this kit will prevent damage to the harness connector terminals. Do not use the test adapter kit for testing on the Automatic Transmission Control Indicator Connector. This will re-size the female terminals.

Check for the following conditions:

    • Poor connections at the TCM or at the component. Inspect the harness connectors for any backed out terminals, improper mating, broken locks, improperly formed or damaged terminals, and poor terminal to wire connection.
        Refer to General Electrical Diagnosis in Wiring Systems for proper procedure.
    • Damaged harness. Inspect the wiring harness for damage. If the harness appears to be OK, observe the scan tool while moving any related connectors and any wiring harnesses. A change in the display may help to locate the fault.
    • Refer to Transmission Range Switch Logic .

Test Description

The numbers below refer to the step numbers on the Diagnostic Table.

  1. The Scan Tool display should match the selector lever position at each detent. If the lever has to be moved slightly within a position to get the right indication on the Scan Tool , the Transmission Range Switch adjustment should be checked. Refer to Manual Shift Shaft Position Switch Replacement .

  2. Terminal D in the mating connector (harness side) can be used as the power source.

DTC P0705 - Transmission Range Switch Circuit

Step

Action

Value(s)

Yes

No

1

Was the Powertrain On-Board Diagnostic (OBD) System Check performed?

--

Go to Step 2

Go to On-Board Diagnostic System Check

2

  1. Turn OFF the engine.
  2. Turn the ignition switch to the ON position.
  3. Shift through all of the selector lever positions while observing the transmission range on the Scan Tool .

Does the Scan Tool display agree with the selector lever in all of the positions?

P, R, N, D, 3, 2, 1

Go to Diagnostic Aids

Go to Step 3

3

Does the Scan Tool display Drive Range in all selector lever positions?

--

Go to Step 4

Go to Step 5

4

  1. Disconnect the transmission range switch.
  2. Use the J 35616-200 test light connected to ground in order to probe terminal D in the harness connector (harness side).

Does the test light illuminate?

--

Go to Step 5

Go to Step 7

5

  1. Use a fused jumper wire in order to supply battery voltage to terminal D of the switch harness connector.
  2. Important: The following step may also be performed using a J 39200 digital multimeter (DMM) to measure circuit continuity or resistance. Instead of supplying power to terminal D of the transmission range switch, place one lead of the J 39200 DMM to terminal D and probe the remaining switch terminals with the other lead. J 39200 DMM resistance readings should be 1.0 - 3.3 ohms for those terminals indicated by ON and O.L. (out of limits) for all terminals shown as OFF.

  3. Refer to Transmission Range Switch Logic .
  4. With J 35616-200 test light connected to ground, probe terminals A, B, C, F and G. The test light should illuminate for given selector positions in the Transmission Range Switch Logic where indicated by ON. The test light should NOT illuminate on the terminals indicated by OFF.

    Refer to Transmission Range Switch Logic .

Does the test light illuminate only on the terminals indicated by ON in the table?

--

Go to Step 6

Go to Step 10

6

  1. Reconnect the transmission range switch.
  2. Turn the ignition switch to the OFF position.
  3. Disconnect the TCM.
  4. With the engine OFF, turn the ignition switch to the RUN position.
  5. Probe terminals 8, 9, 36, and 37 in the TCM harness connector in each selector lever position with the J 35616-200 connected to ground. In the following list, only the specified terminals should illuminate the test light in a given gear position:
  6. • P: Terminals 9, 36
    • R: Terminals 8, 36
    • N: Terminals 8, 9
    • D: Terminals 8, 37
    • 3: Terminals 8, 9, 36, 37
    • 2: Terminals 36, 37
    • 1: Terminals 9, 37

Did the test light illuminate on the proper terminals in each gear position?

--

Go to Step 12

Go to Step 8

7

Repair the ignition feed circuit to the Transmission Range Switch.

Is the action complete?

--

Go to Step 13

--

8

Check the Transmission Range Switch harness connector for a poor connection or poor terminal tension.

Refer to General Electrical Diagnosis in Wiring Systems.

Was a condition found and corrected?

--

Go to Step 13

Go to Step 9

9

Check the affected circuit(s) for the following conditions and repair as necessary:

    • open/high resistance
    • short to ground
    • short to B+

Is the action complete?

--

Go to Step 13

--

10

Check the Transmission Range Switch and shift control linkage for proper adjustment.

Refer to Shift Control Linkage Adjustment .

Was a condition found and corrected?

--

Go to Step 13

Go to Step 11

11

Replace the Transmission Range Switch.

Is the action complete?

--

Go to Step 13

--

12

Replace the TCM.

Refer to Transmission Control Module Replacement .

Is the action complete?

--

Go to Step 13

--

13

Perform the following procedure in order to verify the repair:

  1. Select DTC.
  2. Select Clear Info.
  3. Observe Trans Range on the Scan Tool .
  4. Move the gear selector through all gear ranges, momentarily pausing in each range.

Does the Scan Tool Trans Range match the gear selector in all positions?

--

System OK

Go to Step 1