GM Service Manual Online
For 1990-2009 cars only
Figure 1:

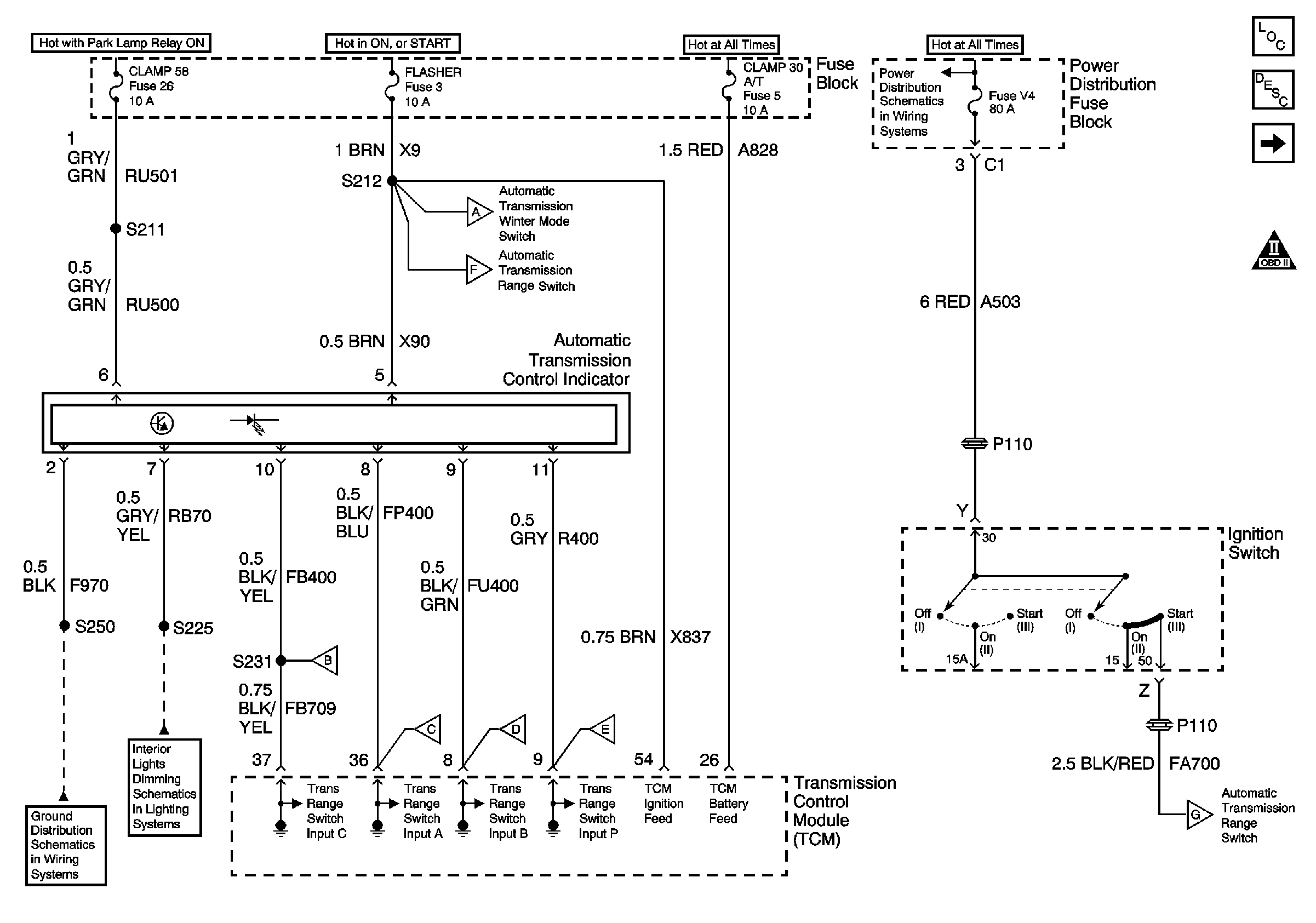
TCM Power, and A/T Shift Control Selector Indicator


Object Number: 577314  Size: FS
Figure 2:

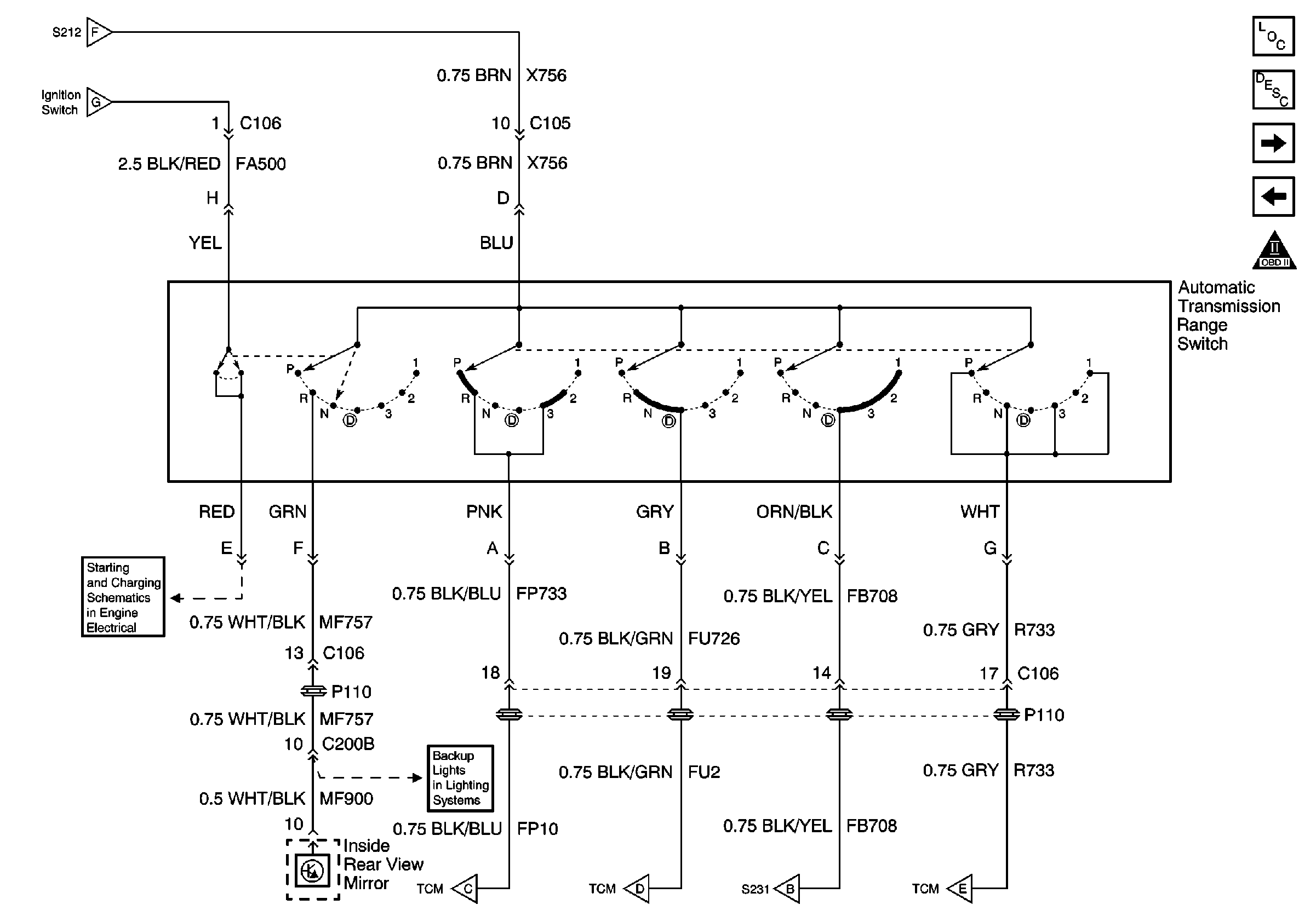
Automatic Transmission Range Switch


Object Number: 556919  Size: FS
Figure 3:

DLC and CAN


Object Number: 556922  Size: FS
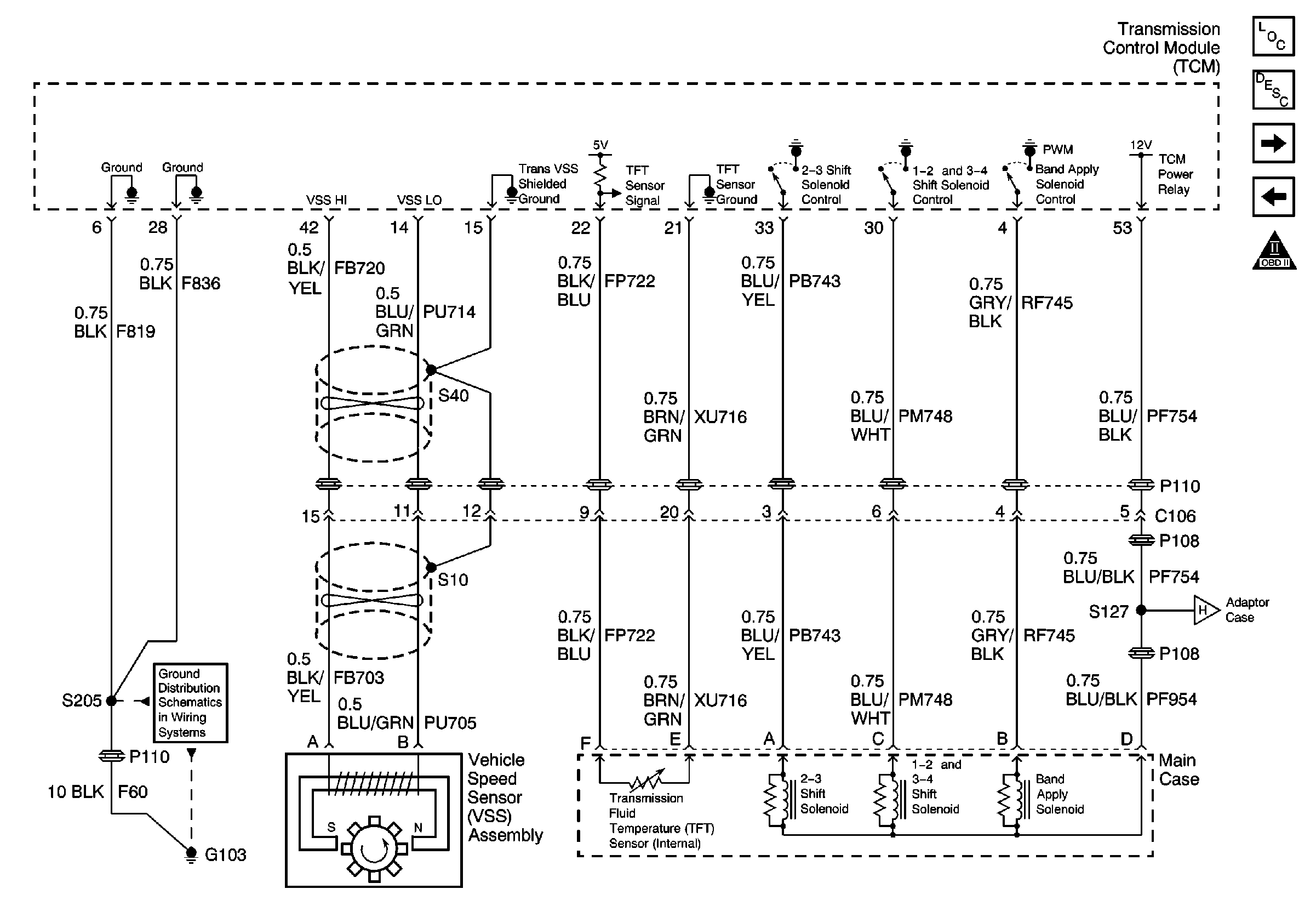
Figure 4:

TCM Ground, VSS Assembly and Main Case


Object Number: 577362  Size: FS
Figure 5:

Adapter Case, Winter Mode and Sport Mode Switches


Object Number: 577365  Size: FS