GM Service Manual Online
For 1990-2009 cars only
Makes
🢒
Cadillac
🢒
2000
🢒
Catera
🢒
Body and Accessories
🢒
Lighting Systems
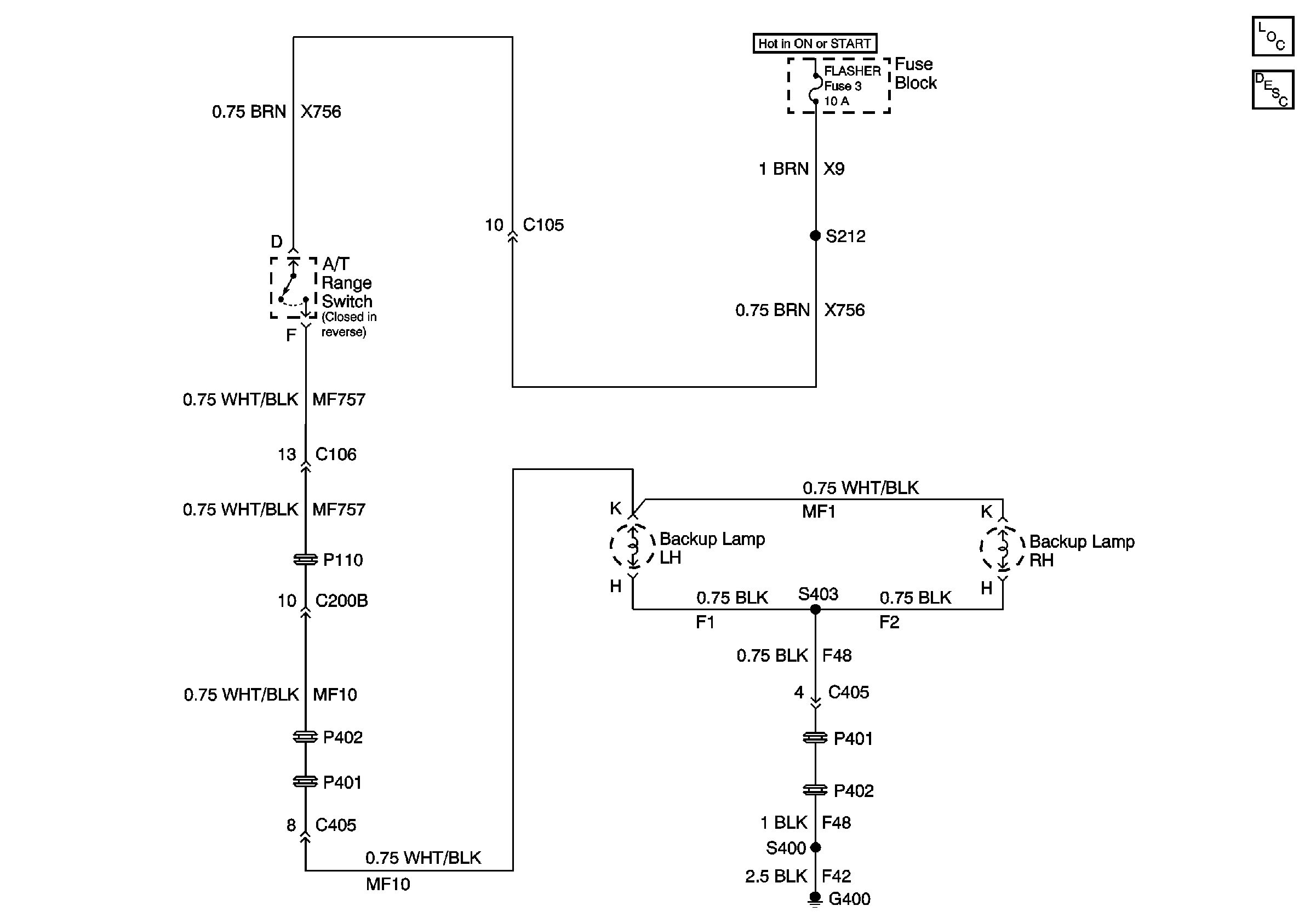
🢒 Backup Lamp Schematics
Back Up Lamp System