GM Service Manual Online
For 1990-2009 cars only
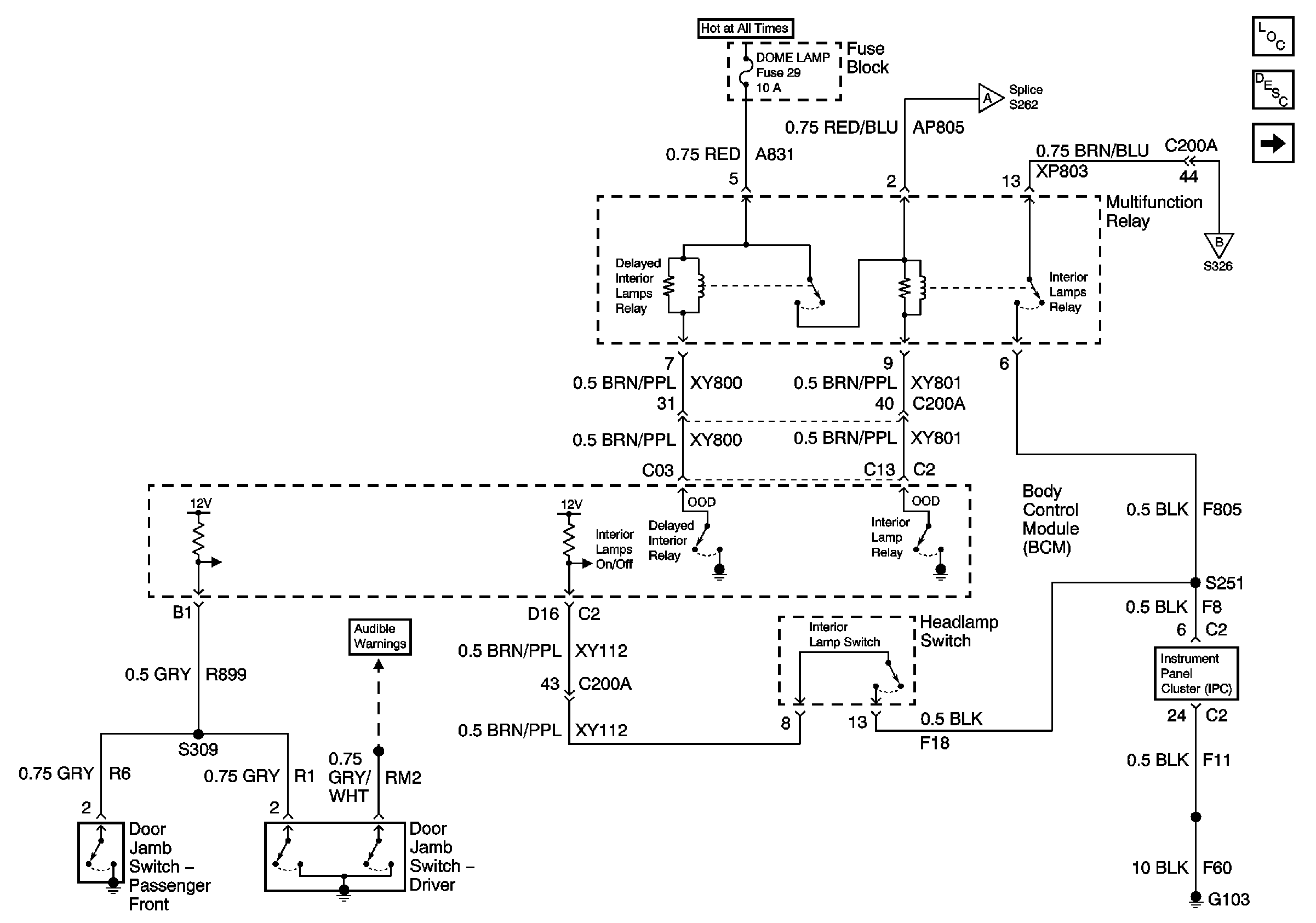
Figure 1:

BCM, Multifunction Relay K134 and LH Front Side Door Jamb Switch


Object Number: 593800  Size: FS
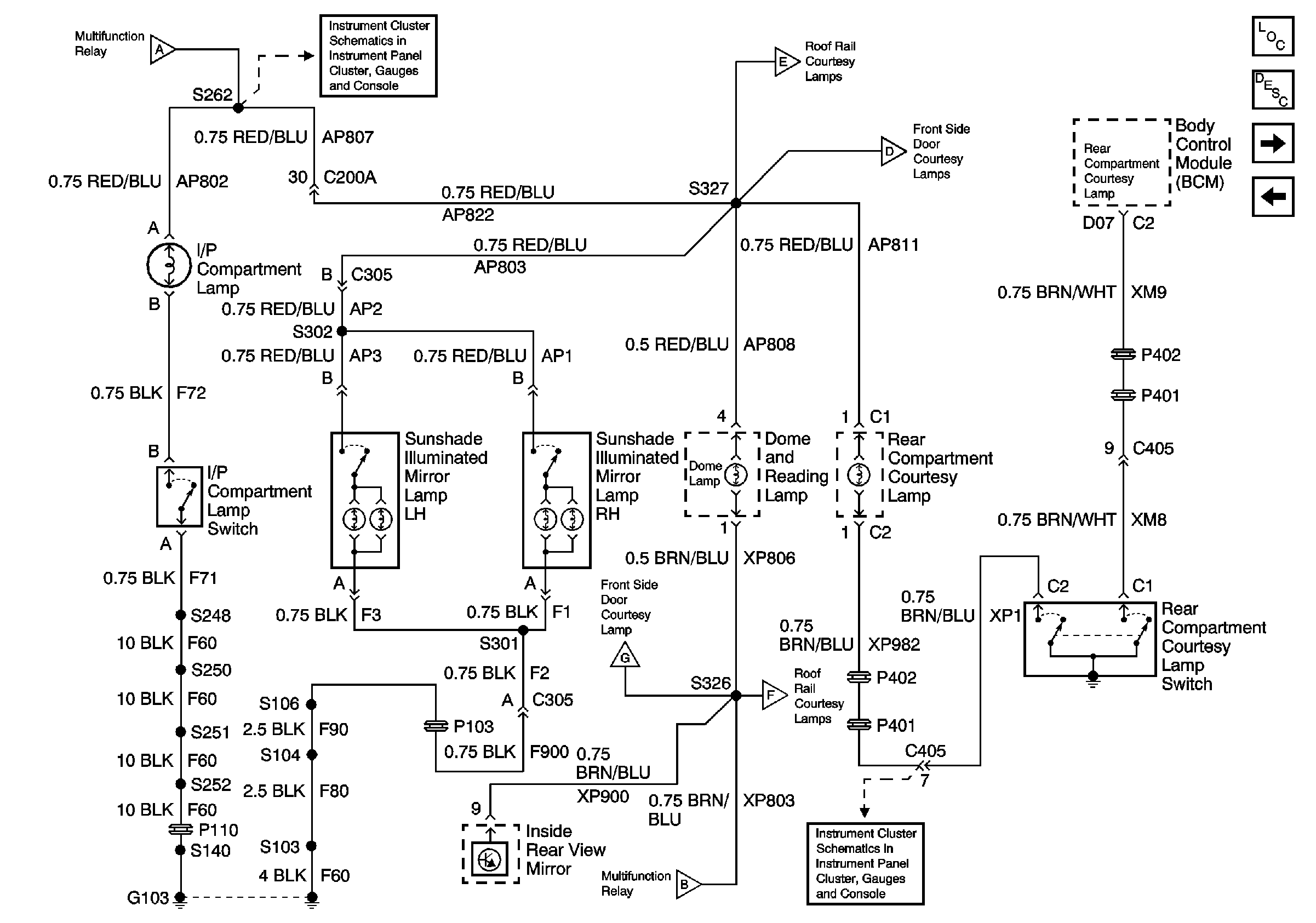
Figure 2:

Sunshade Mirror Lamps, Dome and Reading Lamps and I/P Compartment Lamp


Object Number: 593802  Size: FS
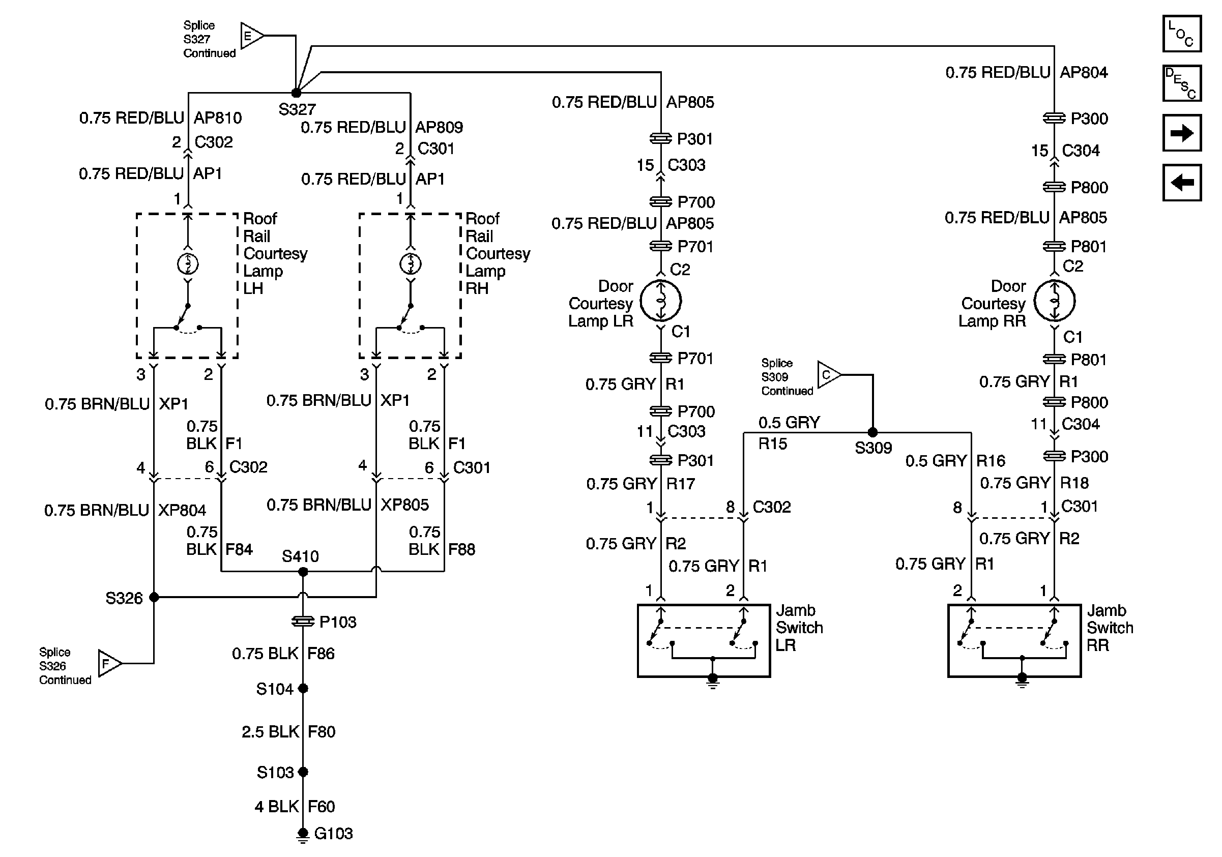
Figure 3:

Roof Rail Courtesy Lamps and Rear Side Door Jamb Switches


Object Number: 593804  Size: FS
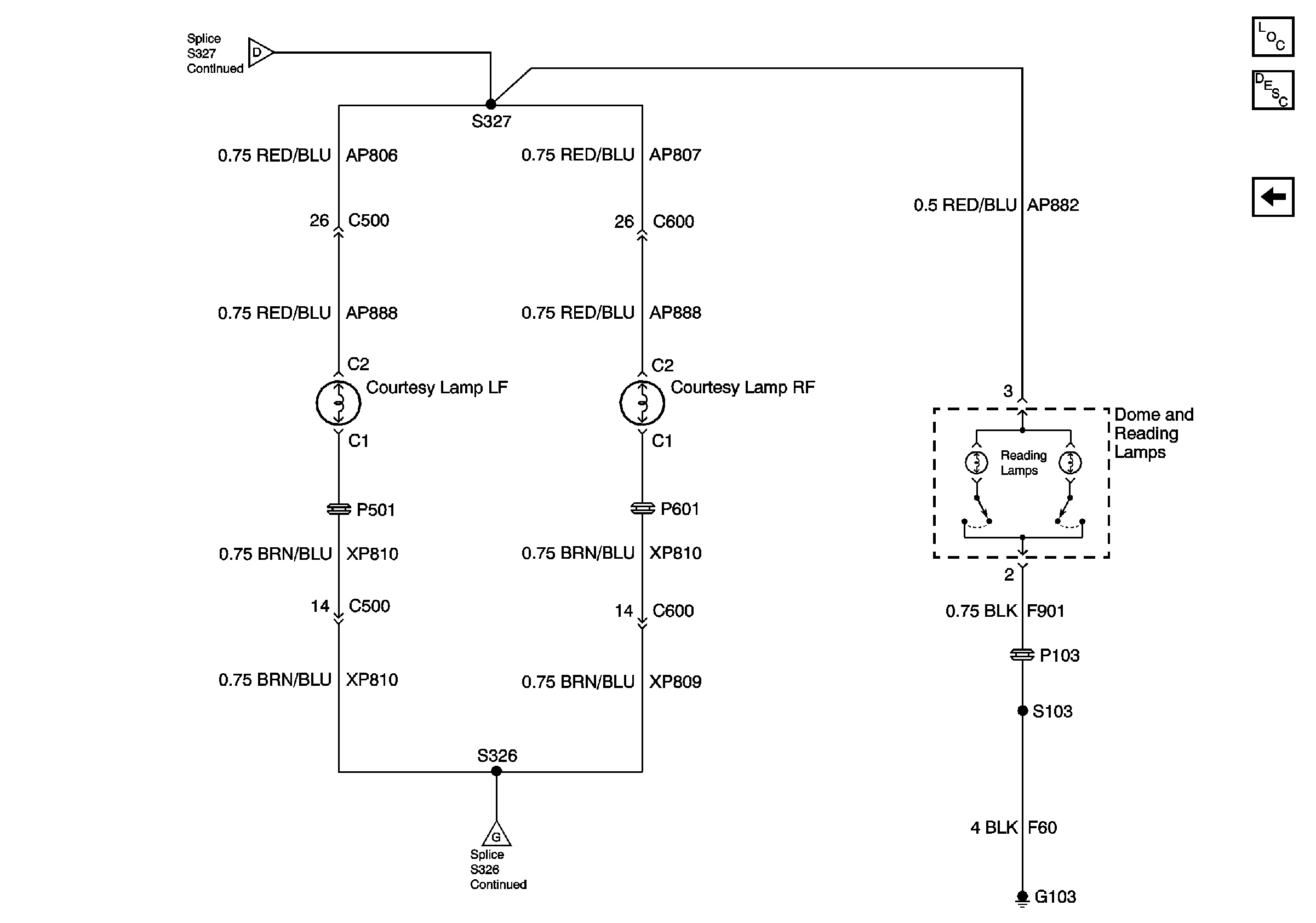
Figure 4:

Courtesy Lamps and Dome and Reading Lamps


Object Number: 593807  Size: FS