GM Service Manual Online
For 1990-2009 cars only
Figure 1:

Battery, ECM, Ignition Coils and Inflatable Restraint Sensing and Diagnostic Module


Object Number: 362033  Size: FS
Figure 2:

Relays, Electric Cooling Fan and AC, Cooling Switches


Object Number: 591954  Size: FS
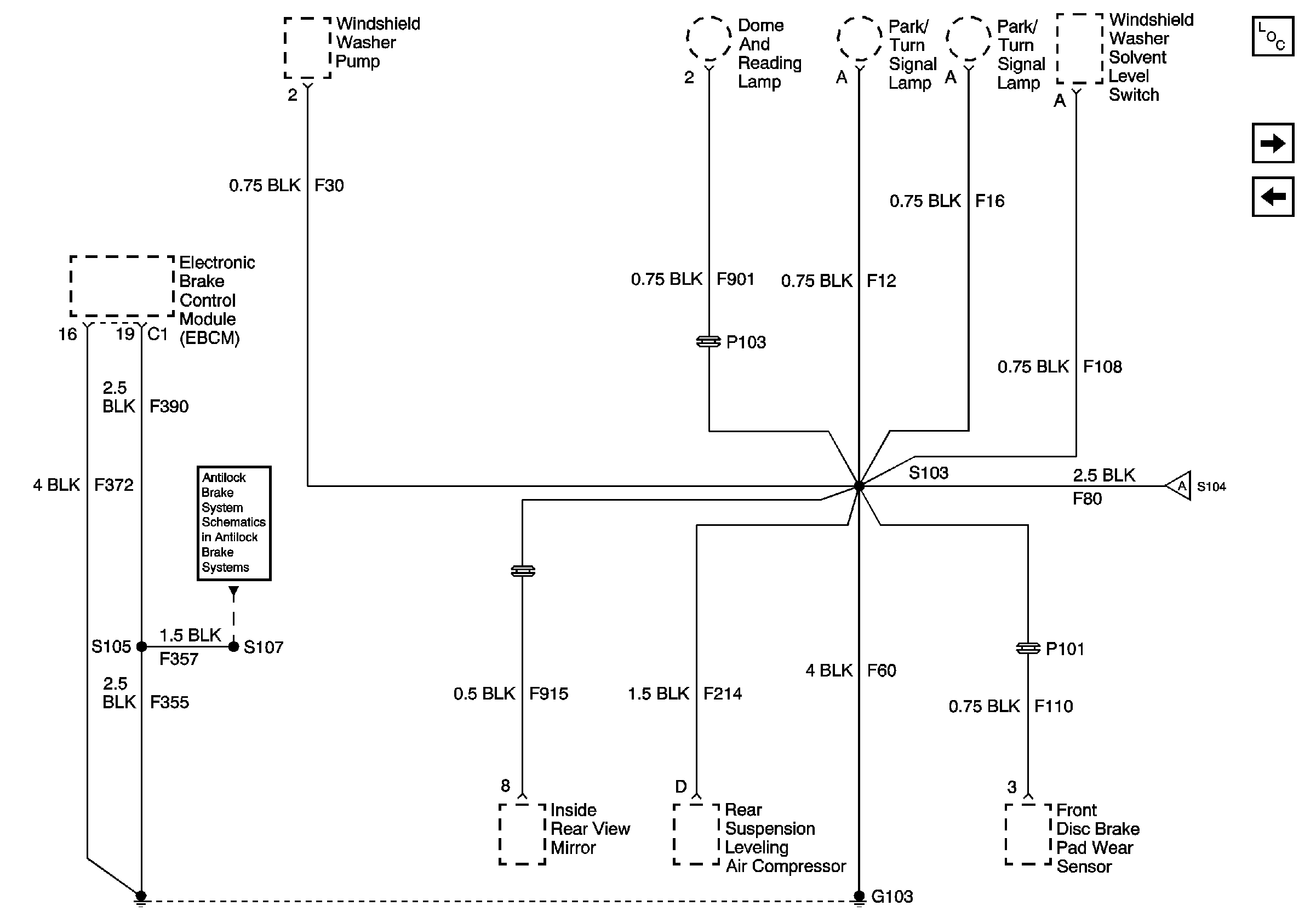
Figure 3:

Door Lock Relay K135, ALC Sensor and EBTCM


Object Number: 591956  Size: FS
Figure 4:

BCM, Sun Roof Actuator, Driver's Seat Adjuster Memory Module and Courtesy Lamps


Object Number: 591960  Size: FS
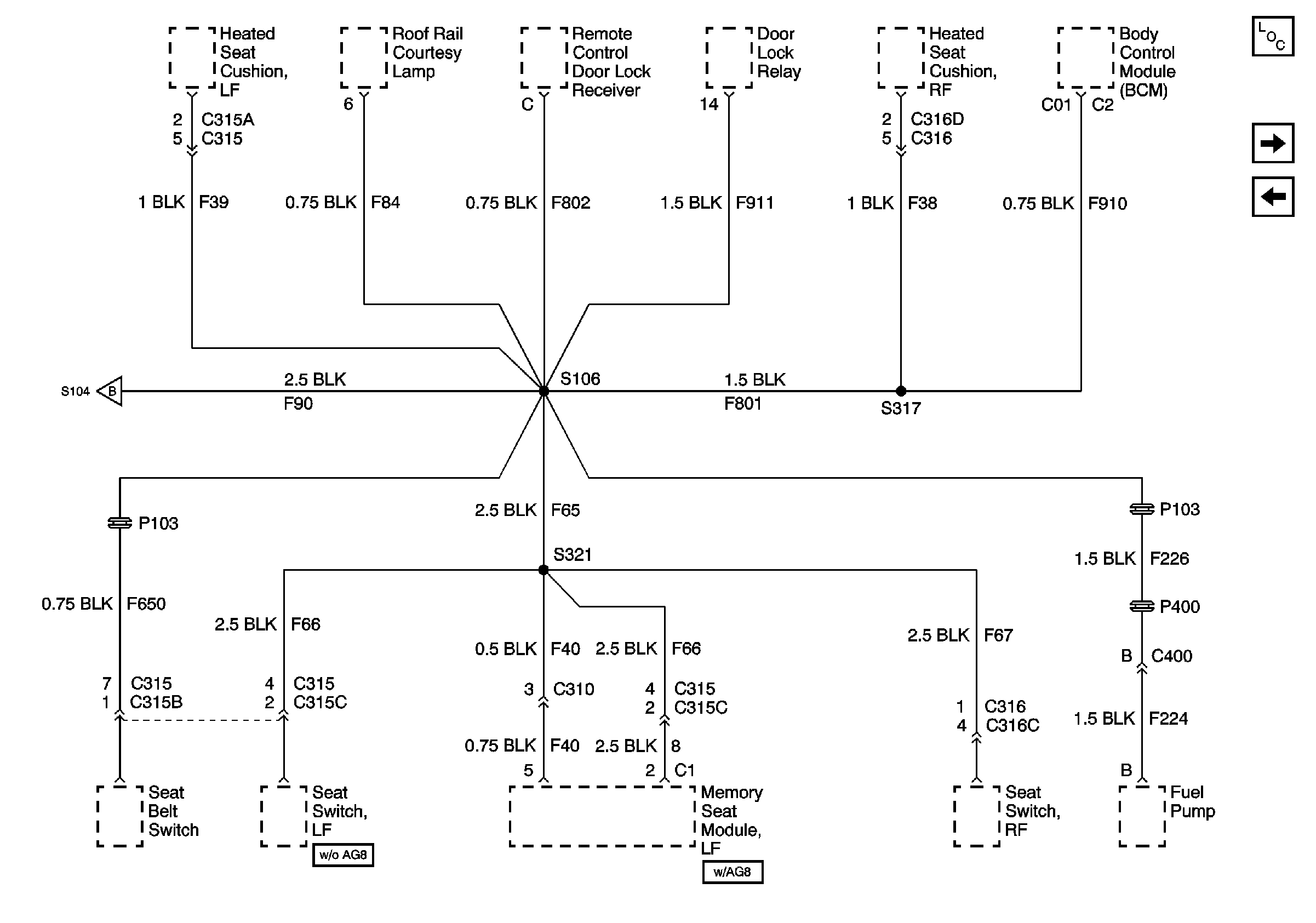
Figure 5:

BCM, Front Seat Adjusters, Front Seat Heaters, Door Lock Relay


Object Number: 624109  Size: FS
Figure 6:

Headlamp Switch, Gauge Cluster, Horn Relay and Instrument Cluster


Object Number: 362050  Size: FS
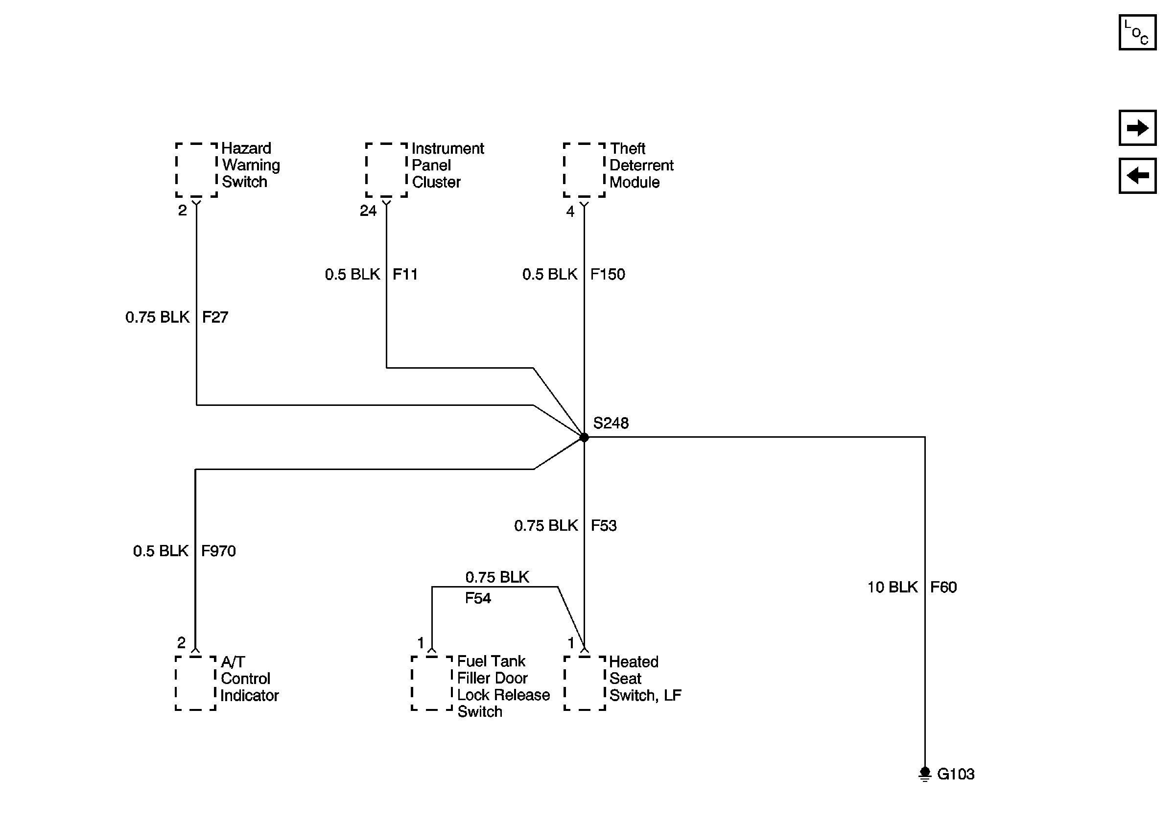
Figure 7:

Automatic Transmission Controls, Theft Deterrent Module and Heater Switches


Object Number: 591962  Size: FS
Figure 8:

Data Link Connector and Electronic Traction Control Switch


Object Number: 591963  Size: FS
Figure 9:

Transmission Control Module, Multifunction Relay and WSW Motor


Object Number: 362056  Size: FS
Figure 10:

Rear Seat Cushion Heaters, Rear Heater Switches and Rear Window Regulator Motors


Object Number: 591965  Size: FS
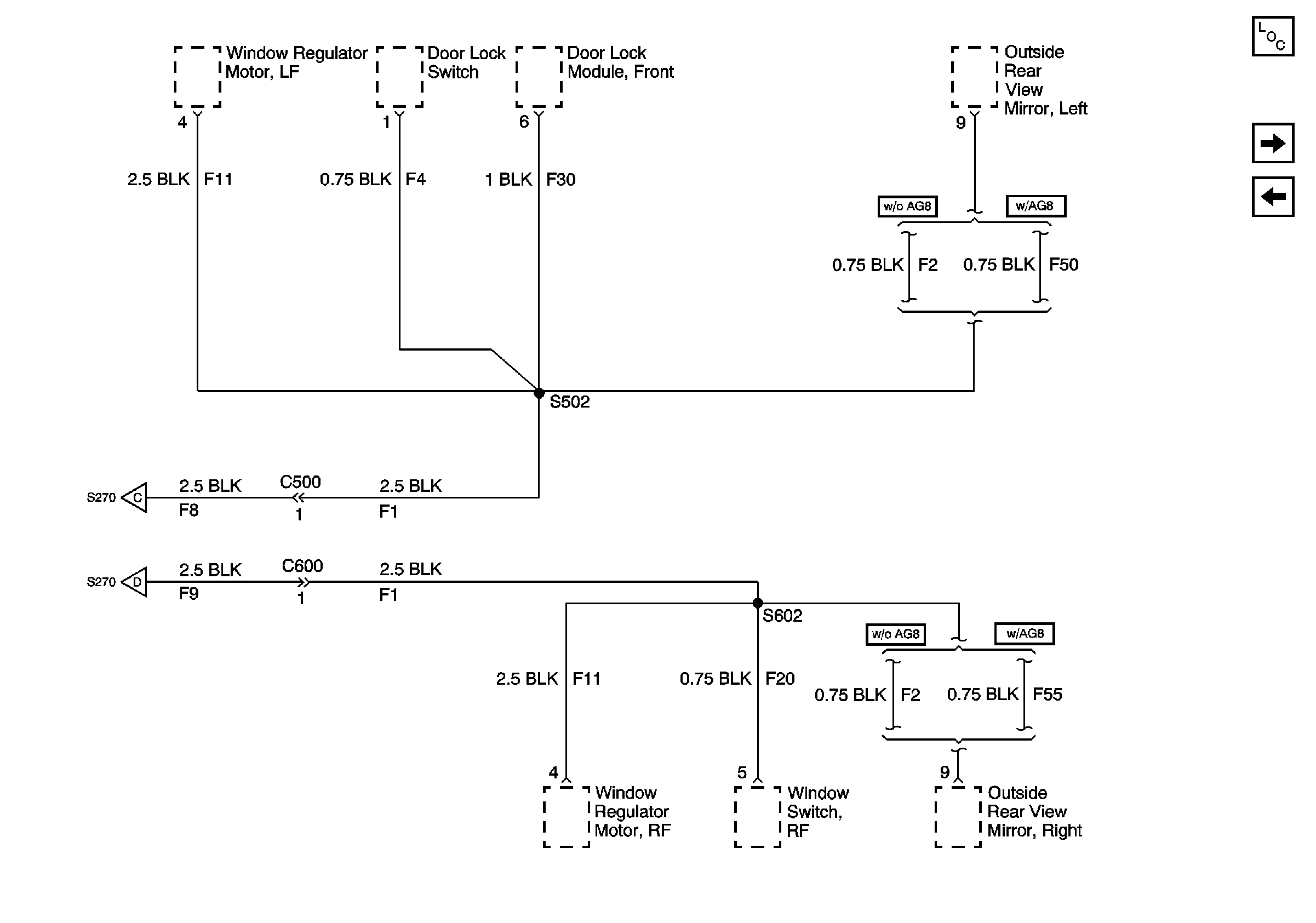
Figure 11:

Front Window Regulator Motors and Front Door Lock Switches


Object Number: 591966  Size: FS
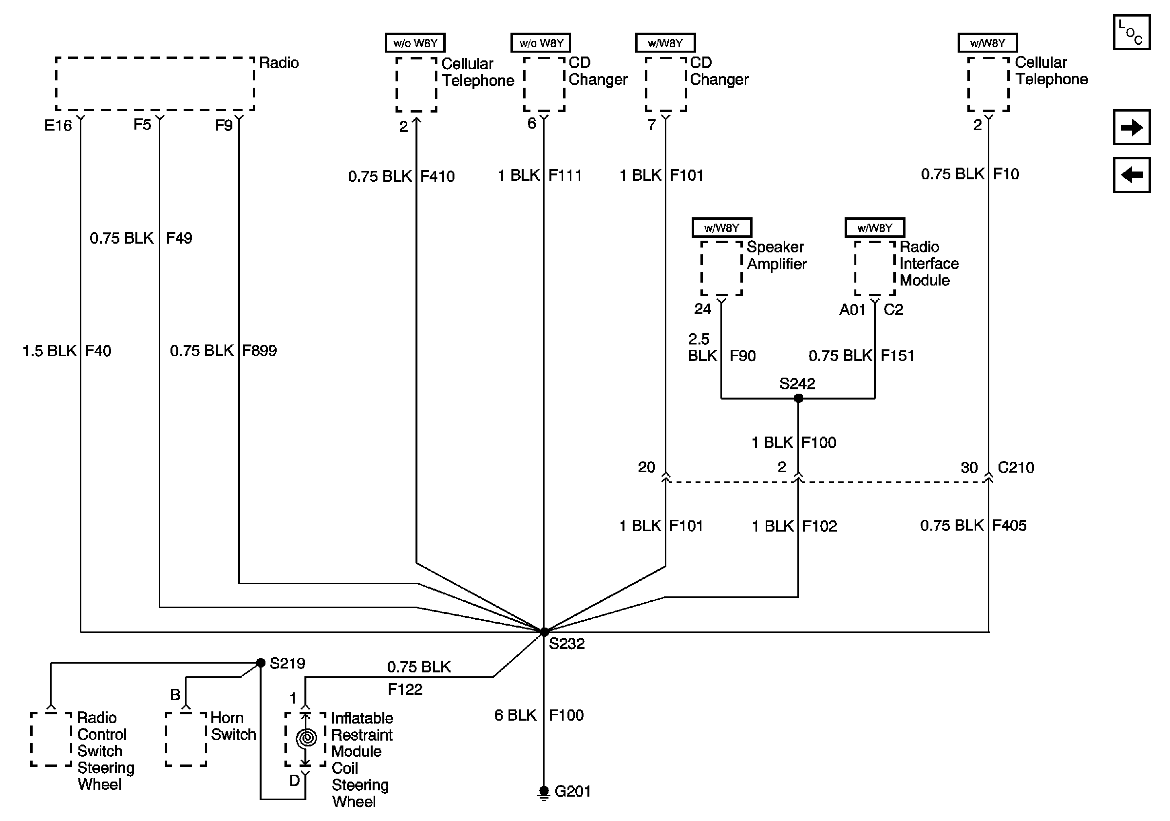
Figure 12:

Radio, Cell Phone, CD Changer and Radio Speaker Amplifier


Object Number: 591968  Size: FS
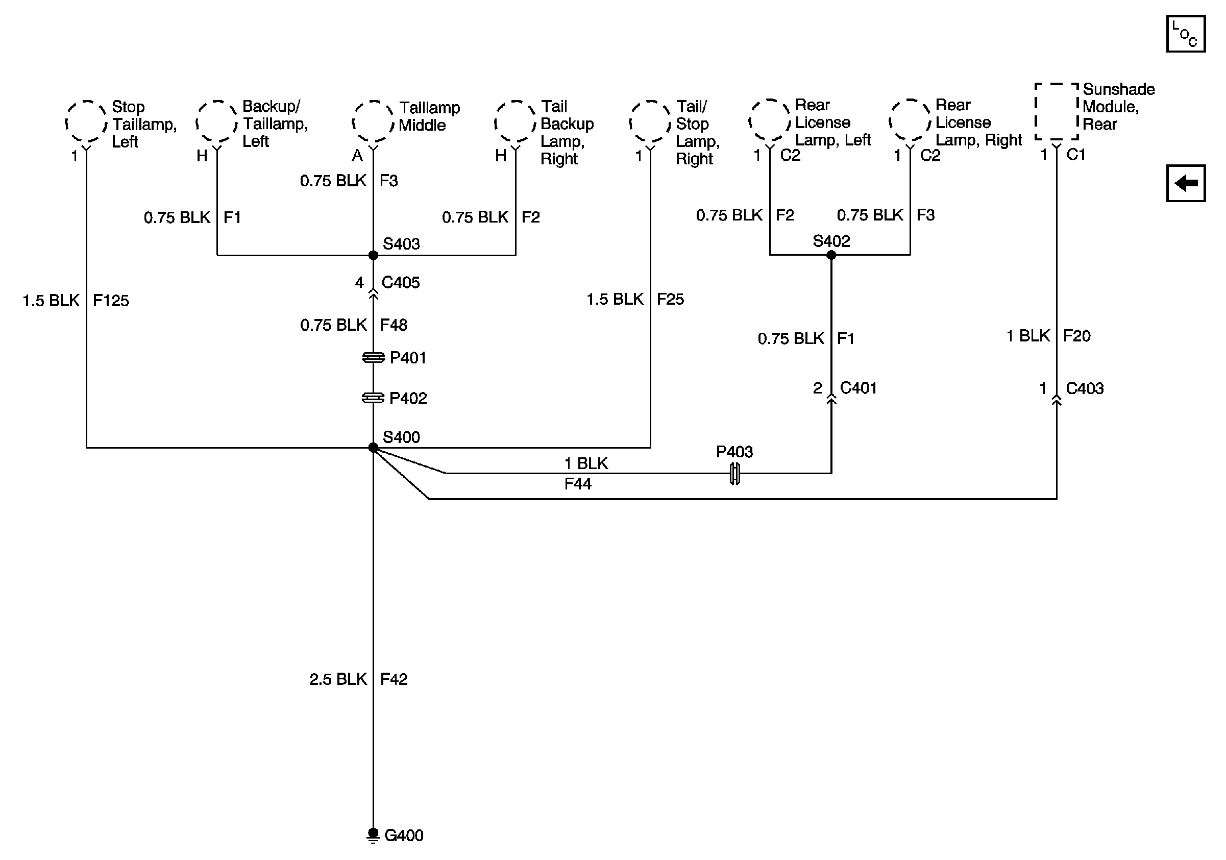
Figure 13:

Fuel Pump, Sunshade Motor and Rear Exterior Lamps


Object Number: 591969  Size: FS