GM Service Manual Online
For 1990-2009 cars only
Makes
🢒
Cadillac
🢒
2000
🢒
Catera
🢒
Body and Accessories
🢒
Doors
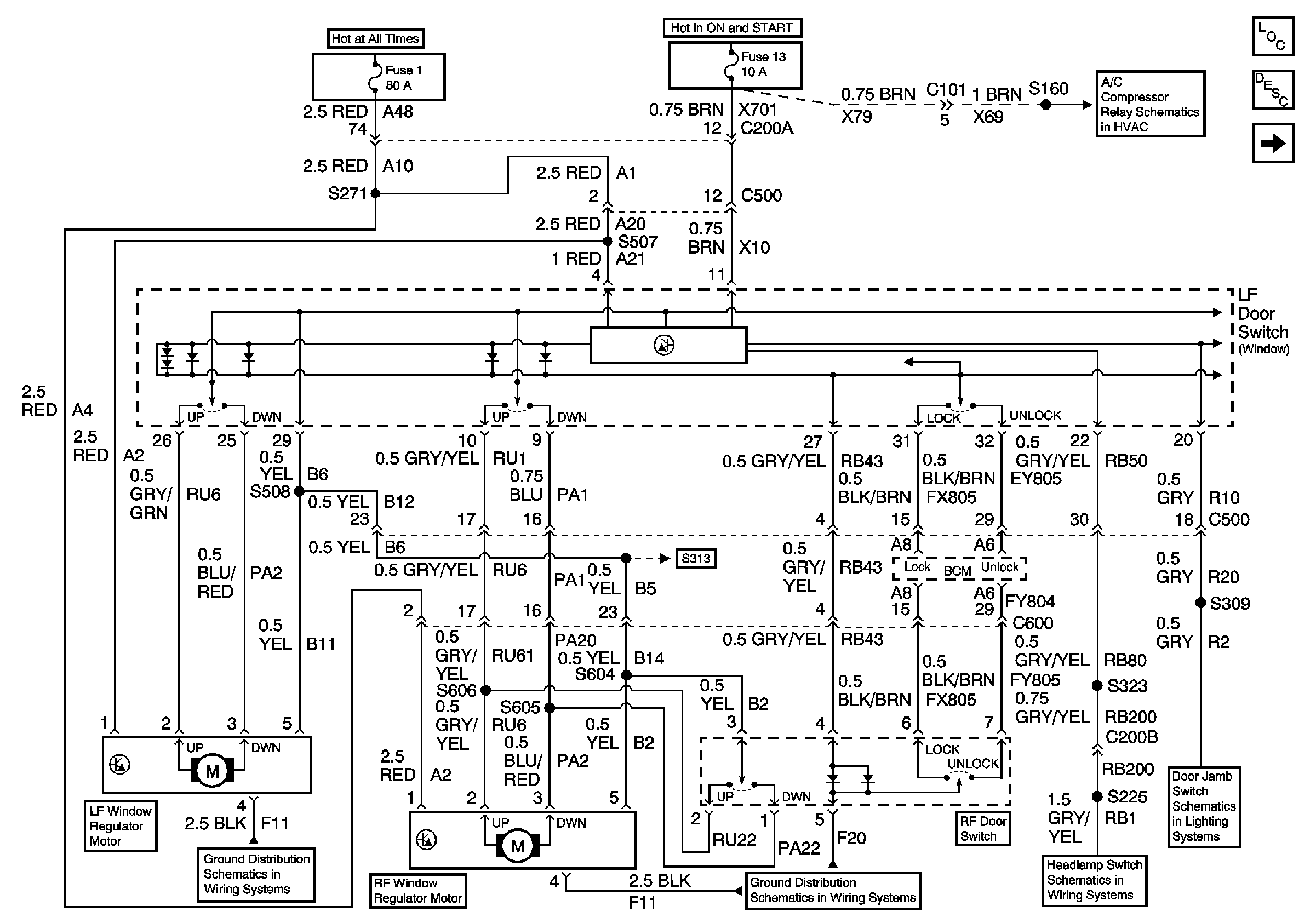
🢒 Power Window Schematics
Figure
1:
Fuses, Front and Rear Door Switches and Window Regulator Motors
Figure
2:
Rear Windows