GM Service Manual Online
For 1990-2009 cars only
Makes
🢒
Cadillac
🢒
2000
🢒
Catera
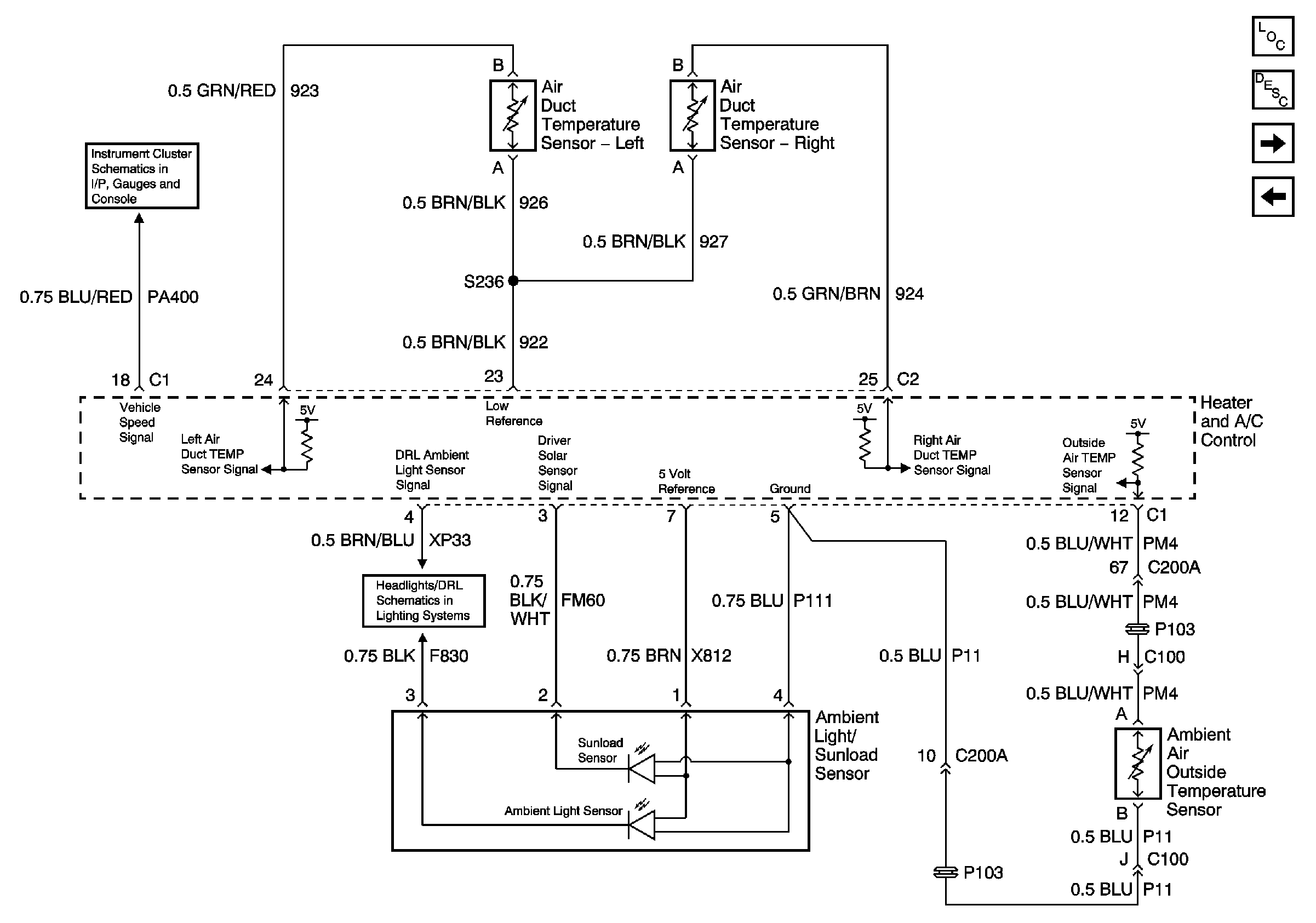
🢒 Temperature Sensors
Temperature Sensors
Ambient Light/Sunload Sensor and Air Temperature Sensors