GM Service Manual Online
For 1990-2009 cars only
Makes
🢒
Cadillac
🢒
2000
🢒
Catera
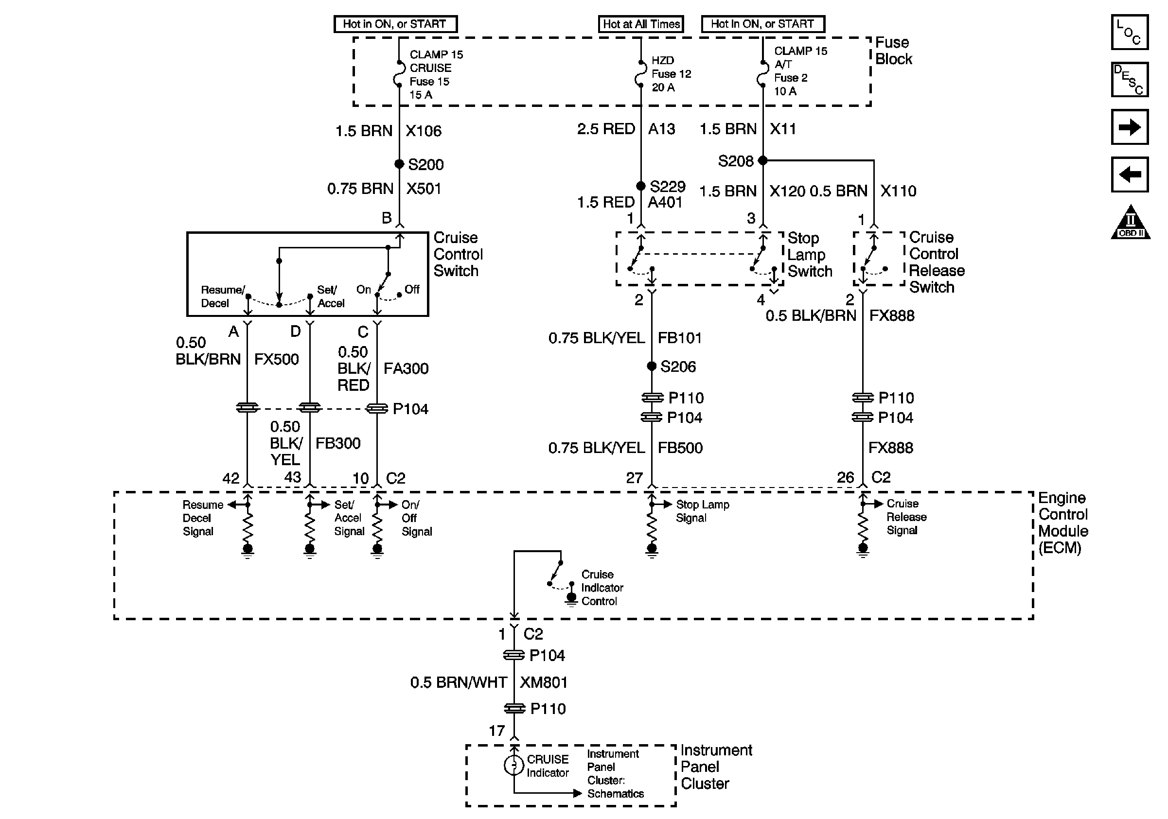
🢒 Cruise Control
Cruise Control
Cruise Control
A/C Controls
Accelerator Pedal Position (APP) Sensor
Power Distribution Schematics
Exterior Lights Schematics