GM Service Manual Online
For 1990-2009 cars only

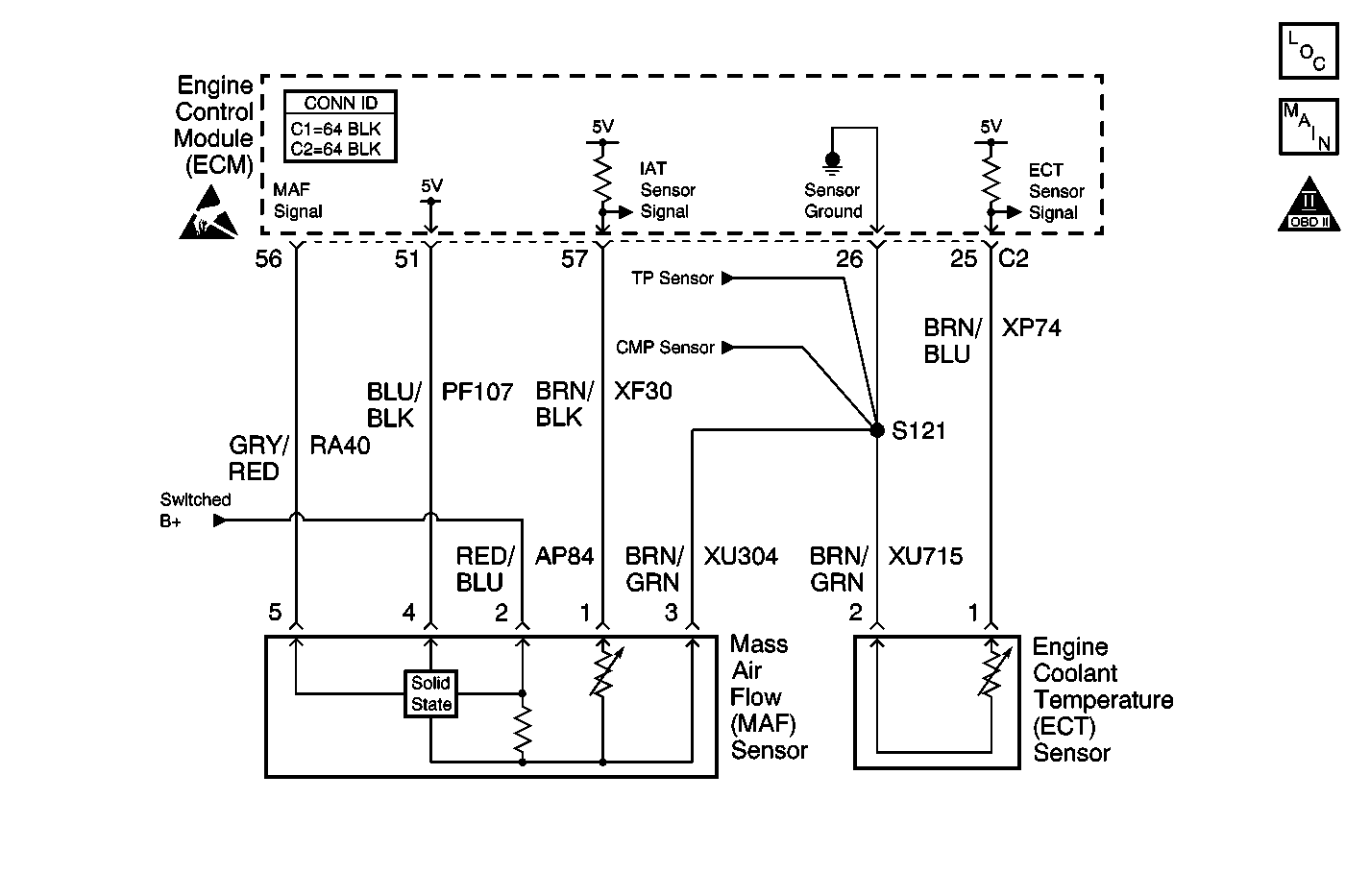
Object Number: 667578  Size: MF
Engine Controls Components
Air Injection Pump, Air Injection Pump Relay K12, MAF and ECT Sensors
OBD II Symbol Description Notice
Handling ESD Sensitive Parts Notice

Circuit Description

The engine coolant temperature (ECT) sensor contains a thermistor which changes resistance based on the temperature. The ECT sensor is located in the coolant crossover pipe at the center rear of the engine. The ECT sensor has a signal circuit and a ground circuit. The engine control module (ECM) applies a voltage, about 5.0 volts, on the signal circuit to the sensor. The ECM monitors the changes in this voltage that are caused by the changes in the resistance of the sensor in order to determine the engine coolant temperature.

When the engine coolant is cold, the sensor resistance is high, and the ECM will sense a high signal voltage or low temperature. When the engine coolant is warm, the sensor resistance is low. This causes the ECM to sense a low signal voltage or high temperature.

When the ECM senses a signal voltage outside of the normal operating range of the sensor, this DTC will set.

Conditions for Running the DTC

The ignition is ON.

Conditions for Setting the DTC

    • The ECT signal voltage indicates an ECT that is more than 139°C (282°F).
        OR
    • The ECT signal voltage indicates an ECT that is at -40°C (-40°F).

Action Taken When the DTC Sets

The ECM illuminates the malfunction indicator lamp (MIL) and records the operating conditions in the Freeze Frame on the second consecutive drive trip that the diagnostic runs and fails.

Conditions for Clearing the MIL/DTC

    • The ECM turns OFF the MIL after 3 consecutive drive trips that the diagnostic runs and passes.
    • A History DTC clears after forty consecutive warm-up cycles in which no failures are reported by this diagnostic or any other emissions related diagnostic.
    • The scan tool clears the MIL/DTC.

Diagnostic Aids

Use the J 35616 connector test adapter kit for any test that requires probing the ECM harness connector or a component harness connector. Using this kit prevents damage to the harness or component terminals. Refer to Using Connector Test Adapters in Wiring Systems.

Check the following conditions:

    • Poor connections at the ECM or at the component.
    • When checking the ECT sensor, the Temperature Versus Resistance - Engine Coolant Temperature Sensor table may be used in order to test the sensor at various temperature levels in order to evaluate the possibility of a skewed sensor. A skewed sensor may cause a driveability concern.
        Refer to Symptoms , Preliminary Checks, for the intermittents.
    • If other DTCs are set that share the same ground circuit, test the point where the circuits splice and where the circuit connects to the ECM for opens or high resistance.

If the engine has been allowed to sit overnight, the engine coolant temperature and the engine intake air temperature values should display within a few degrees of each other. If the temperatures are not within 3°C (5°F), refer to Temperature Versus Resistance - Engine Coolant Temperature Sensor .

Test Description

The numbers below refer to the step numbers on the diagnostic table.

  1. Turn ON the engine and monitor the ECT on the scan tool. The ECT sensor temperature should rise steadily with the temperature of the engine.

  2. Using the Freeze Frame data may aid in locating an intermittent condition. If the DTC cannot be duplicated, review the information in the Freeze Frame. Try to operate the vehicle within the same Freeze Frame conditions, the RPM, the MAF, the vehicle speed, the temperature, that were noted. This process may help to recreate the malfunction.

  3. Tests for proper operation of the circuit in the high voltage range.

  4. Tests for a short to voltage on the ECT sensor signal circuit.

  5. Tests the integrity of the reference ground circuit through the ECM to battery ground. Make sure the ECM has shut down prior to measuring the reference ground circuit resistance. This can be verified by the loss of communication on the scan tool. Do not use a test lamp to test the continuity of the reference ground circuit. Damage to the ECM will result.

  6. Perform the Idle Learn Procedure when replacing the ECM or throttle body.

Step

Action

Values

Yes

No

1

Did you perform the Powertrain On-Board Diagnostic (OBD) System Check?

--

Go to Step 2

Go to Powertrain On Board Diagnostic (OBD) System Check

2

  1. Turn ON the ignition, with the engine OFF.
  2. Monitor the ECT with the scan tool.

Is the ECT above the specified value?

139°C (282°F)

Go to Step 6

Go to Step 3

3

Is the ECT at the specified value?

-40°C (-40°F)

Go to Step 8

Go to Step 4

4

  1. Turn OFF the ignition for 30 seconds.
  2. Turn ON the ignition, with the engine OFF.
  3. Move the ECT harness and related connectors, while monitoring the scan tool display.

Does the harness movement affect the ECT value?

--

Go to Step 15

Go to Step 5

5

  1. Observe the Freeze Frame and/or Failure records for this DTC.
  2. Turn OFF the ignition for 30 seconds.
  3. Start the engine.
  4. Operate the vehicle within the conditions for running the DTC as specified in the supporting text or as close to the Freeze Frame and/or Failure records data that you observed.

Does the DTC reset?

--

Go to Step 6

Go to Diagnostic Aids

6

  1. Disconnect the ECT sensor electrical connector.
  2. Observe the ECT display on the scan tool.

Is the ECT at the specified value?

-40°C (-40°F)

Go to Step 19

Go to Step 7

7

  1. Turn OFF the ignition.
  2. Disconnect the ECM.
  3. Check the harness for continuity from the sensor signal circuit to battery ground with the DMM.

Is continuity indicated?

--

Go to Step 16

Go to Step 21

8

  1. Turn OFF the ignition.
  2. Disconnect the ECT connector.
  3. Turn ON the ignition, with the engine OFF.
  4. Use a DMM in order to measure the voltage from the ECT signal circuit to battery ground.

Is the voltage above the specified value?

5.2 volts

Go to Step 18

Go to Step 9

9

Jumper the ECT signal circuit to a known good ground.

Is the ECT above the specified value?

139°C (282°F)

Go to Step 11

Go to Step 10

10

  1. Turn OFF the ignition.
  2. Disconnect the ECM.
  3. Use the DMM in order to check the harness for continuity of the ECT sensor signal circuit from the sensor harness connector to the ECM harness connector.

Is continuity indicated?

--

Go to Step 21

Go to Step 17

11

Important: Make sure the ECM has shut down prior to measuring the reference ground circuit resistance. This can be verified by the loss of communication on the scan tool.

  1. Turn OFF the ignition for 30 seconds.
  2. Important: Do not use a test lamp to test the continuity of the reference ground circuit. Damage to the ECM will result.

  3. Using a DMM measure the resistance from the reference ground circuit at the ECT sensor connector to battery ground.

Does the resistance measure less than the specified value?

5 ohms

Go to Step 19

Go to Step 12

12

  1. Disconnect the ECM connector.
  2. Test the reference ground circuit of the ECT sensor for an open or high resistance.
  3. Repair the circuit as necessary. Refer to Wiring Repairs in Wiring Systems.

Did you find and correct the condition?

--

Go to Step 23

Go to Step 13

13

Measure the resistance from the ground stud at the ECM bracket to battery ground.

Is the resistance of the circuit less than the specified value?

5 ohms

Go to Step 21

Go to Step 14

14

Repair the open or high resistance in the ECM ground circuit. Refer to Wiring Repairs in Wiring Systems.

Is the action complete?

--

Go to Step 23

--

15

Repair the harness or connections as necessary. Refer to Connector Repairs or Wiring Repairs in Wiring Systems.

Is the action complete?

--

Go to Step 23

--

16

Repair the ECT signal circuit shorted to ground. Refer to Wiring Repairs in Wiring Systems.

Is the action complete?

--

Go to Step 23

--

17

Repair the open or high resistance in the ECT signal circuit. Refer to Wiring Repairs in Wiring Systems.

Is the action complete?

--

Go to Step 23

--

18

Repair the short to voltage in the ECT signal circuit. Refer to Wiring Repairs in Wiring Systems.

Is the action complete?

--

Go to Step 23

--

19

  1. Inspect for a poor connections or poor terminal tension at the ECT sensor harness connector. Refer to Testing for Intermittent Conditions and Poor Connections in Wiring Systems.
  2. Repair as necessary. Refer to Connector Repairs in Wiring Systems.

Did you find and correct the condition?

--

Go to Step 23

Go to Step 20

20

Replace the ECT sensor. Refer to Engine Coolant Temperature Sensor Replacement .

Is the action complete?

--

Go to Step 23

--

21

  1. Inspect for a poor connections or poor terminal tension at the ECM harness connector. Refer to Testing for Intermittent Conditions and Poor Connections in Wiring Systems.
  2. Repair as necessary. Refer to Connector Repairs in Wiring Systems.

Did you find and correct the condition?

--

Go to Step 23

Go to Step 22

22

Important: Perform the Idle Learn Procedure when replacing the ECM or the throttle body.

Important: This vehicle is equipped with a Theft Deterrent System which interfaces with the engine control module (ECM). Program the new ECM with the frequency code of the theft deterrent module that is currently on the vehicle.

Replace the ECM. Refer to Engine Control Module Replacement/Programming .

Is the action complete?

--

Go to Step 23

--

23

  1. Turn OFF the ignition for 30 seconds.
  2. Use a scan tool in order to clear the DTCs.
  3. Start the engine.
  4. Allow the engine to idle until the engine reaches the normal operating temperature.
  5. Select the DTC and the Specific DTC function.
  6. Enter the DTC number that was set.
  7. Operate the engine within the Conditions for Running this DTC until the scan tool indicates the diagnostic Ran.

Does the scan tool indicate the diagnostic Passed?

--

Go to Step 24

Go to Step 2

24

Does the scan tool display any additional, undiagnosed DTCs?

--

Go to the applicable DTC table

System OK