GM Service Manual Online
For 1990-2009 cars only

Removal Procedure


    Object Number: 742950  Size: SH
  1. Raise and support the vehicle. Refer to Lifting and Jacking the Vehicle in General Information.
  2. Drain the engine oil and remove the oil filter housing. Refer to Engine Oil and Oil Filter Replacement .
  3. Loosen the oil cooler outlet (1) and the inlet (2) lines from the engine block.
  4. Lower the vehicle.
  5. Remove the intake plenum. Refer to Intake Plenum Replacement .
  6. Remove the intake manifold. Refer to Intake Manifold Replacement .

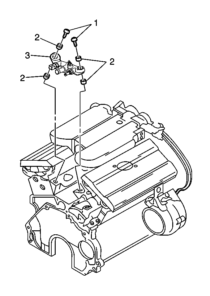
  7. Object Number: 142010  Size: SH
  8. Disconnect the following electrical connectors from the water crossover:
  9. • The engine coolant temperature sender (2)
    • The engine coolant temperature sensor (4)

    Object Number: 142013  Size: MH
  10. Remove the water crossover bolts (1).
  11. Remove the water crossover upper and lower seals (2).

  12. Object Number: 159182  Size: SH
  13. Loosen the upper heat shield bolts on the left side of the exhaust manifold .

  14. Object Number: 159490  Size: SH
  15. Remove the oil cooler outlet line from the engine oil cooler.
  16. Remove the oil cooler inlet line from the engine oil cooler.

  17. Object Number: 159495  Size: MH
  18. Note the positioning of the 4 seals.

  19. Object Number: 159494  Size: SH
  20. Position the oil feed and return lines out of the way and secure with mechanic wire.
  21. Remove the engine oil cooler inlet and outlet nuts (1).
  22. Remove the engine oil cooler cover bolts (2).

  23. Object Number: 159495  Size: MH
  24. Remove the engine oil cooler cover.
  25. Remove the engine oil cooler.
  26. Clean all sealing surfaces.

Installation Procedure


    Object Number: 159496  Size: SH
  1. Install the engine oil cooler.
  2. Apply a 2 mm (0.08 in) bead of RTV silicone sealant, GM P/N 12346240, in the groove around the engine oil cooler cover.
  3. Install the engine oil cooler cover.

  4. Object Number: 159494  Size: SH

    Notice: Use the correct fastener in the correct location. Replacement fasteners must be the correct part number for that application. Fasteners requiring replacement or fasteners requiring the use of thread locking compound or sealant are identified in the service procedure. Do not use paints, lubricants, or corrosion inhibitors on fasteners or fastener joint surfaces unless specified. These coatings affect fastener torque and joint clamping force and may damage the fastener. Use the correct tightening sequence and specifications when installing fasteners in order to avoid damage to parts and systems.

  5. Install the engine oil cooler cover bolts (2).
  6. Tighten
    Tighten the engine oil cooler cover bolts to 30 N·m (22 lb ft).

  7. Install the engine oil cooler inlet and outlet nuts (1).
  8. Tighten
    Tighten the engine oil cooler inlet and outlet nuts to 20 N·m (15 lb ft).

  9. Reposition the oil feed and return lines.

  10. Object Number: 159495  Size: MH
  11. Install the oil cooler outlet and install the oil cooler inlet lines to the engine oil cooler.
  12. Use 4 new seals.

    Tighten
    Tighten the oil feed and return lines to 30 N·m (22 lb ft).


    Object Number: 142013  Size: MH
  13. Install the water crossover:
  14. • Position the crossover.
    • Install the upper and lower seals (2).
    • Install the water crossover bolts (1).

    Tighten
    Tighten the water crossover bolts to 30 N·m (22 lb ft).

  15. Connect the electrical connectors at the following locations:
  16. • The engine coolant temperature sensor (4)
    • The engine coolant temperature sender (2)
  17. Install the intake manifold. Refer to Intake Manifold Replacement .
  18. Install the intake plenum. Refer to Intake Plenum Replacement .

  19. Object Number: 742950  Size: SH
  20. Raise the vehicle.
  21. Install the oil cooler outlet (1) line to the engine block.
  22. Tighten
    Tighten the oil cooler outlet (1) line to 30 N·m (22 lb ft).

  23. Install the oil cooler inlet (2) line to the engine block.
  24. Tighten
    Tighten the oil cooler inlet (2) line to 30 N·m (22 lb ft).

  25. Install the oil filter housing to the engine block.
  26. Tighten
    Tighten the oil filter housing to 45 N·m (33 lb ft).

  27. Lower the vehicle.
  28. Fill the crankcase with engine oil. Refer to Engine Oil and Oil Filter Replacement .