GM Service Manual Online
For 1990-2009 cars only

    Object Number: 242759  Size: SH
  1. To remove the ignition switch assembly. Refer to Ignition Switch Assembly - Disassemble - Off Vehicle .
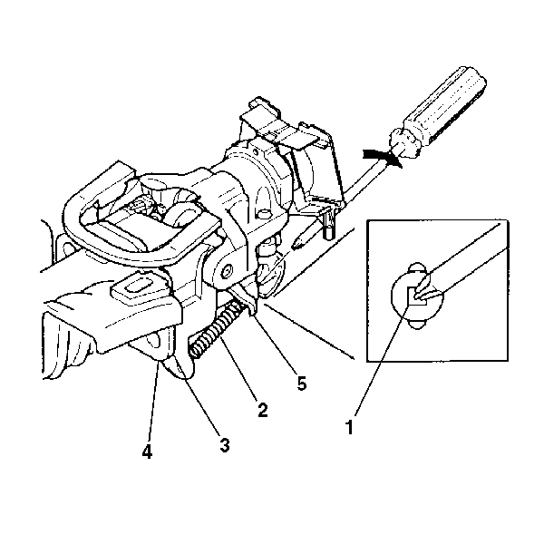
  2. Important: Be aware that the tilt spring may project from the column.

  3. Insert a No. 2 Phillips head screwdriver into the square opening (1) in the tilt spring retainer.
  4. Depress the tilt spring retainer.
  5. Turn the screwdriver to unlock the tilt spring retainer.

  6. Object Number: 242767  Size: SH
  7. Push the tilt spring (2) out towards the front of the column in order to remove the tilt spring retainer (1) and the tilt spring (2).