GM Service Manual Online
For 1990-2009 cars only
Makes
🢒
Cadillac
🢒
2001
🢒
Catera
🢒
Body and Accessories
🢒
Wipers/Washer Systems
🢒 Wiper/Washer Schematics
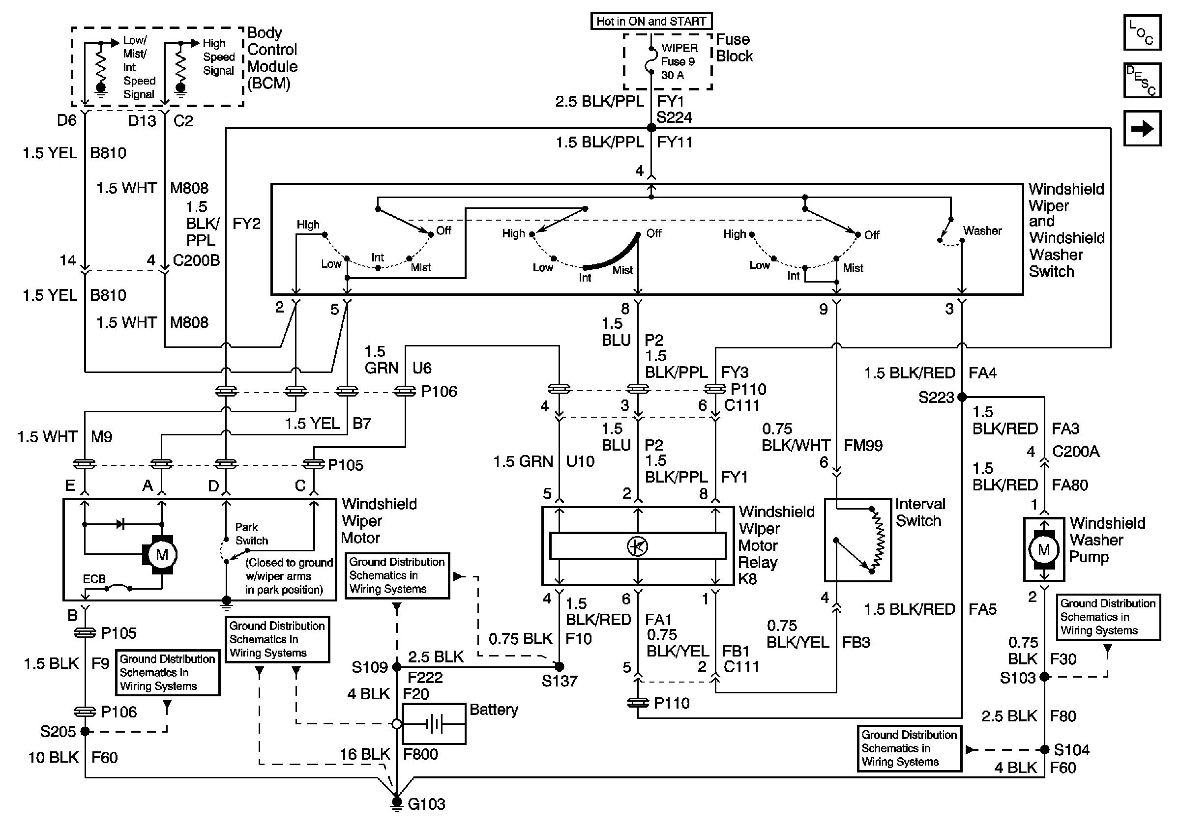
Figure
1:
Windshield Wipers and Washer Pump
Master Electrical Component List
Wiper/Washer System Description and Operation
Windshield Washer Nozzle Heating and Low Washer Fluid Indicator
Underhood Fuse Block Fuses V1 and V4, and Ignition Switch
G103 (6 of 8)
G103 (1 of 8)
G103 (2 of 8)
G103 (3 of 8)
G103 (4 of 8)
Figure
2:
Windshield Washer Nozzle Heating and Low Washer Fluid Indicator
Master Electrical Component List
Wiper/Washer System Description and Operation
Windshield Wipers and Washer Pump
Underhood Fuse Block Fuses V1 and V4, and Ignition Switch
Fuse Block Fuses 2, 9, and 14
Power, Headlamps On Required, ABS, Traction Control, Sport Mode, Check Engine, Brake To Shift, Air Bag, Charging System Brake Pad Wear, Low Washer Fluid, Seat Belt Leveling, Brake and Cruise Indicator
G103 (6 of 8)
G103 (4 of 8)
G103 (3 of 8)
G103 (1 of 8)