GM Service Manual Online
For 1990-2009 cars only
Makes
🢒
Cadillac
🢒
2001
🢒
Catera
🢒
Engine
🢒
Engine Mechanical - 3.0L (L81)
🢒 Disassembled Views
Figure
1:
Manifolds and Related Components
(1)
Intake Plenum Bolts
(2)
Intake Plenum Switchover Valve
(3)
Intake Manifold Spacer
(4)
Intake Manifold
(5)
Crankcase Vent Housing
(6)
Crankcase Vent Tube Adapter
(7)
Intake Plenum
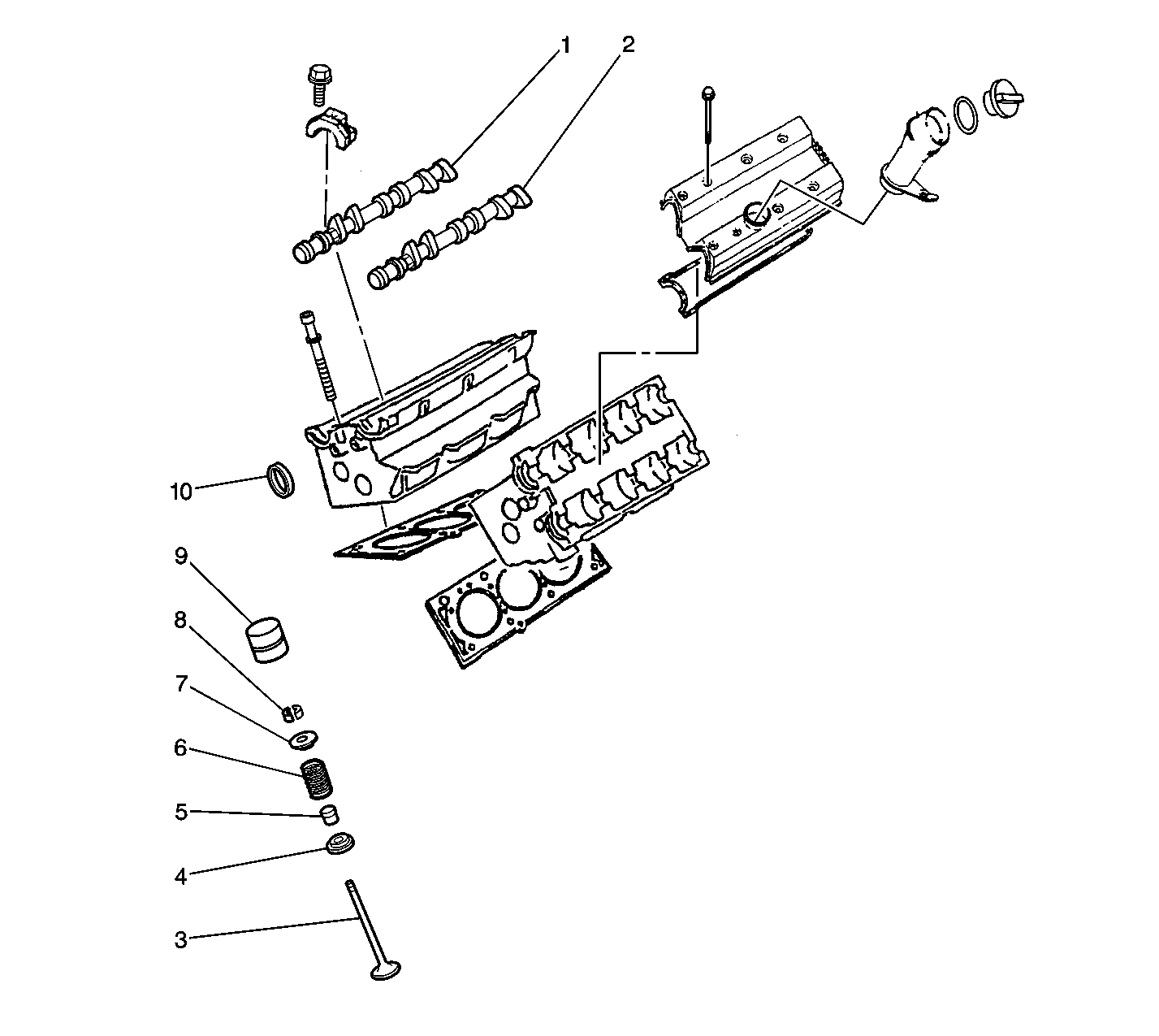
Figure
2:
Cylinder Head and Components
(1)
Exhaust Camshaft
(2)
Intake Camshaft
(3)
Valve Stem
(4)
Valve Spring Seat
(5)
Valve Seal
(6)
Valve Spring
(7)
Valve Spring Cap
(8)
Valve Spring Retaining Keys
(9)
Lifter
(10)
Camshaft Seal
Figure
3:
Front of Engine Components
(1)
Timing Belt Idler Pulley
(2)
Crankshaft Gear Spacer
(3)
Threaded Pin
(4)
Crankshaft Gear
(5)
Harmonic Balancer
(6)
Wiring Harness Channel
(7)
Wiring Harness Channel Extension
(8)
Front Timing Belt Cover Seal
(9)
Timing Belt
(10)
Timing Belt Tensioner Bracket
Figure
4:
Oil Pan and Oil Delivery Components
(1)
Oil Cooler Inlet Pipe
(2)
Oil Cooler Outlet Pipe
(3)
Oil Filter Bypass Spring
(4)
Oil Filter Bypass Check Ball
(5)
Oil Filter Bypass Valve
(6)
Engine Oil Level Sensor
(7)
Oil Pan
(8)
Oil Pan Gasket
(9)
Upper Oil Pan Housing
(10)
Upper Oil Pan Housing Gasket
(11)
Oil Pan Baffle (Windage Tray)
(12)
Oil Pump Suction Pipe
(13)
Oil Pump Inlet Screen
(14)
Oil Pump
(15)
Front Main Oil Seal
(16)
Oil Pressure Relief Valve
(17)
Bypass Valve
(18)
Engine Oil Cooler
Figure
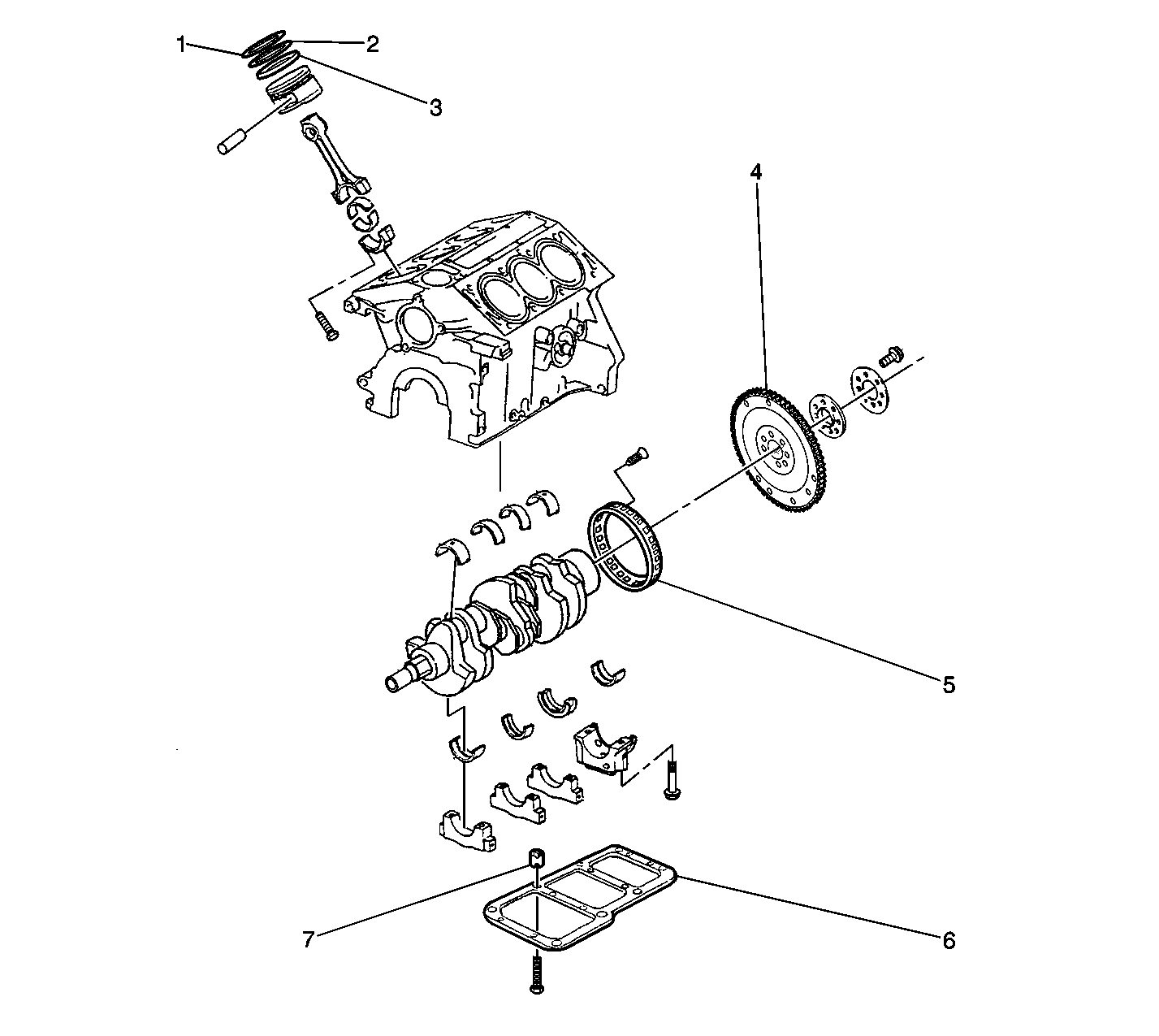
5:
Crankshaft/Piston Components
(1)
Upper Compression Ring
(2)
Lower Compression Ring
(3)
Oil Control Ring
(4)
Flywheel
(5)
Crankshaft Sensor Reluctor Ring
(6)
Crankshaft Bearing Bridge
(7)
Crankshaft Bearing Bridge Adjusting Sleeve