GM Service Manual Online
For 1990-2009 cars only
Makes
🢒
Cadillac
🢒
2001
🢒
Catera
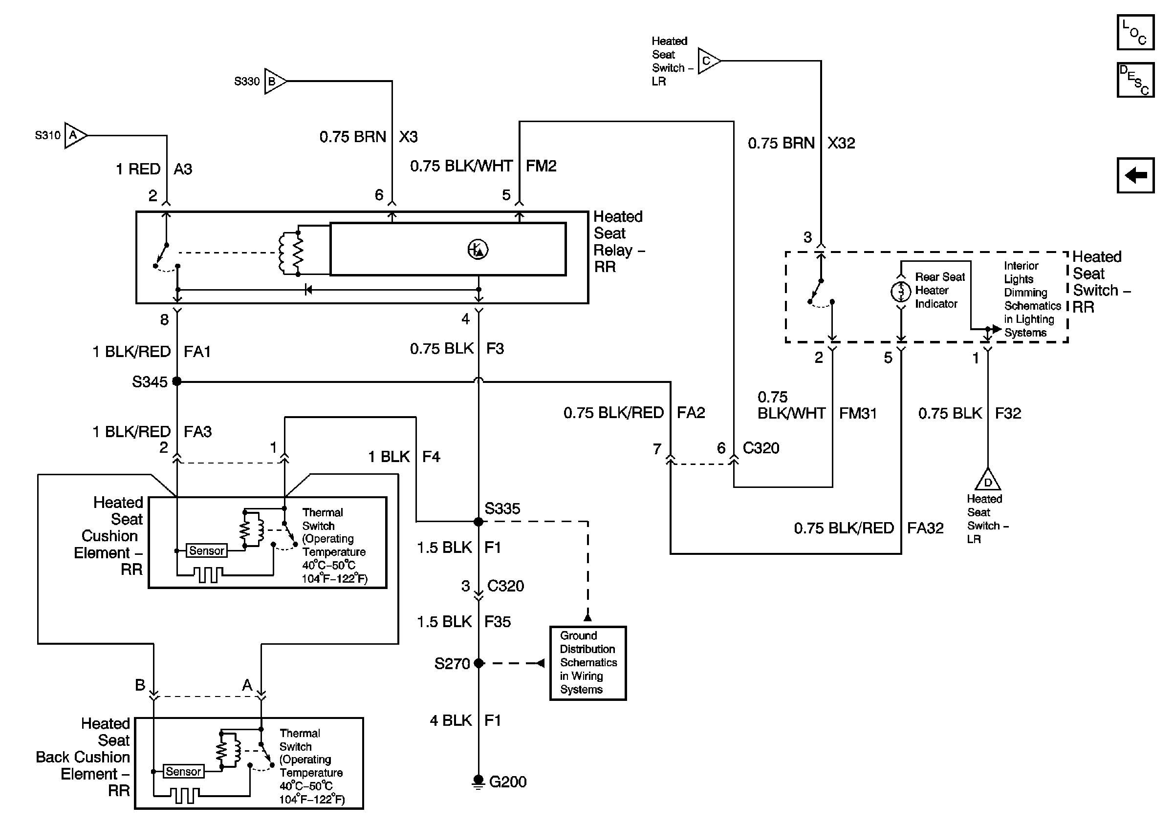
🢒 Heated Seat - RR
Heated Seat - RR
Heated Seat - RR
Master Electrical Component List
Heated Seats Description and Operation
Heated Seat - LR
Heated Seat - LR
Heated Seat - LR
Heated Seat - LR
Page 2 of 2
Heated Seat - LR
G200 (1 of 2) and G203