GM Service Manual Online
For 1990-2009 cars only

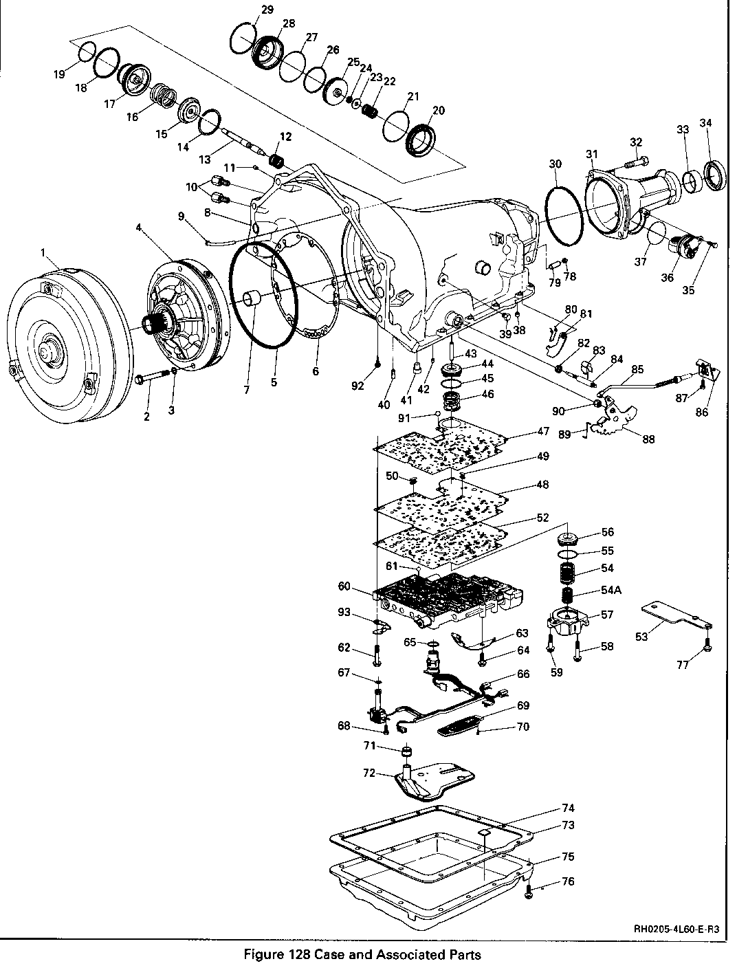
SMU-SEC. 7A- TRANSMISSION UNIT REPAIR, ACCUMULATOR ASSY.

SUBJECT: SERVICE MANUAL UPDATE - SECTION 7A - AUTOMATIC TRANSMISSION UNIT REPAIR - ACCUMULATOR ASSEMBLY

MODELS: 1994 CHEVROLET CAPRICE, CAMARO, CORVETTE 1994 CADILLAC FLEETWOOD 1994 PONTIAC FIREBIRD 1994 BUICK ROADMASTER

1994 CHEVROLET AND GMC C/K, S/T TRUCKS AND L/M, G VANS 1994 OLDSMOBILE BRAVADA

TRANSAXLE APPLICATIONS: 1994 HYDRA-MATIC 4L60-E (RP0 M30)

BULLETIN COVERS:

NEW PRODUCT INFORMATION FOR 1994 HYDRA-MATIC 4L60-E TRANSMISSIONS. THIS INFORMATION HAS BEEN UPDATED SINCE PUBLICATION OF THE 1994 SERVICE MANUAL AND SHOULD BE NOTED ACCORDINGLY. BE CERTAIN TO FAMILIARIZE YOURSELF WITH THESE UPDATES TO PROPERLY REPAIR THE 1994 HYDRA-MATIC 4L60-E TRANSMISSION.

DATE OF PRODUCTION CHANGE: (FIGURES 1, 2 + 3)

BEGINNING WITH START OF PRODUCTION 1994, HYDRA-MATIC 4L60-E TRANSMISSIONS WERE BUILT WITH A NEW CALIBRATION THAT HAS TWO (2) SPRINGS IN THE 1-2 ACCUMULATOR. THE 3-4 ACCUMULATOR HAS ALSO CHANGED. SOME MODELS DO NOT USE A 3-4 ACCUMULATOR SPRING.

SERVICE MANUAL REFERENCE:

UPDATE YOUR 1994 SERVICE MANUAL WITH THE FOLLOWING FIVE (5) PAGES.

FIGURES: 8


Object Number: 86369  Size: LF


Object Number: 86368  Size: LF


Object Number: 86367  Size: LF


Object Number: 94007  Size: MF


Object Number: 94006  Size: MF


Object Number: 94005  Size: FS


Object Number: 94377  Size: FS


Object Number: 94004  Size: LF


Object Number: 94003  Size: LF


Object Number: 94376  Size: LF


Object Number: 84135  Size: FS


Object Number: 83074  Size: FS

GENERAL MOTORS BULLETINS ARE INTENDED FOR USE BY PROFESSIONAL TECHNICIANS, NOT A "DO-IT-YOURSELFER." THEY ARE WRITTEN TO INFORM THOSE TECHNICIANS OF CONDITIONS OCCURRING ON SOME VEHICLES, OR TO PROVIDE INFORMATION THAT COULD ASSIST IN THE PROPER SERVICE OF A VEHICLE. PROPERLY TRAINED TECHNICIANS HAVE THE EQUIPMENT, TOOLS, SAFETY INSTRUCTIONS AND KNOW-HOW TO DO A JOB PROPERLY AND SAFELY. IF A CONDITION IS DESCRIBED, DO NOT ASSUME THE BULLETIN APPLIES TO YOUR VEHICLE, OR THAT YOUR VEHICLE WILL HAVE THAT CONDITION. SEE A GENERAL MOTORS DEALER SERVICING YOUR BRAND OF GENERAL MOTORS VEHICLE FOR INFORMATION ON WHETHER YOUR VEHICLE MAY BENEFIT FROM THE INFORMATION.

COPYRIGHT 1993. GENERAL MOTORS CORPORATION. ALL RIGHTS RESERVED.