GM Service Manual Online
For 1990-2009 cars only

ELECT. SYSTEM MANUAL UPDATE 0IL LEVEL SENSOR INPUT TEST

SUBJECT: ELECTRICAL SYSTEMS MANUAL UPDATE - (ESM) - OIL LEVEL SENSOR INPUT TEST (REVISION)

VEHICLES AFFECTED: 1991 "C" MODEL

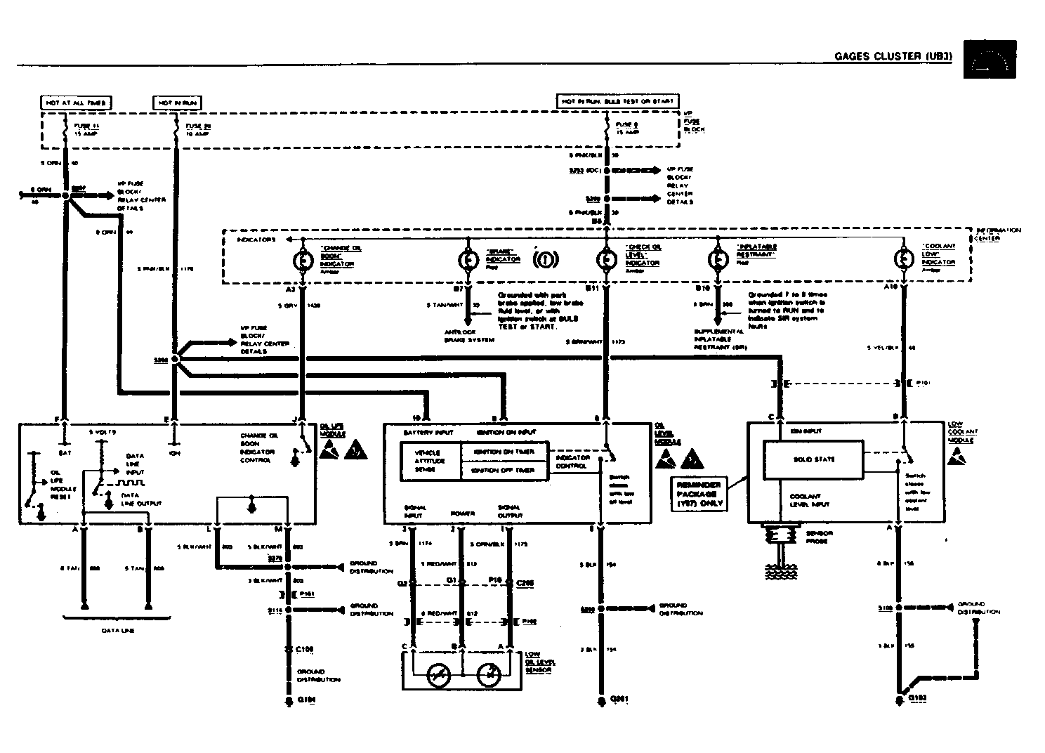
THIS BULLETIN IS WRITTEN TO REVISE THE GAUGES CLUSTER (UB3) INFORMATION

The following illustrations contain revised information for: Gauges Cluster (UB3) - ELECTRICAL SCHEMATIC, page 279 and LOW OIL LEVEL SENSOR INPUT TEST, page 286.


Object Number: 75040  Size: FS


Object Number: 75039  Size: FS

General Motors bulletins are intended for use by professional technicians, not a "do-it-yourselfer". They are written to inform those technicians of conditions that may occur on some vehicles, or to provide information that could assist in the proper service of a vehicle. Properly trained technicians have the equipment, tools, safety instructions and know-how to do a job properly and safely. If a condition is described, do not assume that the bulletin applies to your vehicle, or that your vehicle will have that condition. See a General Motors dealer servicing your brand of General Motors vehicle for information on whether your vehicle may benefit from the information.