GM Service Manual Online
For 1990-2009 cars only

DELAYED SHIFT IN DRIVE/REVERSE (REPLACE INPUT CLUTCH SEAL)

THIS BULLETIN CANCELS AND REPLACES BULLETIN 107105R.

********************************************************************* TRANSAXLE APPLICATIONS: SUBJECT: 1991-92 HYDRA-MATIC INTERMITTENT DELAYED ENGAGEMENT IN 4T60 (ME9) DRIVE AND REVERSE AFTER "COLD" SOAK 1991-92 HYDRA-MATIC OVERNIGHT (REPLACE INPUT CLUTCH OUTER 4T60-E (M13) PISTON SEAL)

TRANSAXLE MODELS: VEHICLE APPLICATIONS: ALL A,C,E,H,K,W-CAR U-VAN _____________________________________________________________________

CONDITION: (FIGURE 1) SOME VEHICLES EQUIPPED WITH A HYDRA-MATIC 4T60 (RPO ME9) OR HYDRA- MATIC 4T60-E (RPO M13) TRANSAXLE BUILT BEFORE NOVEMBER 1, 1991 MAY EXPERIENCE AN INTERMITTENT DELAYED ENGAGEMENT IN DRIVE AND/OR REVERSE AFTER A "COLD" SOAK OVERNIGHT. THE CONDITION MAY GRADUALLY BECOME MORE NOTICEABLE AS VEHICLE MILEAGE INCREASES, AND AS AMBIENT TEMPERATURE DECREASES.

NOTE: ONCE TRANSAXLE IS BROUGHT TO OPERATING TEMPERATURE, THE CONDITION MAY NOT BE ABLE TO BE REPRODUCED UNTIL A "COLD" SOAK OVERNIGHT IS PERFORMED.

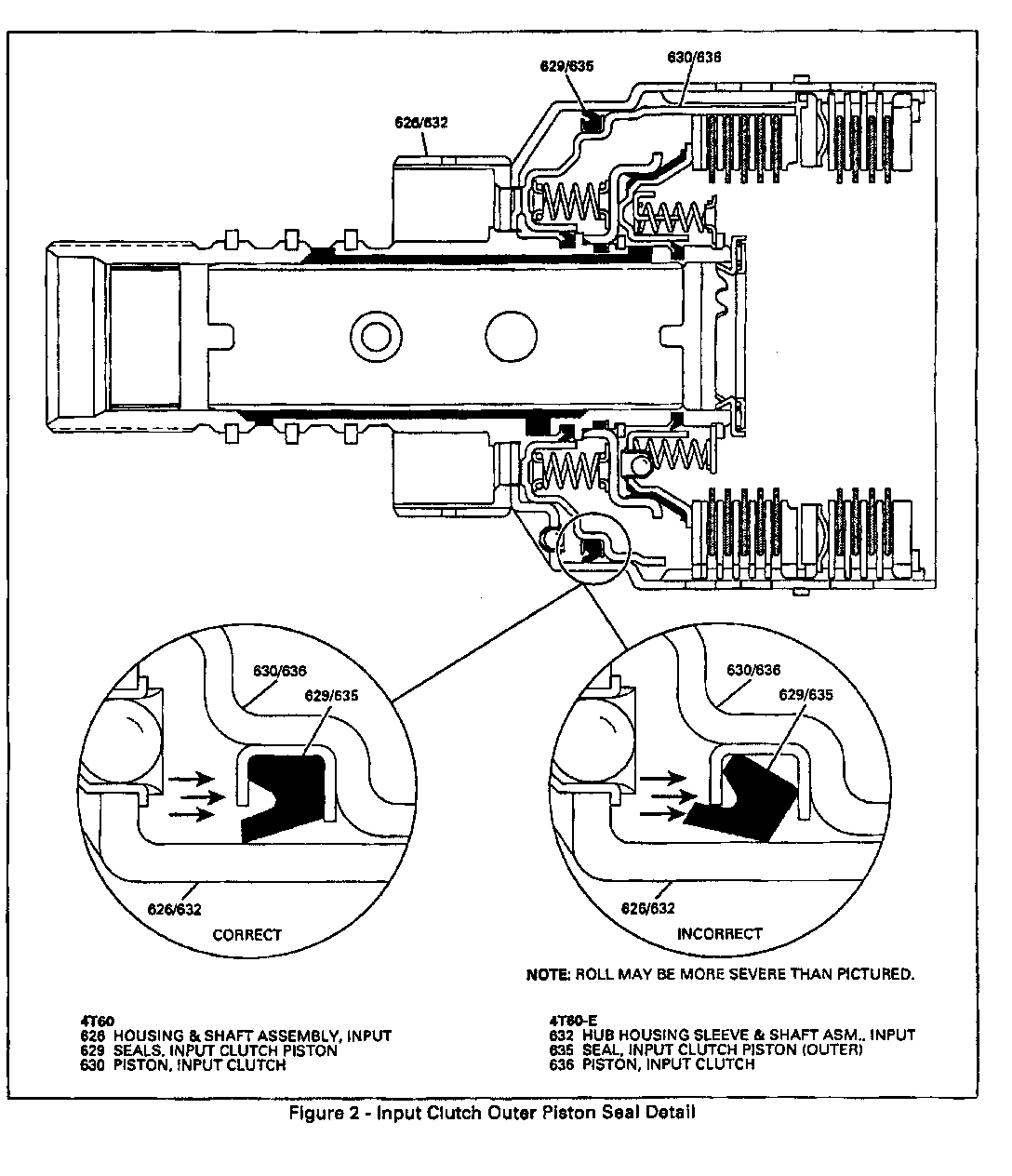
CAUSE: (FIGURE 2) THE ABOVE CONDITION MAY BE CAUSED BY A ROLLED OR CUT INPUT CLUTCH OUTER PISTON SEAL (635).

NOTE: AN AIR CHECK OF THE INPUT CLUTCH OUTER PISTON SEAL COULD BE MISLEADING, DUE TO THE POSITION OF THE SEAL, AND SHOULD NOT BE USED AS A FACTOR TO DETERMINE PROPER FUNCTION. ALSO, THE SEAL MAY LOOK GOOD DURING VISUAL INSPECTION BUT SHOULD BE REPLACED IF THE ABOVE CONDITION IS PRESENT. THE SEAL MAY HAVE ROLLED BACK INTO THE PROPER POSITION DURING DISASSEMBLY.

THE FOLLOWING IS A LIST OF ITEMS WHICH MAY ALSO AFFECT THE ENGAGE- MENT TIME INTO DRIVE AND/OR REVERSE:

4T60 (RPO ME9) - FLUID LEVEL LOW - COOLER CHECKBALL (569) NOT SEATING PROPERLY ALLOWING CONVERTER DRAIN BACK - REVERSE SERVO ASSEMBLY SEAL (547) CUT OR DAMAGED - 1-2 SERVO, ASSEMBLY SEAL (557) CUT OR DAMAGED - SEAL ASSEMBLY 1-2 SERVO PIPE (383) CUT OR DAMAGED - PIPE, 1-2 SERVO APPLY (136) SPLIT OR DAMAGED - RETAINER AND BALL ASSEMBLY (625) DAMAGED (IN THE INPUT SHAFT AND HOUSING ASSEMBLY)

4T60-E (M13) - FLUID LEVEL LOW - COOLER CHECKBALL (28) NOT SEATING PROPERLY ALLOWING CONVERTER DRAIN BACK - REVERSE SERVO ASSEMBLY SEAL (43) CUT OR DAMAGED - FORWARD SERVO ASSEMBLY SEAL (18) DAMAGED OR CUT - 2-1 SERVO SEAL (105) DAMAGED OR MISLOCATED - RETAINER AND BALL ASSEMBLY (633) DAMAGED (IN THE INPUT SHAFT AND HOUSING ASSEMBLY)

CORRECTION:

TO REPAIR THIS CONDITION, REPLACE THE INPUT CLUTCH OUTER PISTON SEAL. REFER TO THE APPROPRIATE SERVICE MANUAL UNDER "AUTOMATIC TRANSAXLE UNIT REPAIR" FOR THE PROPER DISASSEMBLY AND ASSEMBLY PROCEDURE.

LABOR TIME INFORMATION: LABOR TIME SHOULD BE CHARGED UNDER OPERATION NUMBER K7536, FOR "INPUT CLUTCH PISTON OUTER SEAL-REPLACE" FROM THE APPROPRIATE LABOR TIME GUIDE MANUAL.


Object Number: 84220  Size: FS


Object Number: 83223  Size: FS

General Motors bulletins are intended for use by professional technicians, not a "do-it-yourselfer". They are written to inform those technicians of conditions that may occur on some vehicles, or to provide information that could assist in the proper service of a vehicle. Properly trained technicians have the equipment, tools, safety instructions and know-how to do a job properly and safely. If a condition is described, do not assume that the bulletin applies to your vehicle, or that your vehicle will have that condition. See a General Motors dealer servicing your brand of General Motors vehicle for information on whether your vehicle may benefit from the information.

COPYRIGHT 1992 GM POWERTRAIN DIVISION, GENERAL MOTORS CORPORATION. ALL RIGHTS RESERVED.